电脑桌面
添加小米粒文库到电脑桌面
安装后可以在桌面快捷访问

化妆品公司各部门架构_职责和各岗位说明书VIP免费

化妆品公司各部门架构_职责和各岗位说明书_第1页
1/214
化妆品公司各部门架构_职责和各岗位说明书_第2页
2/214
化妆品公司各部门架构_职责和各岗位说明书_第3页
3/214
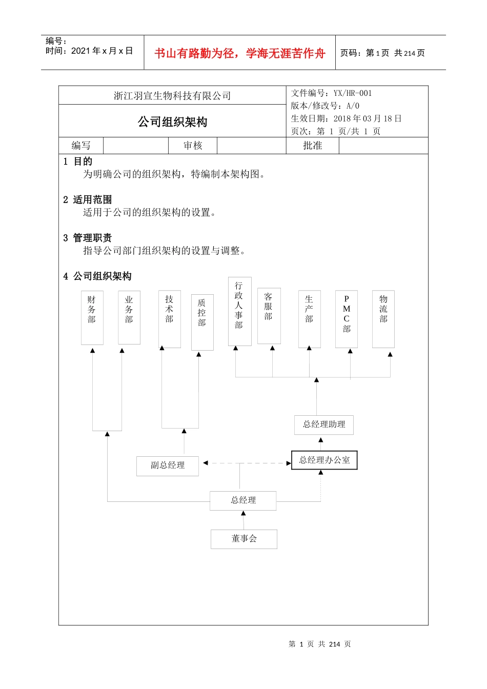
第1页共214页编号:时间:2021年x月x日书山有路勤为径,学海无涯苦作舟页码:第1页共214页浙江羽宣生物科技有限公司文件编号:YX/HR-001版本/修改号:A/0生效日期:2018年03月18日页次:第1页/共1页公司组织架构编写审核批准1目的为明确公司的组织架构,特编制本架构图。2适用范围适用于公司的组织架构的设置。3管理职责指导公司部门组织架构的设置与调整。4公司组织架构总经理生产部PMC部客服部业务部技术部质控部财务部董事会副总经理总经理办公室总经理助理物流部行政人事部第2页共214页第1页共214页编号:时间:2021年x月x日书山有路勤为径,学海无涯苦作舟页码:第2页共214页XX化妆品公司文件编号:PH/MS-01000版本/修改号:A/0生效日期:2013年08月01日页次:第1页/共2页总经办组织架构与部门职责编写审核批准1目的为明确部门组织架构与部门管理职责,特制定本制度。2适用范围适用于总经办。3管理职责4组织架构5部门职责5.1负责制定公司的中长期战略发展规划;5.2根据公司发展规划,研究市场动向、特点、发展趋势和竞争态势,分析公司经营管理状况,拟定经营方针、决策方案;5.3负责制定每年度的生产计划和经营目标、质量目标、管理目标;并负责费用的预算和审批;5.5管理及分配公司资源配备,研究公司厂房装修、重要设备的引进、新增服务项目工作,经常了解和掌握各种物资储备、采购情况,均衡生产,使产品质量、成本控制等达到目标要求,对重要事务的审查、批准和处理;5.6负责公司年度经营管理活动工作的布置、实施,并负责统筹和协调过程中各部门的工作,检查、监督和协调各部门工作的开展,做好各部门间横向联系相关工作;5.7参与公司技术发展规划和新产品开发规划,拓展新客户领域和业务,审批年度营销方案,并监督方案的实施过程;5.8代表企业对外开展公关活动,包含政府单位、行业交流、媒体宣传等;5.9负责公司组织结构的确定,工作分工和责权划分的审核确定;5.10负责公司管理人员的任免与调配、绩效考核和奖惩;研究和审批公司分配体制、劳动用工、劳动工资、劳保福利等各种管理方案,做好宏观调控,充分调动各级管理人员和员工的主动积极性;副总经理总经理总经理助理第3页共214页第2页共214页编号:时间:2021年x月x日书山有路勤为径,学海无涯苦作舟页码:第3页共214页5.11负责公司一级和二级文件、重要三级文件的审核,签批;5.12负责各项加工合同、采购合同等的审批工作;总经办组织架构与部门职责文件编号:PH/MS-01000版本/修改号:A/0页次:第2页/共2页5.13负责召集和主持公司各类重大会议;5.14负责审批各部门负责人的工作计划和总结;5.15指导公司内部企业文化建设,组织开展有关企业文化的活动。6部门关键考核指标6.1销售目标达成率:实际完成销售目标额÷销售目标计划额;6.2回款目标达成率:实际销售回款金额÷销售总额;6.3成本控制率:实际发生成本÷理论成本6.4质量目标达成率a)重大生产经营安全事故:0批次b)已销售成品批次性质量事故0批次c)成品完工批次检验合格率≥99.5%d)健全顾客满意度调查机制,确保顾客满意度≥88分第4页共214页第3页共214页编号:时间:2021年x月x日书山有路勤为径,学海无涯苦作舟页码:第4页共214页XX化妆品公司文件编号:PH/MS-02000版本/修改号:A/0生效日期:2013年08月01日页次:第1页/共2页业务部行政组织架构与部门职责编写审核审批1目的明确业务部组织架构与管理职责,促使业务工作有效运作,特制定本制度。2适用范围适用于业务部。3组织架构4职责4.1根据公司发展要求,结合市场动态,制定公司的业务发展规划,制定和分解客户的月度和年度市场销售目标和发展目标,拟定并推进目标的实施与考核,适时分析和调整。4.2负责制定《合同评审》的程序并组织落实,并负责与客户的合同批准跟进和签订;4.3负责客户产品、服务要求的差异识别,并及时反馈公司内部执行部门,确保内外有效沟通;4.4负责策划开展新产品、新材料等市场信息调研工作,及时分析整理市场需求信息;业务总监业务助理业务专员策划平面设计师第5页共214页第4页共214页编号:时间:2021年x月x日书山有路勤为径,学海无涯苦作舟页码:第5页共214页提出...

1、当您付费下载文档后,您只拥有了使用权限,并不意味着购买了版权,文档只能用于自身使用,不得用于其他商业用途(如 [转卖]进行直接盈利或[编辑后售卖]进行间接盈利)。
2、本站所有内容均由合作方或网友上传,本站不对文档的完整性、权威性及其观点立场正确性做任何保证或承诺!文档内容仅供研究参考,付费前请自行鉴别。
3、如文档内容存在违规,或者侵犯商业秘密、侵犯著作权等,请点击“违规举报”。

碎片内容

化妆品公司各部门架构_职责和各岗位说明书

确认删除?
VIP
微信客服
  • 扫码咨询
会员Q群
  • 会员专属群点击这里加入QQ群
客服邮箱
回到顶部