电脑桌面
添加小米粒文库到电脑桌面
安装后可以在桌面快捷访问

大型桥梁盖梁支模架施工方案培训资料VIP免费

大型桥梁盖梁支模架施工方案培训资料_第1页
1/69
大型桥梁盖梁支模架施工方案培训资料_第2页
2/69
大型桥梁盖梁支模架施工方案培训资料_第3页
3/69
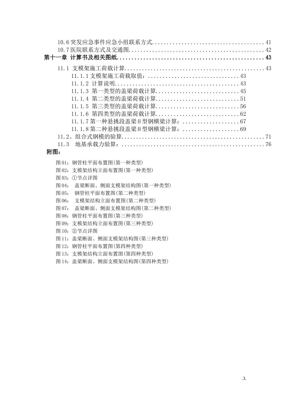
大型桥梁盖梁支架施工专项方案编制:审核:审批:XXXX年X月X日.1.目录第一章编制依据.............................................................11.1编制依据............................................................1第二章工程概况.............................................................22.1工程概况............................................................22.2桥梁结构形式概况....................................................2第三章施工计划.............................................................53.1施工进度计划........................................................53.2施工人员、材料与设备计划............................................5第四章支模架搭设施工工艺技术..............................................104.1支模架搭设总体施工方案.............................................104.2支架搭设...........................................................124.5模板施工...........................................................16第五章支架拆除............................................................185.1支架拆除...........................................................185.2支架拆除的技术要求.................................................185.3安全注意事项.......................................................19第六章混凝土施工..........................................................216.1混凝土浇筑施工.....................................................216.2现浇施工的技术措施.................................................226.3监测措施...........................................................24第七章施工质量保证措施....................................................277.1管理措施...........................................................277.2制度措施...........................................................277.3过程控制...........................................................277.4质量检验...........................................................287.5技术组织措施.......................................................28第八章安全生产保证措施....................................................328.1管理措施...........................................................328.2制度措施...........................................................328.3施工安全保证措施...................................................32第九章文明施工措施........................................................35第九章文明施工措施........................................................36第十章支架施工应急预案....................................................3810.1组织机构及紧急事故处置原则........................................3810.2紧急事故处理程序..................................................3810.3各类主要可能发生的紧急事件处理措施................................3910.4抢险物资及交通工具的准备..........................................4110.5突发应急事件的分析与报告..........................................41.2.10.6突发应急事件应急小组联系方式......................................4110.7医院联系方式及交通图..............................................42第十一章计算书及相关图纸..................................................4311.1支模架施工荷载计算................................................4311.1.1支模架施工荷载取值:...............................4311.1.2计算说明..........................................4311.1.3第一类型的盖梁荷载计算............................4511.1.4第二类型...

1、当您付费下载文档后,您只拥有了使用权限,并不意味着购买了版权,文档只能用于自身使用,不得用于其他商业用途(如 [转卖]进行直接盈利或[编辑后售卖]进行间接盈利)。
2、本站所有内容均由合作方或网友上传,本站不对文档的完整性、权威性及其观点立场正确性做任何保证或承诺!文档内容仅供研究参考,付费前请自行鉴别。
3、如文档内容存在违规,或者侵犯商业秘密、侵犯著作权等,请点击“违规举报”。

碎片内容

大型桥梁盖梁支模架施工方案培训资料

您可能关注的文档

中小学资料+ 关注
实名认证
内容提供者

精美课件,值得下载

确认删除?
VIP
微信客服
  • 扫码咨询
会员Q群
  • 会员专属群点击这里加入QQ群
客服邮箱
回到顶部