电脑桌面
添加小米粒文库到电脑桌面
安装后可以在桌面快捷访问

山西省汽车维修企业质量信誉考核标准VIP免费

山西省汽车维修企业质量信誉考核标准_第1页
1/4
山西省汽车维修企业质量信誉考核标准_第2页
2/4
山西省汽车维修企业质量信誉考核标准_第3页
3/4
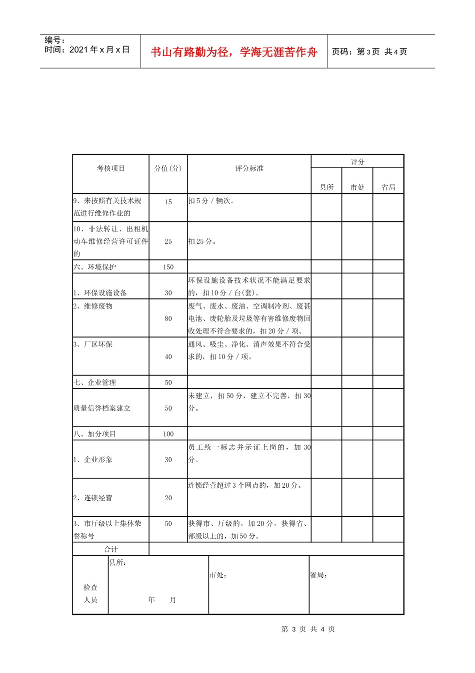
第1页共4页编号:时间:2021年x月x日书山有路勤为径,学海无涯苦作舟页码:第1页共4页山西省汽车维修企业质量信誉考核标准考核项目分值(分)评分标准评分县所市处省局一、从业人员素质100从业人员获取从业资格证件比例(1)技术负责人员和质量检验人员50经全国统一考试合格人数占总人数比例l00%起,每降低5%,扣4分。(2)其他维修技术人员50经全国统一考试合格人数占总人数比例l00%起,每降低5%,扣3分。二、安全生产1501、安全生产制度60无安全生产责任制或安全应急预案的,不得分,制度不健全或执行不到位的,扣10分/项。2、安全保护措施和消防设施30不符合要求的,扣l0分/项。3、安全事故60发生生产安全责任事故,造成人员住院的,扣30分/起;造成入员死亡的,扣60分。三、维修质量2001、质量保证体系40质量保证体系建设不完善或执行不到位的,扣10分/项。2、维修配件(1)采购登记20采购的维修配件未按要求进行登记的.扣5分/件。(2)旧件处理20换下的配件、总成未交托修方自行处理的.扣5分/件。(3)配件明示20未将原厂件、副厂件、修复件分别明码标价的,扣5分/件。3、质量保证50未按规定执行机动车维修质量保证制度的.扣l0分/辆次。4,出厂合格证50未按规定签发出厂合格证的.扣lO分/辆次。四、服务质量200未公示服务机构、流程、监督台(包第2页共4页第1页共4页编号:时间:2021年x月x日书山有路勤为径,学海无涯苦作舟页码:第2页共4页1、服务公示20括服务人员照片、工号、监督电话)以及投诉程序的,扣5分/项。考核项目充值(分)评分标准评分县所市处省局2、维修透明度40维修项目未与车主沟通的,扣10分/辆次;修车现场不可视的,扣10分。3、用户满意艘30用户满意度100%起,每降低5%,扣3分.4、有责投诉60扣30分/次,被媒体曝光,经查实存在严重损害维修行业信誉行为的,扣60分/次。5、强务质量事件50发生重大股务质量事件的,扣50分/起。五、遵章守纪1501、末将机动车维修经营许可证件和《机动车维修标志牌》悬挂在经营场所的醒目位置的10扣l0分。2、变更名称、法定代表人、地址等事项,未按规定备案的10扣l0分。3、采按规定公布机动车缎修工时定额和收费标准的15扣15分。4、机动车维修工时单价未按规定备案的lO扣l0分。5、只收费不维修或者虚列维修作业项目的20扣1O分/辆次。6、未使用规定的结算清单格式的lO扣5分/辆次。7、未按规定报送绕计资料的10扣20分/次。8、伪造、倒卖或转借机动车维修合格证的25扣5分/张。第3页共4页第2页共4页编号:时间:2021年x月x日书山有路勤为径,学海无涯苦作舟页码:第3页共4页考核项目分值(分)评分标准评分县所市处省局9、来按照有关技术规范进行维修作业的15扣5分/辆次。10、非法转让、出租机动车维修经营许可证件的25扣25分。六、环境保护1501、环保设施设备30坏保设施设备技术状况不能满足要求的,扣l0分/台(套)。2、维修废物80废气、废水、废油、空调制冷剂、废甚电池、废轮胎及垃圾等有害维修废物回收处理不符合要求的,扣20分/项。3、厂区坏保40通风、吸尘、净化、消声效果不符合受求的,扣l0分/项。七、企业管理50质量信誉档案建立50未建立,扣50分,建立不完善,扣30分。八、加分项目1001、企业形象30员工统一标志并示证上岗的,加30分。2、连锁经营20连锁经营超过3个网点的,加20分。3、市厅级以上集体荣誉称号50获得市、厅级的,加20分,获得省、部级以上的,加50分。合计检查人员县所:年月市处:省局:第4页共4页第3页共4页编号:时间:2021年x月x日书山有路勤为径,学海无涯苦作舟页码:第4页共4页签字年月年月

1、当您付费下载文档后,您只拥有了使用权限,并不意味着购买了版权,文档只能用于自身使用,不得用于其他商业用途(如 [转卖]进行直接盈利或[编辑后售卖]进行间接盈利)。
2、本站所有内容均由合作方或网友上传,本站不对文档的完整性、权威性及其观点立场正确性做任何保证或承诺!文档内容仅供研究参考,付费前请自行鉴别。
3、如文档内容存在违规,或者侵犯商业秘密、侵犯著作权等,请点击“违规举报”。

碎片内容

山西省汽车维修企业质量信誉考核标准

中小学资料+ 关注
实名认证
内容提供者

精美课件,值得下载

确认删除?
VIP
微信客服
  • 扫码咨询
会员Q群
  • 会员专属群点击这里加入QQ群
客服邮箱
回到顶部