电脑桌面
添加小米粒文库到电脑桌面
安装后可以在桌面快捷访问

人力资源-2022JYB-KB-P系列压力变送器说明书VIP免费

人力资源-2022JYB-KB-P系列压力变送器说明书_第1页
1/3
人力资源-2022JYB-KB-P系列压力变送器说明书_第2页
2/3
人力资源-2022JYB-KB-P系列压力变送器说明书_第3页
3/3
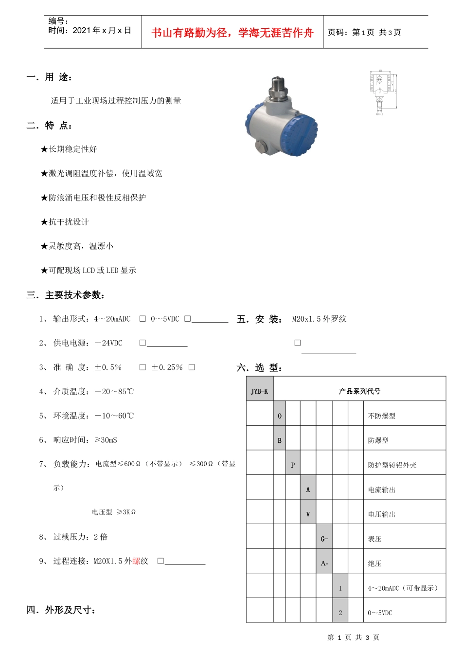
第1页共3页编号:时间:2021年x月x日书山有路勤为径,学海无涯苦作舟页码:第1页共3页一.用途:适用于工业现场过程控制压力的测量二.特点:★长期稳定性好★激光调阻温度补偿,使用温域宽★防浪涌电压和极性反相保护★抗干扰设计★灵敏度高,温漂小★可配现场LCD或LED显示三.主要技术参数:1、输出形式:4~20mADC□0~5VDC□2、供电电源:+24VDC□3、准确度:±0.5%□±0.25%□4、介质温度:-20~85℃5、环境温度:-10~60℃6、响应时间:≥30mS7、负载能力:电流型≤600Ω(不带显示)≤300Ω(带显示)电压型≥3KΩ8、过载压力:2倍9、过程连接:M20X1.5外螺纹□四.外形及尺寸:五.安装:M20x1.5外罗纹□六.选型:JYB-K产品系列代号O不防爆型B防爆型P防护型铸铝外壳A电流输出V电压输出G-表压A-绝压14~20mADC(可带显示)20~5VDC第2页共3页第1页共3页电流表端子接线,两线电流输出-+电源+显示(二次仪表)或控制系统24V+--+-二线制电流输出接线图端子接线,三线电流输出24V-+电源+out电流表+--显示(二次仪表)或控制系统+-三线制电流输出接线图24Vout+-电源+显示(二次仪表)或控制系统电压表--+V-+三线电流压出接线图编号:时间:2021年x月x日书山有路勤为径,学海无涯苦作舟页码:第2页共3页30~10mADCX指针显示(0~100%)ELED显示(实际值)ZLCD显示(实际值)七.接线:八.防爆型压力接线图:九.注意事项1、请检查包装是否完好,并核对变送器型号和规格是否与您选购的产品相符;2、不能带电接线,接完线检查无误后方可通电;3、用户在使用时不要改动本产品出厂时已焊好的元器件和已接好的导线;4、传感器属于精密器件,用户在使用时请不要自行拆卸,第3页共3页第2页共3页编号:时间:2021年x月x日书山有路勤为径,学海无涯苦作舟页码:第3页共3页更不能触碰膜片,以免造成产品的损坏;5、请保存好检定证书和合格证,维修时随同产品一同返回。

1、当您付费下载文档后,您只拥有了使用权限,并不意味着购买了版权,文档只能用于自身使用,不得用于其他商业用途(如 [转卖]进行直接盈利或[编辑后售卖]进行间接盈利)。
2、本站所有内容均由合作方或网友上传,本站不对文档的完整性、权威性及其观点立场正确性做任何保证或承诺!文档内容仅供研究参考,付费前请自行鉴别。
3、如文档内容存在违规,或者侵犯商业秘密、侵犯著作权等,请点击“违规举报”。

碎片内容

人力资源-2022JYB-KB-P系列压力变送器说明书

您可能关注的文档

确认删除?
VIP
微信客服
  • 扫码咨询
会员Q群
  • 会员专属群点击这里加入QQ群
客服邮箱
回到顶部