电脑桌面
添加小米粒文库到电脑桌面
安装后可以在桌面快捷访问

宝怡以绩效为导向的工资制度设计VIP免费

宝怡以绩效为导向的工资制度设计_第1页
1/6
宝怡以绩效为导向的工资制度设计_第2页
2/6
宝怡以绩效为导向的工资制度设计_第3页
3/6
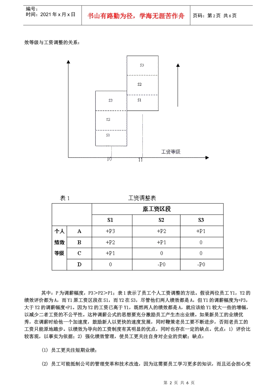
第1页共6页编号:时间:2021年x月x日书山有路勤为径,学海无涯苦作舟页码:第1页共6页深圳市宝怡珠宝首饰有限公司以绩效为导向的工资制度设计许多企业在设计工资制度时,更多地考虑是公平与不公平,而没有去深层次分析工资分配后员工的行为会有什么变化,公司想牵引员工关注什么。可以说,不管在社会或企业,绝对的公平是不存在的,甚至于有时公平与效益是一对矛盾的孪生体。一个没有理想的企业终究不能成就一番宏伟事业;没有先进的价值观念的企业也不能成为历史的先导者;即使有了先进的价值观念,但没有在全体员工心中生下根也不能滋生出市场竞争力。薪酬分配是最能直接影响员工行为的手段,因此我们在设计工资制度时必须明确公司的价值导向是什么?在益华时代管理咨询公司给众多企业的咨询服务中,问到企业高层主管你们企业的分配制度中倡导的价值观是什么?绝大多数人经过沉思后回答:“不清楚”。制度的制定者都不知道想干什么,员工能知道应该干什么吗?经过对各类成功企业的分析,我们发现不同文化特征的企业有不同的价值导向。主要有以绩效为导向、以行为为导向、以素质为导向、以职位为导向或以市场为导向,在此我们着重讨论一种工资制度,即以绩效为导向的工资制度设计方法。以绩效为导向的工资制度强调员工的工资调整取决于员工个人、部门及公司的绩效,以成果与贡献度为评价标准,其主要特征:①注重对个人绩效差异的评定,认为绩效的差异反映了个人在能力和工作态度上的差异;②个人的工资增长与个人的绩效直接挂钩;③强调以目标达成为主要评价依据,注重结果;通过益华时代管理咨询公司对企业的研究发现,如果工资基于个人的绩效,低绩效者的离职率就高;如果个人的绩效不与工资挂钩,则高绩效者的离职率就高。以绩效为导向的工资制度,通过绩效结果与工资评定的有机结合,其目的为:①有效促进公司战略目标的传递与分解;②强化员工的直接贡献和不断地改进绩效;③使工资分配更加客观;④使工资分配具有更大的可变性,强化激励效果。一、绩效结果与工资评定相结合的方法在设计工资制度时,首先要确定企业内的工资等级数,这要根据企业的规模大小和公司文化特征决定,少的企业只有7-8级,多的企业有40多级。如图1所示,假设10、11级为其中二个工资等级,我们把每个工资等级的工资区间划分为S1、S2、S3三段。假定某一公司员工年终绩效评定等级为A、B、C、D四个等级,其中A为最高等级,那么绩效评定结果与工资等级如何结合起来呢?表1表示了员工个人的绩第2页共6页第1页共6页编号:时间:2021年x月x日书山有路勤为径,学海无涯苦作舟页码:第2页共6页效等级与工资调整的关系:其中:P为调薪幅度,P3>P2>P1;表1表示了员工个人工资调整的方法。假设两位员工Y1,Y2的绩效评价都为A,而Y1原工资区段在S1,而Y2在S3,尽管他们两人绩效都是A,但Y1的调薪幅度为+P3,大于Y2的调薪幅度+P1。因为Y2的工资已高于Y1,既然两人的绩效都是A,就应该给Y1较大一些的增幅,以减少二者工资的不公平性。这种调薪公式的思想要充分激励员工产生杰出业绩。如果新员工的业绩优秀,在调薪时给他一个加速度,鼓励新人以更快的速度发展,同时鞭策老员工要不断进步,否则老员工的工资只能原地踏步。以绩效为导向的工资制度有其明显的优点,同时也存在一定的缺点。优点:1)评价比较客观,以事实为依据;2)强化绩效管理,使员工更关注自身对企业的贡献;缺点:(1)员工更关注短期业绩;(2)员工可能抵制公司的管理变革和技术改造,因为这需要员工学习更多的知识,而且还会担心变第3页共6页第2页共6页编号:时间:2021年x月x日书山有路勤为径,学海无涯苦作舟页码:第3页共6页革可能会给自身带来利益损失;(3)员工由于害怕会提高生产标准而更不愿意建议采用新的生产方法;(4)有经验的员工不愿意对新员工进行在职培训,导致新员工离职率增加;(5)由于绩效评价中产生误差也会影响工资评价的公平性;从上面优缺点分析来看,似乎缺点比优点更多。在益华时代管理咨询公司对中国企业的研究分析中发现,绝大部分成功的中国企业强调以绩效为导向。区别二个公司能否持续取得成功的关键点是如何来管理绩效。...

1、当您付费下载文档后,您只拥有了使用权限,并不意味着购买了版权,文档只能用于自身使用,不得用于其他商业用途(如 [转卖]进行直接盈利或[编辑后售卖]进行间接盈利)。
2、本站所有内容均由合作方或网友上传,本站不对文档的完整性、权威性及其观点立场正确性做任何保证或承诺!文档内容仅供研究参考,付费前请自行鉴别。
3、如文档内容存在违规,或者侵犯商业秘密、侵犯著作权等,请点击“违规举报”。

碎片内容

宝怡以绩效为导向的工资制度设计

确认删除?
VIP
微信客服
  • 扫码咨询
会员Q群
  • 会员专属群点击这里加入QQ群
客服邮箱
回到顶部