电脑桌面
添加小米粒文库到电脑桌面
安装后可以在桌面快捷访问

压力容器质量控制点一览表VIP专享VIP免费

压力容器质量控制点一览表_第1页
1/8
压力容器质量控制点一览表_第2页
2/8
压力容器质量控制点一览表_第3页
3/8
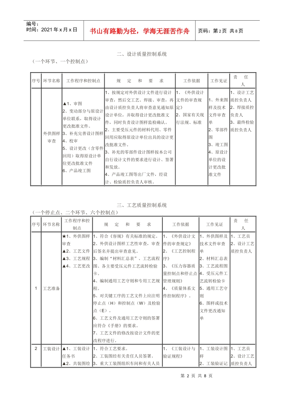
第1页共8页编号:时间:2021年x月x日书山有路勤为径,学海无涯苦作舟页码:第1页共8页压力容器质量控制点一览表一、压力容器生产过程停止点序号停止点停止时间确认内容和执行条例执行人确认人见证件1审图编制受压元件工艺流转检验卡之前(1)图纸的合法性,有设计资格印章。(2)选用标准的有效性。(3)容器划类的正确性。(4)探伤比例、合格级别的正确性。(5)结构、选材是否符合有关法规。(6)本公司制造的可行性。设计、工艺质控负责人质保工程师审图记录2材料验收原材料(焊材)进入合格区(一级库之前)(含外协构件)(1)审查材料原始质量证明书(原件)。(2)审查验收记录。(3)审核材料复验报告。(4)外协件质量证明书、合格证。均合格后签字放行。材料检验员材料质控负责人材料入库通知单3焊接工艺评定编制焊接工艺卡之前(1)产品新做的焊接工艺评定必须按JB4708评定合格,并经总工程师批准后才能用于编制焊接工艺卡。焊接工艺员焊接质控负责人总工程师焊接流转检验卡焊接工艺卡下发之后(2)所有焊卡应有焊接工艺评定为依据,并符合JB4708的要求。4划线开孔开孔之前按产品的开孔方位图逐个核对其划线位置(产品总装过程中)。冷作检验员检验质控负责人工艺流转检验卡5耐压试验水、气压试验之前(1)审查检验资料,无漏检、错检,且所有检验项目均合格。(2)应装配的零部件(含铭牌)均已装配妥当。(3)对产品焊接试板进行审查,并有合格报告。(4)图纸规定的无损检测均已结束,并有合格报告。(5)应返修的部位均有返修报告,并有复检报告。总检验员探伤员检验质控负责人无损检测质控负责人(1)汇总资料;(2)签字齐全。探伤报告水、气压试验过程中(1)检查试压设备的完好情况;(2)监督按试压程序进行试压;(3)确认试压结果。检验员压力试验质控负责人(驻厂监检、第三方或用户现场监督)第2页共8页第1页共8页编号:时间:2021年x月x日书山有路勤为径,学海无涯苦作舟页码:第2页共8页二、设计质量控制系统(一个环节、一个控制点)序号环节名称工作程序和控制点规定和要求工作依据工作见证责任人外供图样审查▲1、审图2、变动部分与原设计单位联系,取得设计更改批准文件。3、补充完善设计图样4、校审5、设计更改(含零件回用)取得原设计单位更改批准文件6、产品竣工图1、按规定对外供设计文件进行设计审查,然后交工艺、焊接、审查,再由设计质控负责人将审查意见通知原设计单位,并取得设计更改批准文件,同时负责设计图样监检确认。2、主要受压元件的材料代用、零件回用应取得原设计单位出具的设计更改批准文件。3、补充的零部件设计图样按本公司自行设计文件的要求进行设计、签署和发放。4、产品竣工图等出厂文件,经设计、检验质控负责人审核。1、《外供设计文件的审查规定》2、国家有关现行法规、标准1、外来图样及技术文件审查单2、零部件图3、竣工图4、原设计单位的设计更改批准文件1、设计工艺质控负责人2、焊接质控负责人3、最终检验质控负责人三、工艺质量控制系统(一个停止点、二个环节、六个控制点)序号环节名称工作程序和控制点规定和要求工作依据工作见证责任人1工艺准备★1、外供图样审查▲2、工艺文件▲3、工艺规程▲4、工艺更改1、符合《容规》有关标准的规定。2、外供设计图样工艺性审查,审查后签名并提出审查意见。3、编制“材料汇总表”、工艺流程图、各主要受压元件工艺流转检验卡。4、编制通用工艺守则和专用工艺规程。5、对关键工序的工艺文件上应注明停止点(H)和控制点(W)及检验点(E)。6、工艺文件及通用工艺守则的签署应符合《手册》的要求。7、工艺文件的修改按设计文件的更改程序进行。1、《外供设计文件的审查规定》2、《工艺控制程序》3、《压力容器质量控制点和停止点管理规则》4、《质量体系文件控制程序》。1、外供图样及技术文件审查单2、材料汇总表3、工艺流程图4、受压元件工艺流转检验卡5、通用工艺守则6、图样或技术文件更改通知单1、工艺员2、设计工艺质控负责人2工装设计▲1、工装设计任务书▲2、共装图绘1、符合工艺要求。2、工装图经有关责任人员签署。3、重大工装图组织车间和有关人员1、《工...

1、当您付费下载文档后,您只拥有了使用权限,并不意味着购买了版权,文档只能用于自身使用,不得用于其他商业用途(如 [转卖]进行直接盈利或[编辑后售卖]进行间接盈利)。
2、本站所有内容均由合作方或网友上传,本站不对文档的完整性、权威性及其观点立场正确性做任何保证或承诺!文档内容仅供研究参考,付费前请自行鉴别。
3、如文档内容存在违规,或者侵犯商业秘密、侵犯著作权等,请点击“违规举报”。

碎片内容

压力容器质量控制点一览表

确认删除?
VIP
微信客服
  • 扫码咨询
会员Q群
  • 会员专属群点击这里加入QQ群
客服邮箱
回到顶部