电脑桌面
添加小米粒文库到电脑桌面
安装后可以在桌面快捷访问

压力管道系统表格VIP免费

压力管道系统表格_第1页
1/77
压力管道系统表格_第2页
2/77
压力管道系统表格_第3页
3/77
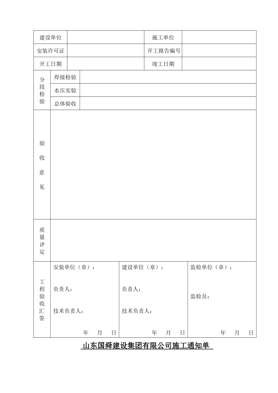
压力管道安装质量证明书工程名称压力管道安装建设单位济南宜和食品有限公司施工单位山东国舜建设集团有限公司交工资料目录年月日建设单位施工单位工程名称序号资料名称编号份数每份页数备注压力管道安装合格证建设单位施工单位安装许可证开工报告编号开工日期竣工日期分段检验焊接检验水压实验总体验收验收意见质量评定工程验收汇签安装单位(章):负责人:技术负责人:年月日建设单位(章):负责人:技术负责人:年月日监检单位(章):监检员:年月日山东国舜建设集团有限公司施工通知单建设单位施工单位工程名称工程编号开工日期年月日竣工日期年月日工程责任人员任命:工程内容及技术内容:备注:签发:年月日图纸会审记录建设单位施工单位工程名称会审地点单位工程名称会审日期会审中发现的问题处理意见和解决办法主持单位及负责人工程负责人:年月日签字建设单位监理单位施工单位现场负责人:年月日监理工程师:年月日现场负责人:检验员:班组长:年月日设计变更申请单工程名称施工图号签字建设单位监理单位施工单位现场负责人:年月日监理工程师:年月日现场负责人:检验员:班组长:年月日技术交底记录建设单位施工单位工程名称交底日期单位工程名称交底地点技术交底简要内容及有关事项:签名交底人:年月日接受人:年月日安全交底记录建设单位施工单位工程名称交底日期单位工程名称交底地点安全交底简要内容及有关事项:签名交底人:年月日接受人:年月日材料计划表材料名称图号施工令号序号材料(附件)名称规格型号单位数量备注制表审核压力管道材料采购申请表项目编号:序号材料名称材料编号规格型号单位计划数量技术标准及验证要求特殊要求进货期限备注编制:审核:年月日材料进场明细表序号材料名称规格型号执行标准数量送货人进场日期收货人备注制表人:材料登记表序号材料名称质保书编号进场日期生产厂家规格尺寸重量(T)炉号批号检验结果材料移植号安装令号管道号备注设备开箱验收单建设单位施工单位工程名称单位工程名称进场时间开箱时间类别设备名称设备材质规格型号制造厂出厂时间设备资料单位数量备注装箱单合格证使用说明书易损件图纸及目录装配图、原理图、接线图附属设备品名规格单位数量备注进场材料检验记录建设单位施工单位工程名称进场日期材料名称材料数量序号项目标准要求或允许偏差检验结果1是否具有生产厂家合格证2材料规格、材质是否符合设计规定3材料标识是否符合合格证明4外径5壁厚验收意见质量评定签名建设单位监理单位施工单位现场代表:年月日监理工程师:年月日现场负责人:现场质检员:年月日焊材发放与回收记录年月日建设单位施工单位工程名称施工图号焊工姓名钢印号焊件名称日期年月日材料名称焊材发放焊材回收备注型号牌号批号规格发出数量经手人型号牌号批号规格回收数量经手人材料发放记录序号材料名称规格型号领用数量领用人领用日期实用数量回收数量回收日期经办人制表人:材料领用单(不)项目名称:年月日部件名称材料名称材质标记规格数量(件)重量(t)备注班组负责人:领料人:发料人:……………………………………………………………材料领用单项目名称:年月日部件名称材料名称材质标记规格数量(件)重量(t)备注班组负责人:领料人:发料人:……………………………………………………………材料领用单项目名称:年月日部件名称材料名称材质标记规格数量(件)重量(t)备注班组负责人:领料人:发料人:焊材验收入库通知单焊材名称牌号焊材代号规格数量进场日期供货单位生产厂家出场日期证书编号批号焊材标准检验结果质证书审查标记复核焊条外观质量包装受潮情况药皮锈蚀情况偏心度工艺性能工艺性能试验报告单号焊丝包装检查锈蚀情况直径实测尺寸mm焊剂包装检查受潮情况颗粒检查结论材料检验员:年月日现场质检责任人:年月日焊材入库登记台帐序号日期名称牌号型号规格数量批号焊材编号备注焊材保管环境条件记录日期时间温度(οC)湿度(%)记录人日期时间温度(οC)湿度(%)记录人上午上午下午下午上午上午下午下午上午上午下午下午上午上午下午下午上午上午下午下午上午上午下午下午上午上午下午下午上午上午下午下午上午上午下午下午外购管...

1、当您付费下载文档后,您只拥有了使用权限,并不意味着购买了版权,文档只能用于自身使用,不得用于其他商业用途(如 [转卖]进行直接盈利或[编辑后售卖]进行间接盈利)。
2、本站所有内容均由合作方或网友上传,本站不对文档的完整性、权威性及其观点立场正确性做任何保证或承诺!文档内容仅供研究参考,付费前请自行鉴别。
3、如文档内容存在违规,或者侵犯商业秘密、侵犯著作权等,请点击“违规举报”。

碎片内容

压力管道系统表格

确认删除?
VIP
微信客服
  • 扫码咨询
会员Q群
  • 会员专属群点击这里加入QQ群
客服邮箱
回到顶部