电脑桌面
添加小米粒文库到电脑桌面
安装后可以在桌面快捷访问

环境监理常用表格(DOC38页)VIP免费

环境监理常用表格(DOC38页)_第1页
1/52
环境监理常用表格(DOC38页)_第2页
2/52
环境监理常用表格(DOC38页)_第3页
3/52
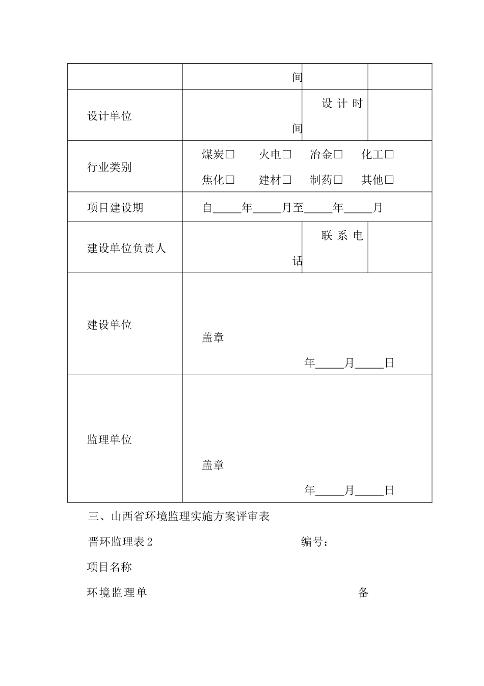
环境监理常用表格一、环境监理单位监理工作表晋环监理表3编号:环境监理单位备案号项目名称行业范围建设地址建设规模建设性质建设单位负责人联系方式项目负责人联系方式常驻代表联系方式联系方式现场监理人员职称职称职称职称方案编写方案审核进驻现场时间环境监理单位盖章年月日二、山西省环境监理项目备案表晋环监理表1年月日编号:项目名称建设地址建设性质建设规模环评批复文号批复时间工程总投资环保投资环境监理协议金额环评单位环评时间设计单位设计时间行业类别煤炭□火电□冶金□化工□焦化□建材□制药□其他□项目建设期自年月至年月建设单位负责人联系电话建设单位盖章年月日监理单位盖章年月日三、山西省环境监理实施方案评审表晋环监理表2编号:项目名称环境监理单备位案号备案监理范围项目负责人方案编写方案审核提交日期评审日期评审意见山西省环境监理协会(盖章)评审人四、环境保护监理联系单合同号:编号:施工单位:监理单位:致:事由:内容:签发单位:签名:日期:本表监理单位、施工单位两用,一式两份,归档保存。五、拌和场排放达标检验报告单合同号:编号:施工单位:监理单位:致(监理驻地办):我部业已完成开工前的环保措施实施达标工作。请予检验。施工单位:项目经理:日期:自检记录:监理工程师检验意见:监理工程师:日期:本表施工单位专用,一式两份,监理单位签收后归档保存。六、报验申请表工程名称:编号:致:监理有限公司我单位已完成了工作,现报上该工程报验申请表,请予以审查和验收。附件:承包单位(章)项目经理日期审查意见:项目监理机构总/专业监理工程师日期七、工程环境事故处理方案审批表合同号:编号:施工单位:监理单位:致(监理驻地办):年月日时在部位(详见设计图纸),发生的环境污染/生态破坏事故,已于月日提出《工程环境事故报告单》,现提出处理方案:附件:1.工程环保事故详细报告2.工程环保事故处理方案施工单位:项目经理:日期:监理单位审查意见:现场监理工程师:日期:驻地监理工程师:日期:建设单位意见:负责人:日期:抄报:本表由施工单位填报,一式四份,建设、监理、施工、设计单位各一份,重大事故报环保局。八、工程环境污染/生态破坏事故报告单合同号:编号:施工单位:监理单位:致(监理驻地办):年月日时在部位(详见设计图纸),发生环境污染、生态破坏事故,报告如下:1.问题(事故)经过及原因的初步分析:2.造成环境污染/生态破坏情况:3.补救措施及初步处理意见:待进一步调查后,在另作详细报告,并提出处理方案上报审查。施工单位:项目经理:日期:监理单位意见:现场监理工程师:日期:驻地监理工程师:日期:建设单位意见:负责人:日期:抄报:本表由施工单位填报,一式四份,建设、监理、施工、设计单位各一份,重大环境污染事故报当地环境保护行政主管部门。九、工程监理月报***************************************************************年月第期工程名称:项目总监:项目监理部(章):编写日期:山西德圣工程咨询有限公司目录一、工程概况二、本月工程概况三、工程进度四、工程质量1、本月进场材料(半成品)记录登记表2、本月试验记录登记表3、本月检验批工程质量验收统计表4、本月分部分项工程质量验收统计表五、工程计量与工程款支付六、合同其它几项的处理情况1、工程变更2、工程延期3、费用索赔七、本月监理工作小结1、对本月进度、质量、工程款支付等方面情况的综合评价2、本月监理工作情况3、有关本工程的意见和建议4、下月监理工作的重点八、工程照片一、工程概况工程基本情况合同情况质量目标合格工期合同价二、本月工程概况相关情况登记本月日历天数天实际工作日天监理指令份监理工程师通知单份监理工作联系单份来往函件份工程变更份未经监理工程师认可份例会会议纪要份专题会份本月施工情况概述三、工程进度本月形象进度本月计划完成至本月实际完成至本月提前/滞后天数天原因:累计提前/滞后天数天本月批准延长工期天本月实际完成情况与计划进度比较对进度完成情况及采取措施效果的分析本月质量控制情况登记本月抽查、见证试验次数次试验结果不合格次...

1、当您付费下载文档后,您只拥有了使用权限,并不意味着购买了版权,文档只能用于自身使用,不得用于其他商业用途(如 [转卖]进行直接盈利或[编辑后售卖]进行间接盈利)。
2、本站所有内容均由合作方或网友上传,本站不对文档的完整性、权威性及其观点立场正确性做任何保证或承诺!文档内容仅供研究参考,付费前请自行鉴别。
3、如文档内容存在违规,或者侵犯商业秘密、侵犯著作权等,请点击“违规举报”。

碎片内容

环境监理常用表格(DOC38页)

确认删除?
VIP
微信客服
  • 扫码咨询
会员Q群
  • 会员专属群点击这里加入QQ群
客服邮箱
回到顶部