电脑桌面
添加小米粒文库到电脑桌面
安装后可以在桌面快捷访问

某特种工艺厂的岗位规范VIP免费

某特种工艺厂的岗位规范_第1页
1/28
某特种工艺厂的岗位规范_第2页
2/28
某特种工艺厂的岗位规范_第3页
3/28
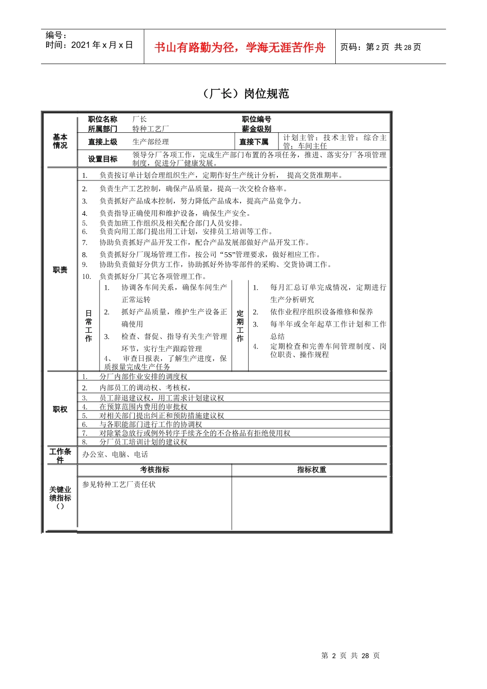
第1页共28页编号:时间:2021年x月x日书山有路勤为径,学海无涯苦作舟页码:第1页共28页特种工艺厂岗位规范第2页共28页第1页共28页编号:时间:2021年x月x日书山有路勤为径,学海无涯苦作舟页码:第2页共28页(厂长)岗位规范基本情况职位名称厂长职位编号所属部门特种工艺厂薪金级别直接上级生产部经理直接下属计划主管;技术主管;综合主管;车间主任设置目标领导分厂各项工作,完成生产部门布置的各项任务,推进、落实分厂各项管理制度,促进分厂健康发展。职责1.负责按订单计划合理组织生产,定期作好生产统计分析,提高交货准期率。2.负责生产工艺控制,确保产品质量,提高一次交检合格率。3.负责抓好产品成本控制,努力降低产品成本,提高产品竟争力。4.负责指导正确使用和维护设备,确保生产安全。5.负责加班工作组织及相关配合部门人员安排。6.负责向用工部门提出用工计划,安排员工培训等工作。7.协助负责抓好产品开发工作,配合产品发展部做好产品开发工作。8.负责抓好分厂现场管理工作,按公司“5S”管理要求,做好相应工作。9.协助负责做好分供方工作,协助抓好外协零部件的采购、交货协调工作。10.负责抓好分厂其它各项管理工作。日常工作1.协调各车间关系,确保车间生产正常运转2.抓好产品质量,维护生产设备正确使用3.检查、督促、指导有关生产管理环节,实行生产跟踪管理4、审查日报表,了解生产进度,保质报量完成生产任务定期工作1.每月汇总订单完成情况,定期进行生产分析研究2.依作业程序组织设备维修和保养3.每半年或全年起草工作计划和工作总结4.定期检查和完善车间管理制度、岗位职责、操作规程职权1.分厂内部作业安排的调度权2.内部员工的调动权、考核权,3.员工辞退建议权,用工需求计划建议权4.在预算范围内费用的审批权5.对相关部门提出纠正和预防措施建议权6.与各职能部门进行工作的协调权7.对除紧急放行或例外转序手续齐全的不合格品有拒绝使用权8.分厂员工培训计划的建议权工作条件办公室、电脑、电话关键业绩指标()考核指标指标权重参见特种工艺厂责任状第3页共28页第2页共28页编号:时间:2021年x月x日书山有路勤为径,学海无涯苦作舟页码:第3页共28页工作关系内部工作关系汇报定期向直接上级提交月度工作计划与工作总结定期向直接上级提交产品交货准期率定期向直接上级提交产品一次交检合格率不定期向直接上级提交生产生产过程中存在的需协调问题督导定期检查直属下级各项工作执行情况定期检查直属下级月度工作计划与工作总结定期检查下属各部门“5S”及其它工作执行情况协调与内部分供方协调按时供货计划与内部分供方协调产品改进计划与物流部协调物流管理存在的有关问题外部工作关系与外部分供方协调按时供货计划与外部分供方协调产品改进计划任职资格学历中专以上专业企业管理及相关专业年龄不限性别不限性格外向开朗、耐心尽责、富有亲和力工作经验1年以上车间管理经验岗位所需知识具有相关岗位较丰富的实践经验1年以上制笔专业管理经验岗位技能要求良好的组织协调能力和沟通能力岗位技能培训要求科目名称课时数熟练使用系统和制笔专业知识半天制笔专业实际经验管理沟通技巧半天企业管理两周职前培训新员工入职培训公司管理现状培训职业发展可晋升的职位生产总监、技术总监可转换的职位生产部经理、品管部经理等修订履历修订时间修订内容修订者审核者审批者2004-2-10版本建立2005-4-1版本修订丁明杰柯金财邱智铭第4页共28页第3页共28页编号:时间:2021年x月x日书山有路勤为径,学海无涯苦作舟页码:第4页共28页(厂长助理)岗位规范基本情况职位名称厂长助理职位编号所属部门特种工艺厂薪金级别直接上级厂长直接下属车间主任、计划员、统计员、工艺员设置目标协助厂长进行分厂的日常事务管理,完成订单计划、产品质量、安全生产、组织培训、设备管理、员工管理的工作。职责1.按订单计划组织生产,做好生产统计分析、保证生产品质质量。2.配合厂长做好生产管理、技术管理、质量管理和现场管理。3.配合厂长做好并按要求提出用工计划、人员安排、分析生产进度、检查车间管理现状。4.配合厂长做好设备运行及安全生产工作。5.负责生产一线的加...

1、当您付费下载文档后,您只拥有了使用权限,并不意味着购买了版权,文档只能用于自身使用,不得用于其他商业用途(如 [转卖]进行直接盈利或[编辑后售卖]进行间接盈利)。
2、本站所有内容均由合作方或网友上传,本站不对文档的完整性、权威性及其观点立场正确性做任何保证或承诺!文档内容仅供研究参考,付费前请自行鉴别。
3、如文档内容存在违规,或者侵犯商业秘密、侵犯著作权等,请点击“违规举报”。

碎片内容

某特种工艺厂的岗位规范

您可能关注的文档

确认删除?
VIP
微信客服
  • 扫码咨询
会员Q群
  • 会员专属群点击这里加入QQ群
客服邮箱
回到顶部