电脑桌面
添加小米粒文库到电脑桌面
安装后可以在桌面快捷访问

某发电企业安技部任务绩效考核指标详细说明表VIP专享VIP免费

某发电企业安技部任务绩效考核指标详细说明表_第1页
1/9
某发电企业安技部任务绩效考核指标详细说明表_第2页
2/9
某发电企业安技部任务绩效考核指标详细说明表_第3页
3/9
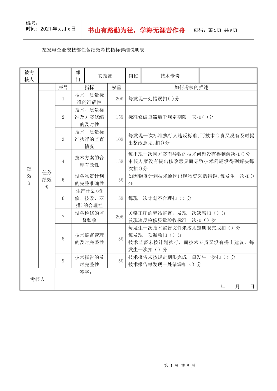
第1页共9页编号:时间:2021年x月x日书山有路勤为径,学海无涯苦作舟页码:第1页共9页某发电企业安技部任务绩效考核指标详细说明表被考核人部门安技部岗位技术专责绩效%序号指标权重如何考核的描述任务绩效%1技术、质量标准的准确性20%每发现一处错误扣()分2技术、质量标准及方案修编的及时性15%标准修编每滞后于规定期限一天扣()分3技术、质量标准执行的监查情况10%每发现一次标准执行人违反标准,而技术专责又没有及时提出整改意见,扣()分4技术方案的合理有效性15%每出现一次因方案而导致的技术问题没有得到解决扣()分审核方案没有提出修改意见而导致技术问题没得到解决每次扣()分5设备物资计划的完整准确性5%如因物资计划技术原因出现物资采购错误,每发生一次扣()分6生产计划(检修、技改、双措)的合理性5%每现一次计划不合理扣()分7设备检修的监督验收20%关键工序的旁站监督,发现一次缺席扣()分发现违反检修质量验收标准一次扣()次8技术监督管理的及时完整性5%每发生一次技术监督文件未按规定期限完成扣()分每发现一项漏项扣()分技术监督未按计划执行,而技术专责又没有提出建议,每发生一次扣()分9技术报告的及时完整性5%技术报告未按规定期限完成,每发生一次扣()分技术报告每发现一处错漏扣()分考核人签字:年月日第2页共9页第1页共9页编号:时间:2021年x月x日书山有路勤为径,学海无涯苦作舟页码:第2页共9页被考核人部门岗位运行及可靠性专责绩效%序号指标权重考核指标释义任务绩效%1可靠性管理原始事件记录收集情况5%错漏次数,每发现一次扣()分2可靠性报表及分析报告的及时性10%每发生一次不及时扣()分3可靠性报表及分析报告的准确性15%每发现一处错漏扣()分4运行技术、质量标准的准确性20%每发现一处错误扣()分5运行技术、质量标准及方案修编的及时性10%标准修编每滞后于规定期限一天扣()分6运行技术、质量标准执行的监查情况10%每发现一次标准执行人违反标准,而技术专责又没有及时提出整改意见,扣()分7非标准运行方式的及时合理安排10%未按照规定期限安排,每发生一次扣()分安排不合理,每出现一次扣()分8同省调中心协调的及时性5%每发生一次不及时扣()分9自动及保护整定值管理15%定值下达如滞后于运行方式的改变,每发生一次扣()分定值数据每出现一处不准确扣()分考核人签字:年月日被考核人部门岗位总工程师绩效%序号指标权重考核指标释义任务绩效%1技术、质量标准及重大技术方案审批的正确性25%每发现一处错漏扣()分第3页共9页第2页共9页编号:时间:2021年x月x日书山有路勤为径,学海无涯苦作舟页码:第3页共9页2技术、质量标准及重大技术方案审批的及时性15%每发生一次不及时扣()分3定值管理审批的及时准确性15%定值下达如滞后于运行方式的改变,每发生一次扣()分定值数据每出现一处不准确扣()分4技术报告的及时完整性10%技术报告未按规定期限完成,每发生一次扣()分技术报告每发现一处错漏扣()分5设备检修的总体验收25%如经总体验收后设备出现影响系统的重大问题每次扣()分6设备物资计划的审定10%如因物资计划技术原因出现物资采购重大错误,每发生一次扣()分考核人签字:年月日被考核人部门岗位安全监察专责绩效%序号指标权重考核指标释义任务绩效%1两票三制的执行情况抽查发现两票三制未按规定执行,安检人员未及时发现,每发现一次扣()分;2两措计划编制的完善性3对两措计划执行的监察情况已批准的计划未按照要求实施,安监人员又未及时记录和上报,每发现一项扣()分4事故分析报告的及时性事故分析报告未按照电业生产事故调查规程要求时间及时上报相关部门,每发生一次扣()分5安全生产简报编写的及时准确性简报完成时间每拖后一天扣()分每发现一次错漏,扣()分6安全生产台帐完整性没发现一次错漏扣()分考核人签字:年月日被考核人部门岗位设备物资专责第4页共9页第3页共9页编号:时间:2021年x月x日书山有路勤为径,学海无涯苦作舟页码:第4页共9页绩效%序号指标权重考核指标释义任务绩效%1物资采购的及时准确及价格合理性30%每发生一次物资采购不及时扣()分每发现一次物资采购不符合规格型号要求...

1、当您付费下载文档后,您只拥有了使用权限,并不意味着购买了版权,文档只能用于自身使用,不得用于其他商业用途(如 [转卖]进行直接盈利或[编辑后售卖]进行间接盈利)。
2、本站所有内容均由合作方或网友上传,本站不对文档的完整性、权威性及其观点立场正确性做任何保证或承诺!文档内容仅供研究参考,付费前请自行鉴别。
3、如文档内容存在违规,或者侵犯商业秘密、侵犯著作权等,请点击“违规举报”。

碎片内容

某发电企业安技部任务绩效考核指标详细说明表

确认删除?
VIP
微信客服
  • 扫码咨询
会员Q群
  • 会员专属群点击这里加入QQ群
客服邮箱
回到顶部