电脑桌面
添加小米粒文库到电脑桌面
安装后可以在桌面快捷访问

钢筋气压焊技术交底VIP免费

钢筋气压焊技术交底_第1页
1/3
钢筋气压焊技术交底_第2页
2/3
钢筋气压焊技术交底_第3页
3/3
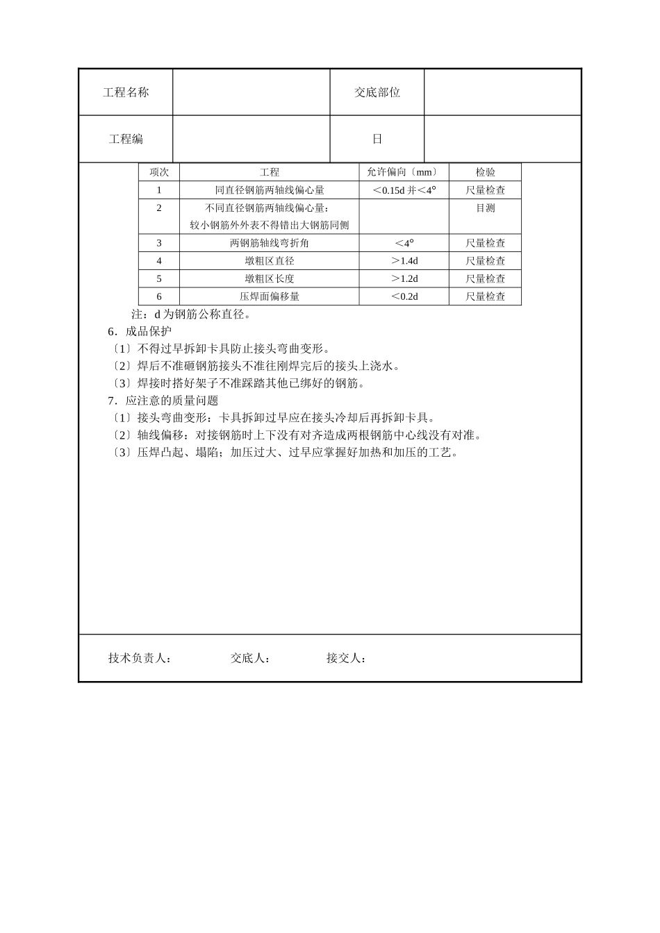
工程名称交底部位工程编日交底内容:钢筋气压焊采用氧乙炔火焰对两钢筋接缝处进展加热使其到达塑料状态后施加适当压力形成对接焊头的一种压焊。适用于工业与民用建筑物、构筑物的钢筋混凝土构造中φ16~40mm的I、Ⅱ级钢筋在垂直、程度和倾斜位置的纵向对接接头的焊接。1.材料设备要求〔1〕钢筋:须有出厂证明书和钢筋复试证明书性能指标符合GB13013-91?钢筋混凝土用热轧光圆钢筋?及GB1499-91?钢筋混凝土用热轧带肋钢筋?的规定。当两钢筋直径不一样时其两直径之差不得大于7mm。当采用其他品种、规格钢筋进展气压焊时应进展钢筋焊接性能试验。合格前方可采用。〔2〕所用的气态氧〔O2〕的质量应符合GB3863中规定的I类或Ⅱ类一级的技术要求。〔3〕乙炔气:宜用瓶装熔解乙炔其纯度必须在98〔体积比〕以上磷化氢含量不得大于0.06硫化氢含量不得大于0.1水分含量不得大于1g/m3丙酮含量应不大于45g/m3。2.主要机具供氧装置〔氧气瓶〕、乙炔气瓶、多嘴环焊柜〔或称为多嘴环加热器〕、加热器〔手动式或电动式两种〕、焊接决蛤〔固定卡具、活动卡具〕、辅助设备〔无齿锯或切割机、磨光机、扳手〕。3.作业条件〔1〕焊工必须有上岗证不同级别的焊工有不同的作业允许范围应符合的规定。辅助工应具有钢筋气压焊的有关知识和经历掌握钢筋端部加工和钢筋安装的质量要求。〔2〕施焊前搭好操作架子。〔3〕在工程正式焊接之前必须进展现场条件下钢筋气压焊工艺性能试验经外观检查拉伸试验及弯曲试验合格并确定焊接工艺参数。〔4〕做好钢筋的下料工作计算切割长度时应考虑焊接接头的压缩量每一接头的压缩量约为一个焊接钢筋直径的长度。〔5〕接头位置应留在直线段上不得在钢筋的弯曲处。4操作工艺工艺流程:钢筋端头处理→安装接长钢筋→焊前检查→焊接→拆卸工具→质量检查〔1〕钢筋端头处理:进展气压焊的钢筋端头应切平不得形成马蹄形压扁形、凸凹不平或弯曲必要时宜用无齿锯切割保证钢筋端头断面和轴线成直角假设有弯折或扭曲应切除并用角向磨光机倒角露出金属光泽没有氧化现象并去除钢筋端头100mm范围内的锈蚀、油污、杂质等打磨钢筋时应在当天进展防止打磨后再生锈。〔2〕安装接长钢筋:先将卡具卡在已处理好的两根钢筋上接好的钢筋上下要同心在一条直线上固定卡具应将顶丝上紧活动卡具要施加一定的初压力初压力的大小要根据钢筋直径的粗细宜为15~20Mpa。压焊面的形状如图2-48〔a〕部分缝隙不应大于3mm。〔3〕焊前检查:焊前对钢筋及焊接设备应详细进展检查以保证焊接正常进展。检查压焊面工程名称交底部位工程编日是否符合要求上下钢筋是否同心是否有弯曲现象。〔4〕焊接开场时火焰采用复原焰〔也称碳化焰〕目的是为防止钢筋端面氧化。火焰中心对准压焊面缝隙使钢筋温度到达炽白状态〔约1200℃〕同时增大对钢筋的轴向压力最终压力按钢筋截面积计到达30~40Mpa使压焊面间隙完全闭合到达所要求的形状。加热过程中假如压焊面间隙完全闭合之前发生灭火中断现象应将钢筋断面重新打磨、安装然后点燃火焰进展焊接。假如发生在间隙完全闭合之后那么可再次加热加压完成焊接操作。〔5〕拆卸卡具:将火焰熄灭后加压并稍延滞红色消失后呈暗红色即温度降至600~650℃即可卸卡具继续自然冷却。〔6〕质量检查:包括外观检查和机械性能检查两部分。应对焊接接头逐一进展外观检查。并按规定分批切取接头进展机械性能检查。每批钢筋焊接接头经质量检验合格后应填写质量合格证书。〔7〕冬雨施工:雨雪天工作焊接现场要有遮蔽措施刮风时〔风速超过5.4m/s〕要有防风措施。压按作业后的钢筋接头不要马上接触冰雪如环境温度在-15℃以下时应对接头采取预热、保温、缓冷措施。当环境温度低于-20℃时不得进展施焊。5.质量〔1〕保证工程:1〕钢筋必须有出厂证及复试质量必须符合有关的规定。2〕钢筋品种、规格和接头位置应符合设计图纸及施工的规定。3〕焊工必须有上岗证。4〕焊接接头机械性能检验必须符合规定。机械性能试验一般以200个接头为一批。在现浇钢筋混凝土构造中在同一楼层中以200个接头为一批缺乏200个接头仍作为一批。抽样时从每批接头中随机取3个接头作拉伸试验其抗拉强度均不得低于该级别钢筋规定的...

1、当您付费下载文档后,您只拥有了使用权限,并不意味着购买了版权,文档只能用于自身使用,不得用于其他商业用途(如 [转卖]进行直接盈利或[编辑后售卖]进行间接盈利)。
2、本站所有内容均由合作方或网友上传,本站不对文档的完整性、权威性及其观点立场正确性做任何保证或承诺!文档内容仅供研究参考,付费前请自行鉴别。
3、如文档内容存在违规,或者侵犯商业秘密、侵犯著作权等,请点击“违规举报”。

碎片内容

钢筋气压焊技术交底

您可能关注的文档

确认删除?
VIP
微信客服
  • 扫码咨询
会员Q群
  • 会员专属群点击这里加入QQ群
客服邮箱
回到顶部