电脑桌面
添加小米粒文库到电脑桌面
安装后可以在桌面快捷访问

某走廊一期工程砼监理实施细则VIP免费

某走廊一期工程砼监理实施细则_第1页
1/10
某走廊一期工程砼监理实施细则_第2页
2/10
某走廊一期工程砼监理实施细则_第3页
3/10
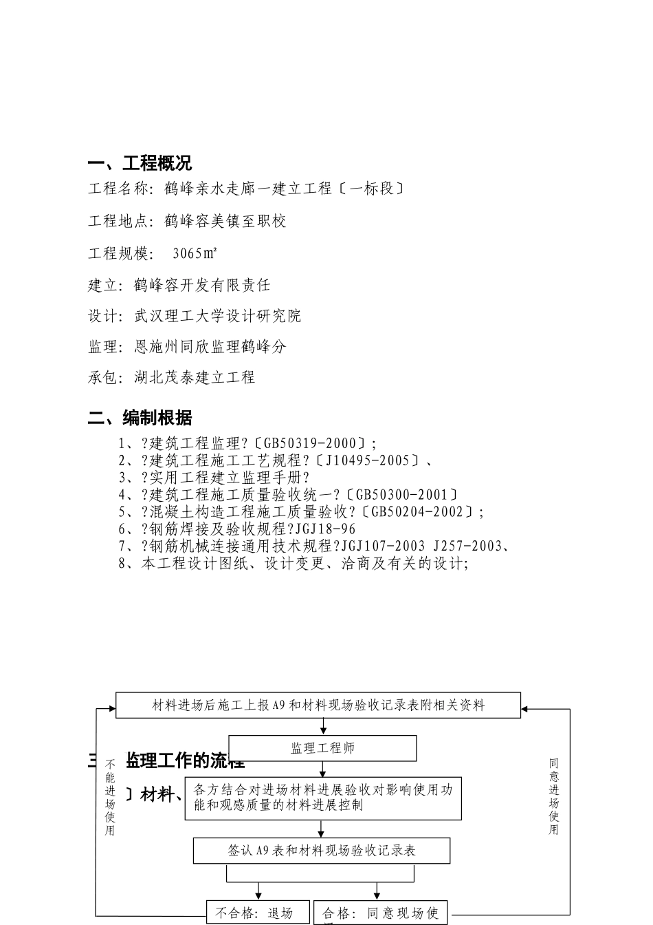
目录一、工程概况……………………………………………………2二、编制根据……………………………………………………3三、监理工作流程………………………………………………4四、监理工作的控制要点………………………………………6五、监理工作的及措施……………………………………13一、工程概况工程名称:鹤峰亲水走廊一建立工程〔一标段〕工程地点:鹤峰容美镇至职校工程规模:3065㎡建立:鹤峰容开发有限责任设计:武汉理工大学设计研究院监理:恩施州同欣监理鹤峰分承包:湖北茂泰建立工程二、编制根据1、?建筑工程监理?〔GB50319-2000〕;2、?建筑工程施工工艺规程?〔J10495-2005〕、3、?实用工程建立监理手册?4、?建筑工程施工质量验收统一?〔GB50300-2001〕5、?混凝土构造工程施工质量验收?〔GB50204-2002〕;6、?钢筋焊接及验收规程?JGJ18-967、?钢筋机械连接通用技术规程?JGJ107-2003J257-2003、8、本工程设计图纸、设计变更、洽商及有关的设计;三、监理工作的流程〔一〕材料、设备进场质量控制流程同意进场使用不能进场使用材料进场后施工上报A9和材料现场验收记录表附相关资料监理工程师各方结合对进场材料进展验收对影响使用功能和观感质量的材料进展控制签认A9表和材料现场验收记录表不合格:退场合格:同意现场使用〔二〕隐蔽工程质量控制流程〔三〕检验批质量控制流程不合格承包自检合格填写隐蔽工程验收记录及相关报验资料工程经理部有关人员1.检查资料内容2.现场检查、验收专业监理工程师在隐蔽工程验收记录及相关报验资料上签字专业监理工程师进展下道工序工程经理部签发?监理工程师单?要求承包整改专业监理工程师签写?工程隐蔽会签单?工程经理部和工程监理部承包自检合格填写?检验批质量验收记录表?及相关报验资料并附相应复试、试验报工程监理部施工对报验的资料进展审查对检验批实体进展现场抽检、检查专业监理工程师在?检验批质量验收记录表?及相关报验资料上填写验收记录及验收结并签字专业监理工程师填写?监理工程师单?要求承包整改专业监理工程师不合格〔四〕分项工程质量控制流程四、监理工作的控制要点〔一〕模板工程的控制要点1、模板及其支架应根据工程构造形式、荷载大小、地基类别、施工设备和材料供给等条件进展设计模板及其支架有足够的承载才能、刚度和稳定性能可靠的承受浇筑混凝土的重量、侧压力及施工荷载;2、在浇筑混凝土之前对模板工程进展验收:木模板应浇水潮湿模板内无积水;模板内的杂物应清理干净;模板与混凝土接触面应清理干净并涂刷隔离剂不得采用影响构造性能或防碍装饰工程施工的隔离剂;模板接缝不应漏浆;3、对跨度不小于4m的现浇混凝土梁、板的模板应按设计要求起拱;4、固定在模板上的预埋件、预留孔和预留洞均不得遗漏且应安装结实其偏向符合规定;5、现浇构造模板安装的偏向符合规定用经纬仪、水准仪、2m靠尺和塞尺、拉线和尺量进展检查;6、模板及其支架撤除的顺序及平安措施按施工技术方案执行;7、底模及其支架撤除时混凝土强度应符合设计要求或下表规定同时检查同条件试件试验:不合格承包自检合格填写?分项工程质量验收记录?及相关报验资料报工程监理部工程经理部对报验的资料进展审查专业监理工程师签认?分项工程质量验收记录?及相关报验资料专业监理工程师填写?监理工程师单?要求承包整改专业监理工程师底模撤除时的混凝土强度要求构造类型构造跨度〔m〕到达设计强度的百分比〔%〕板≤250>2≤875梁、拱、壳≤875>8100悬臂构件1008、后浇带模板的撤除和支顶应按施工技术方案执行对照技术方案观察检查;9、对于后浇带部位的模板必须按照相应的规定采用模板支撑体系严禁与相邻部位的其他构件进展同时撤除后另行支设。10、侧模撤除时在混凝土强度能保证其外表及棱角不会因撤除模板而受损前方可撤除撤除的模板和支架宜分散堆放并及时清运。〔二〕钢筋工程控制要点1、当钢筋的品种、级别或规格作变更时应变更;2、钢筋进场时应按现行?钢筋混凝土用热轧带肋钢筋?〔GB1499〕等的规定抽取试件作为力学性能检验其质量必须符合有关的规定。其中检验数量:按进场的批次和的抽样检验方案确定检验:检查合格证、出场检验...

1、当您付费下载文档后,您只拥有了使用权限,并不意味着购买了版权,文档只能用于自身使用,不得用于其他商业用途(如 [转卖]进行直接盈利或[编辑后售卖]进行间接盈利)。
2、本站所有内容均由合作方或网友上传,本站不对文档的完整性、权威性及其观点立场正确性做任何保证或承诺!文档内容仅供研究参考,付费前请自行鉴别。
3、如文档内容存在违规,或者侵犯商业秘密、侵犯著作权等,请点击“违规举报”。

碎片内容

某走廊一期工程砼监理实施细则

您可能关注的文档

确认删除?
VIP
微信客服
  • 扫码咨询
会员Q群
  • 会员专属群点击这里加入QQ群
客服邮箱
回到顶部