电脑桌面
添加小米粒文库到电脑桌面
安装后可以在桌面快捷访问

小卡卡沟大桥总体施工方案VIP免费

小卡卡沟大桥总体施工方案_第1页
1/19
小卡卡沟大桥总体施工方案_第2页
2/19
小卡卡沟大桥总体施工方案_第3页
3/19
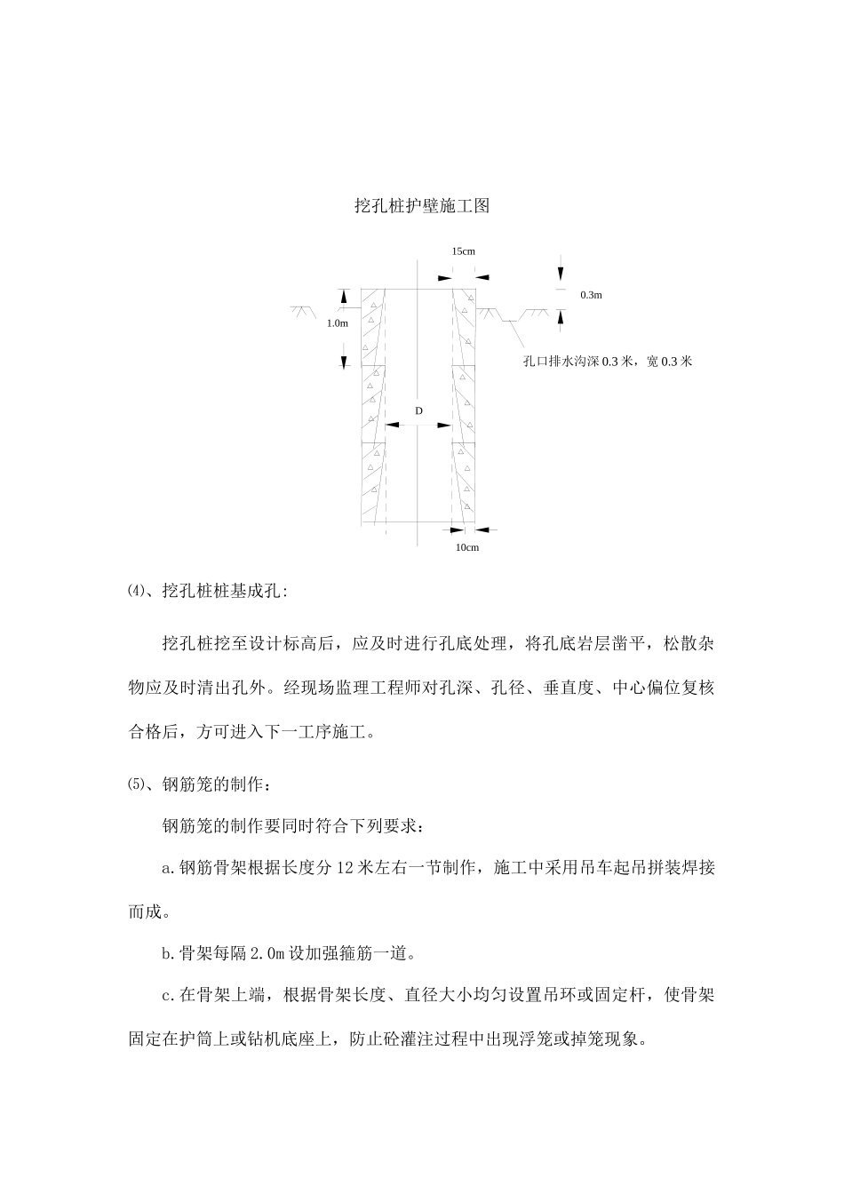
小卡卡沟大桥总体施工方案一、工程概况小卡卡沟大桥是国道109线大东高速公路上的一座大桥,左幅桥起点桩号为K751+635,终点为K751+770.4,右幅起点K751+635,终点为K751+769。本桥左、右幅桥型结构为5X25m先简支后桥面连续预应力混凝土空心板桥。全桥共32根桩基础,8个地系梁,16根墩柱,110片空心板梁片。二、挖孔桩施工本合同段共有钻孔桩32根,采用人工挖孔。1、人工挖孔桩施工方案:①施工准备:清理、平整、压实场地,挖孔作业组、砼灌注组及钢筋加工制作作业组就位。②挖孔桩施工放样定位:采用全站仪施测,务求定位准确,并做好记录手续。如有疑问,要换手复测,直至准确无误,测量偏差在技术规范允许范围之内。⑶挖孔桩开挖由于本施工段地表土质为均为砂性土,施工中应每开挖一米护壁一米,以确保施工安全。人工挖孔由铁锹配合铁镐进行,挖孔直径大于设计桩径10~15cm,孔立面截面形式成外齿形,(具体见下图)以便孔深加大时进行砼护壁。本地段挖孔桩施工中护壁采用10cm厚C25砼进行。当地质条件较差时,可以采用15cm厚砼进行护壁施工。护壁模板每节长1米,分三块组合而成,内部加设木质内支撑。并采用与桩体同一标号的砼进行施工。挖孔桩护壁施工图⑷、挖孔桩桩基成孔:挖孔桩挖至设计标高后,应及时进行孔底处理,将孔底岩层凿平,松散杂物应及时清出孔外。经现场监理工程师对孔深、孔径、垂直度、中心偏位复核合格后,方可进入下一工序施工。⑸、钢筋笼的制作:钢筋笼的制作要同时符合下列要求:a.钢筋骨架根据长度分12米左右一节制作,施工中采用吊车起吊拼装焊接而成。b.骨架每隔2.0m设加强箍筋一道。c.在骨架上端,根据骨架长度、直径大小均匀设置吊环或固定杆,使骨架固定在护筒上或钻机底座上,防止砼灌注过程中出现浮笼或掉笼现象。15cm10cm1.0mD孔口排水沟深0.3米,宽0.3米0.3md.在骨架主筋外侧应设置控制保护层厚度的钢筋、耳筋。钢筋笼的安放:起吊安放过程中要平稳,避免钢筋笼变形或碰撞孔壁引起坍孔。钢筋笼节与节之间应焊接牢固,下放过程中要稳中有速,尽量缩短时间。安装时,通过设置固定杆,防止砼灌注过程中出现意外情况造成钢筋笼移位、上浮。⑹、砼浇注:挖孔桩桩基砼浇注,采用拌合站集中拌制,砼输送车水平运输至桩边。为防止砼在施工中离析,依据桩基长度,施工中吊挂漏斗、串筒,串筒底口距孔底距离不大于2.0米。施工中孔内砼振捣采用插入式振捣棒捣固密实。为了保证浇筑顺利,砼坍落度控制在9~11cm,并且根据浇注的能力和强度以及浇筑时的温度,综合考虑砼的初凝时间,以保证砼的浇筑质量。⑺、桩基检验①桩检验前,桩顶松散混凝土必须凿除,并保证截面处的混凝土具有良好的性能。②桩的检查采用声测探芯法或全长取芯钻探,检验的数目或比例按技术规范要求或业主和监理工程师指定。(8)、挖孔桩施工注意事项:1、井孔内作业人员必须配带安全帽,在孔内施工中应认真检查孔壁稳定状况,防止发生意外情况。2、岩石较硬必须进行爆破施工时,采用空压机、凿岩机进行施工,爆破孔深0.6米,采用电雷管或毫秒导爆管起爆,孔底有水时采用乳化炸药进行作业,爆破时孔口加盖钢板或钢筋井盖上覆盖土袋。爆破后孔内用空压机通风彻底后,施工人员方可下入孔底。3、挖孔桩挖至设计标高后,孔底应凿平,松散浮碴应清除干净。4、挖孔施工应连续进行,及时护壁防止坍孔,孔位中心应及时检查校正,桩基中心偏差控制在5cm以内,倾斜度不超过1%。2挖孔桩施工安全保证措施:⑴、施工现场建立挖孔桩施工安全领导小组,由项目部领导牵头担任组长,桥队现场负责人、技术人员及施工人员代表担任组员,齐抓共管,确保施工安全;⑵、施工人员进入施工现场必须配戴安全帽,下井作业要求必须系好安全帽扣带,非工作人员严禁进入施工现场;⑶、施工用电应由专业电工负责,非专业人员严禁私自拉、接电线,从主线接至挖孔桩施工现场时,必须配置断电保护器,防止发生漏电伤人事故,实行施工用电管理标准化、临时防护标准化、安全作业标准化、安全标志标准化;⑷、第一模护壁砼顶面必须高出地面30cm左右,以防止雨天水流倒流入孔内,同时防止孔口小件物品及石碴掉入孔内伤人;⑸...

1、当您付费下载文档后,您只拥有了使用权限,并不意味着购买了版权,文档只能用于自身使用,不得用于其他商业用途(如 [转卖]进行直接盈利或[编辑后售卖]进行间接盈利)。
2、本站所有内容均由合作方或网友上传,本站不对文档的完整性、权威性及其观点立场正确性做任何保证或承诺!文档内容仅供研究参考,付费前请自行鉴别。
3、如文档内容存在违规,或者侵犯商业秘密、侵犯著作权等,请点击“违规举报”。

碎片内容

小卡卡沟大桥总体施工方案

您可能关注的文档

确认删除?
VIP
微信客服
  • 扫码咨询
会员Q群
  • 会员专属群点击这里加入QQ群
客服邮箱
回到顶部