电脑桌面
添加小米粒文库到电脑桌面
安装后可以在桌面快捷访问

桥涵表 预制梁(板)底座检查表VIP免费

桥涵表 预制梁(板)底座检查表_第1页
1/1
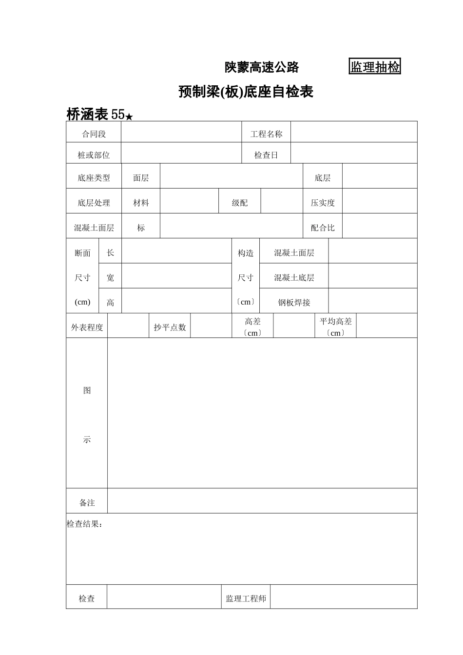
陕蒙高速公路监理抽检预制梁(板)底座自检表桥涵表55★合同段工程名称桩或部位检查日底座类型面层底层底层处理材料级配压实度混凝土面层标配合比断面尺寸(cm)长构造尺寸〔cm〕混凝土面层宽混凝土底层高钢板焊接外表程度抄平点数高差〔cm〕平均高差〔cm〕图示备注检查结果:检查监理工程师

1、当您付费下载文档后,您只拥有了使用权限,并不意味着购买了版权,文档只能用于自身使用,不得用于其他商业用途(如 [转卖]进行直接盈利或[编辑后售卖]进行间接盈利)。
2、本站所有内容均由合作方或网友上传,本站不对文档的完整性、权威性及其观点立场正确性做任何保证或承诺!文档内容仅供研究参考,付费前请自行鉴别。
3、如文档内容存在违规,或者侵犯商业秘密、侵犯著作权等,请点击“违规举报”。

碎片内容

桥涵表 预制梁(板)底座检查表

您可能关注的文档

确认删除?
VIP
微信客服
  • 扫码咨询
会员Q群
  • 会员专属群点击这里加入QQ群
客服邮箱
回到顶部