电脑桌面
添加小米粒文库到电脑桌面
安装后可以在桌面快捷访问

某住宅小区屋面工程监理实施细则VIP免费

某住宅小区屋面工程监理实施细则_第1页
1/4
某住宅小区屋面工程监理实施细则_第2页
2/4
某住宅小区屋面工程监理实施细则_第3页
3/4
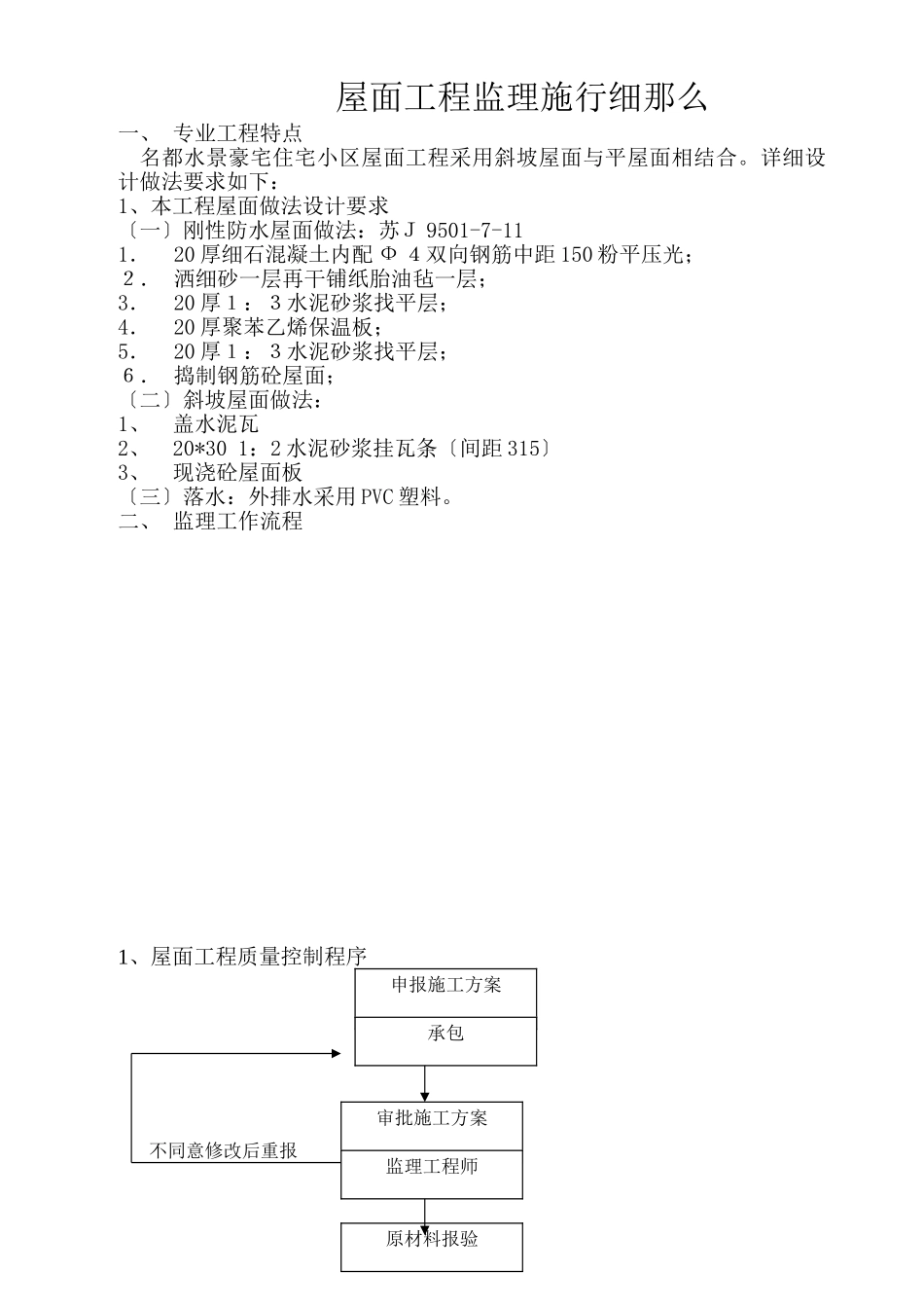
屋面工程监理施行细那么一、专业工程特点名都水景豪宅住宅小区屋面工程采用斜坡屋面与平屋面相结合。详细设计做法要求如下:1、本工程屋面做法设计要求〔一〕刚性防水屋面做法:苏J9501-7-111.20厚细石混凝土内配Ф4双向钢筋中距150粉平压光;2.洒细砂一层再干铺纸胎油毡一层;3.20厚1:3水泥砂浆找平层;4.20厚聚苯乙烯保温板;5.20厚1:3水泥砂浆找平层;6.捣制钢筋砼屋面;〔二〕斜坡屋面做法:1、盖水泥瓦2、20*301:2水泥砂浆挂瓦条〔间距315〕3、现浇砼屋面板〔三〕落水:外排水采用PVC塑料。二、监理工作流程1、屋面工程质量控制程序不同意修改后重报申报施工方案承包审批施工方案监理工程师原材料报验不合格请退场另进不合格返修合格不合格返修合格三、监理工作控制目的及控制要点1、屋面工程施工前应先将屋面以上的排气孔道等房顶以上设施按设计做法施工完毕排气孔道等房顶以上设施与现浇屋面板之间用1:2水泥砂浆分层抹实作成泛水并压实压光待抹灰层干硬后再浇热沥青做防水处理防止渗漏;2、将屋面清理干净用水潮湿刷素水泥浆一道;3、抹20厚1:3水泥砂浆找平层收水后进展二次压光并进展充分养护;4、待找平层到达一定强度后再施工聚苯乙烯保温板板块保温材料应铺平垫稳找坡正确上下层错缝并填嵌实保温层施工完毕后应及时进展下道工序完成上部防水层施工。在雨季施工的保温层宜采用遮盖措施防止雨淋;5、在保温层上面及时抹20厚1:3水泥砂浆找平层找平层外表应压实平整〔水泥砂浆抹平收水后应进展二次压光〕并充分养护;6、施工40厚C20细石混凝土防水层时应按设计要求在找平层上测量弹线嵌分格条分格条要先用水浸泡。待混凝土收水后进展二次压光随即取出分格条并对分格缝进展修理保持分格缝顺直。分格缝上口宽30mm下口宽20mm高40mm。7、细石混凝土内配钢筋在分格缝处要断开钢筋应放在细石混凝土防水层中间偏上用垫块垫准注意保护层厚度;8、严格掌握细石混凝土配合比水灰比0.70最小水泥用量350kg/M3塌落度控制在20-40mm并按规定做试块;9、细石混凝土防水层宜用平板震动器震实拍平后用滚筒来回滚压保承包核验监理工程师平层施工保温层施工防水层施工面层施工其它分工序自检、报验承包监理工程师现场检验监理工程师签发质量认可书进展下一道工序施工应附:材料质量合格证、防伪复试等证实平整待混凝土收水后进展二次压光终凝前取出分格条终凝后用草袋覆盖浇水养护。在养护间严禁上人从事其他工作;10、细石混凝土刚性防水层与儿墙之间留缝30mm缝内嵌填封材料山墙泛水做法应符合设计和标准要求;11、待刚性防水层枯燥后将分格条清理干净涂刷冷底子油一道用防水油膏嵌缝嵌缝应连续、实、饱满、到位;12、用M2.5砂浆砌180高半砖垫双向间距500;13、铺盖35厚490*490C20预制钢筋混凝土板1:3水泥砂浆填缝。四、监理工作及措施1、水泥砂浆找平层与基层粘结结实无空鼓找平层外表应压实平整充分养护不得有裂缝、酥松起砂、起皮现象外表平整度不得大于5mm;2、松动保温材料的铺设应分层铺设每层铺设厚度不得大于150mm铺设时要拌和均匀压实适当外表平整;3、保温隔热层允许偏向:外表平整度不得大于7mm用2m靠尺和楔形塞尺检查。4、分格缝应符合标准规定缝外表平整实枯燥干净无松动、起砂、脱皮等缺陷;5、油膏嵌缝前先刷冷底子油一道油膏嵌缝质量必须符合设计要求和施工标准规定检查材料出厂合格证和和试验油膏嵌缝必须严粘结结实无开裂油膏的覆盖宽度两边各不少于20㎝观察和尺量检查;6、细石混凝土屋面刚性防水层的原材料以及混凝土防水性能必须符合设计要求和标准规定材料要有出厂合格证混凝土配合比试验钢筋品种、规格、位置及保护层厚度必须符合设计要求和标准规定观察钢筋隐蔽记录检查现场钢筋绑扎质量;7、仔细观察细石混凝土防水层厚度均匀一致外表平整、压实抹光、无裂缝、起皮、起砂等缺陷防水层的坡度必须符合设计要求刚性防水屋面的坡度宜为2-3用坡度尺、检查。中国矿业大学建立监理咨询中心驻万泰房产监理部B13名都水景豪宅住宅小区工程监理施行细那么〔屋面工程〕内容提要:专业工程特点监理工作流程监理工作控制目的及控制要...

1、当您付费下载文档后,您只拥有了使用权限,并不意味着购买了版权,文档只能用于自身使用,不得用于其他商业用途(如 [转卖]进行直接盈利或[编辑后售卖]进行间接盈利)。
2、本站所有内容均由合作方或网友上传,本站不对文档的完整性、权威性及其观点立场正确性做任何保证或承诺!文档内容仅供研究参考,付费前请自行鉴别。
3、如文档内容存在违规,或者侵犯商业秘密、侵犯著作权等,请点击“违规举报”。

碎片内容

某住宅小区屋面工程监理实施细则

确认删除?
VIP
微信客服
  • 扫码咨询
会员Q群
  • 会员专属群点击这里加入QQ群
客服邮箱
回到顶部