电脑桌面
添加小米粒文库到电脑桌面
安装后可以在桌面快捷访问

老挝钢铁项目一期工程监理月报VIP免费

老挝钢铁项目一期工程监理月报_第1页
1/7
老挝钢铁项目一期工程监理月报_第2页
2/7
老挝钢铁项目一期工程监理月报_第3页
3/7
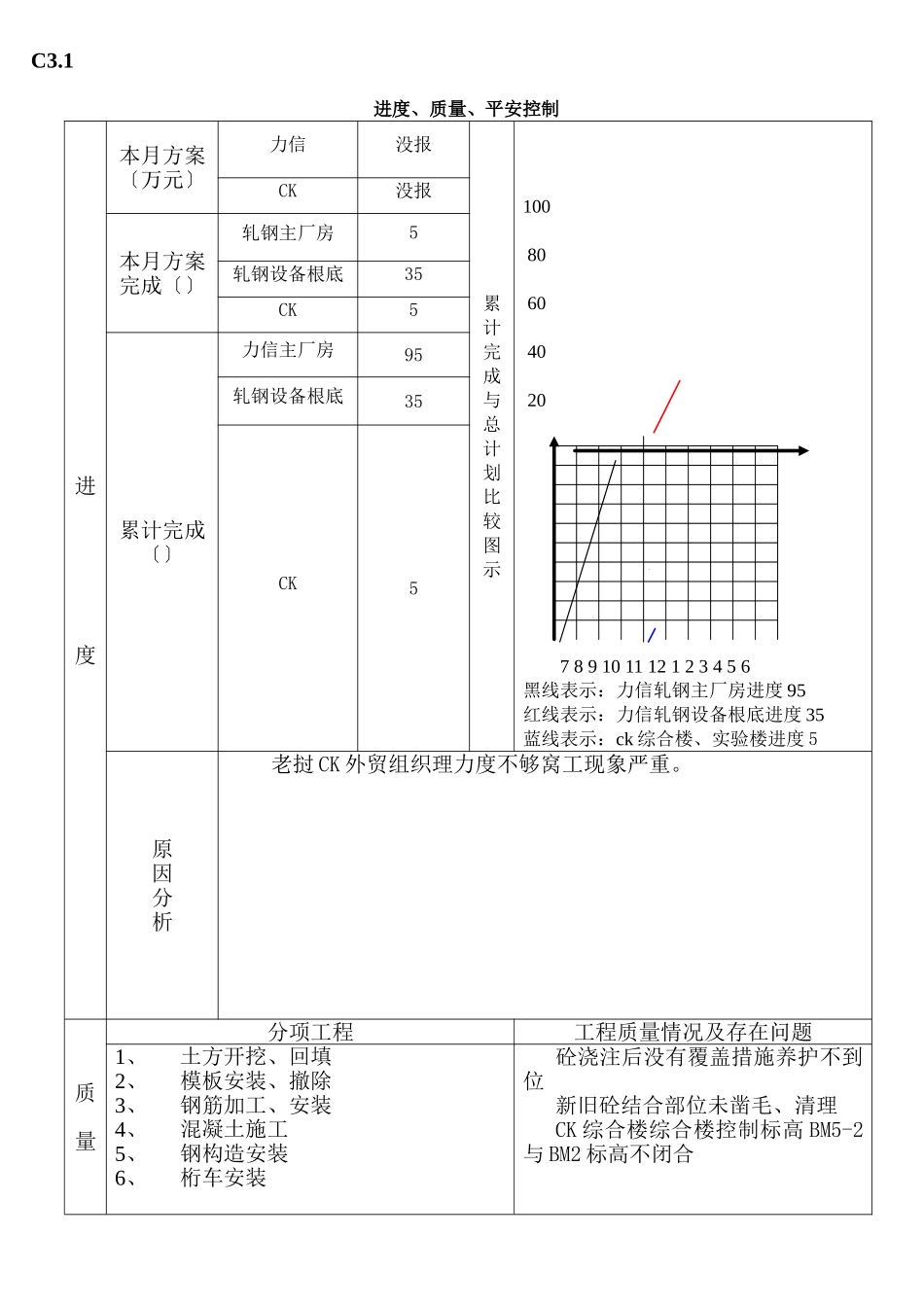
编:06监理月报工程名称老挝钢铁工程一工程建立老挝钢铁总承包中国上海外经〔集团〕分包云南昆钢力信钢构造分包CK第六2021年12月1日至2021年12月31日编制人总监理工程师桂斌监理(章)武汉星宇监理老挝工程监理部日2021年12月31日C3.1进度、质量、平安控制进度本月方案〔万元〕力信没报累计完成与总计划比较图示10080604020789101112123456黑线表示:力信轧钢主厂房进度95红线表示:力信轧钢设备根底进度35蓝线表示:ck综合楼、实验楼进度5CK没报本月方案完成〔〕轧钢主厂房5轧钢设备根底35CK5累计完成〔〕力信主厂房95轧钢设备根底35CK5原因分析老挝CK外贸组织理力度不够窝工现象严重。质量分项工程工程质量情况及存在问题1、土方开挖、回填2、模板安装、撤除3、钢筋加工、安装4、混凝土施工5、钢构造安装6、桁车安装砼浇注后没有覆盖措施养护不到位新旧砼结合部位未凿毛、清理CK综合楼综合楼控制标高BM5-2与BM2标高不闭合安全本月事故(次)累计事故(次)当月平安施工天数累计平安施工天数备注0031160C3.2监理工作统计序工程名称本年度开工以来总计本月累计1监理睬议次416162审批施工组织设计(方案)次144提出建议和条0003发出监理工程师单指及监理联络单(不含第8项)次422224审定分包家0005原材料审批次1116构配件审批次0337设备审批台0008发出工程暂停次0009监理工程师检查记录次41216旁站记录次41515监理复试次00010监理见证取样次11111考察施工试验室次00012考察消费厂家次00013监理专题次000提出建议和条00014工程计量、支付签证次000C3.3简要说明本月工程情况评述:进度:一、云南昆钢力信钢构造土建:1、精整区设备根底施工完;2、冷床根底施工已完成;3、轧机区:①、冲渣沟施工完;②、1#、2#、3#轧机根底±0.000m以下已完成±0.000m至+4.024m正在施工;4、平流池支模、砼浇筑至-5.60m;5、煤气发生站垫层浇筑已完成根底钢筋开场绑扎;6、空压站钢筋、模板安装预埋螺栓开场安装7、精整、冷床区电缆沟、液压沟、排水沟正在施工;8、主厂房-1.3m至+1.5m外墙砌体已完成;9、综合楼根底梁砼浇筑已完成室内土方回填已完成、综合楼柱子钢筋安装及绑扎;10、电气综合楼-1.3m至+1.050m钢筋制安、模板安装;11、循环水池、软化水池砼浇筑已完成;12、115KV变电所土方开挖已完成准备进展垫层浇筑;13、中心实验楼根底梁砼浇筑已完成;14、主干道排水沟施工完成90m〔沟盖板未盖〕排水沟136m底板完成现进展砌体施工;主干道路床完成226m.钢构造:1、钢柱、桁车、制动桁架、辅助桁架、托梁、柱间支撑、走道板、屋面梁、天窗梁、天沟、屋面系统、雨遮檩条已全部安装完成;2、屋面彩钢瓦及抗风柱剩余A-D轴1-2线〔预留桁车安装〕;3、钢爬梯安装完成90;4、参观走道板安装完成60CPV安装完成80,厂房钢板网墙安装完成3二、老挝CK1、中心实验楼根底钢筋绑扎及模板安装;2、综合楼根底梁砼浇筑已完成室内土方回填已完成;三、评述1、质量:1、砼浇注后没有覆盖措施养护不到位。2、粗轧液压站砼浇筑过程中剪力墙内模跑模。3、砼二次浇筑施工钢筋上砼浆料未清理干净新旧砼结合部位未凿毛、清理。4、中心实验楼梁预留钢筋长度不符合要求应错开梁钢筋加区接头50﹪错开搭接。5、综合楼基坑超挖需增加矮柱矮柱预留钢筋高度不够超挖多少矮柱相应多高。6、综合楼根底分层浇注不符合标准要求。7、轧机设备根底底部钢筋上砼浆未清理干净根底底部的杂物未清理;8、平流池底板钢筋上的泥浆未清理基坑积水;9、冲渣沟、轧机、平流池上下人爬梯未安装设计要求φ20;10、轧机根底1﹟、2﹟飞剪150mm墙板Φ16双排钢筋绑扎不标准;11、CK土方回填时分层碾压不标准回填厚度800mm根底周边碾压不到位;12、综合楼控制标高BM5-2与BM2标高不闭合通过BM2点标高传递到BM5-2实测标高为170.540而CK提供的BM5-2点的高程为169.760相差780mm。13、实验楼及综合楼柱子插筋留置不标准插筋长度不应小于层高的1/3且同一截面搭接率不得超过50〔实验楼设计要求搭接率25〕;14、实验楼综合楼电气综合楼室内土方回填未标准要求进展分层夯实;平安文明施工:1、平流池深基坑开挖至-11.6m时基坑南面由于砂土层被地下水浸泡出现部分坍塌。2、...

1、当您付费下载文档后,您只拥有了使用权限,并不意味着购买了版权,文档只能用于自身使用,不得用于其他商业用途(如 [转卖]进行直接盈利或[编辑后售卖]进行间接盈利)。
2、本站所有内容均由合作方或网友上传,本站不对文档的完整性、权威性及其观点立场正确性做任何保证或承诺!文档内容仅供研究参考,付费前请自行鉴别。
3、如文档内容存在违规,或者侵犯商业秘密、侵犯著作权等,请点击“违规举报”。

碎片内容

老挝钢铁项目一期工程监理月报

确认删除?
VIP
微信客服
  • 扫码咨询
会员Q群
  • 会员专属群点击这里加入QQ群
客服邮箱
回到顶部