电脑桌面
添加小米粒文库到电脑桌面
安装后可以在桌面快捷访问

某小学边坡治理工程安全监理细则VIP免费

某小学边坡治理工程安全监理细则_第1页
1/6
某小学边坡治理工程安全监理细则_第2页
2/6
某小学边坡治理工程安全监理细则_第3页
3/6
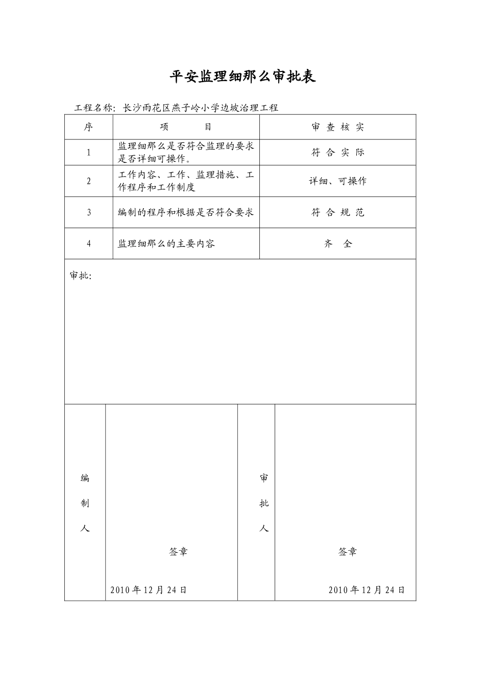
平安监理细那么审批表工程名称:长沙雨花区燕子岭小学边坡治理工程序项目审查核实1监理细那么是否符合监理的要求是否详细可操作。符合实际2工作内容、工作、监理措施、工作程序和工作制度详细、可操作3编制的程序和根据是否符合要求符合规范4监理细那么的主要内容齐全审批:编制人签章2010年12月24日审批人签章2010年12月24日长沙雨花区燕子岭小学边坡治理工程安全监理细那么长沙政和工程工程理燕子岭小学边坡监理部二0一O年十二月燕子岭小学边坡治理工程平安监理细那么一、工程概况:1.工程名称:长沙雨花区燕子岭小学边坡治理工程2.建立:长沙雨花区3.勘察:湖南鑫湘工程勘察4.设计:湖南鑫湘工程勘察5.施工:湖南长大建立集团股份6.监理:长沙政和工程工程理7.质安:长沙雨花区质量平安监视站本工程位于长沙雨花区燕子岭小学南侧边坡因受近段时间大量降雨的影响该边坡出现多处滑移为了搞好本工程的抢险工作我长沙政和工程工程理受长沙雨花区委托对长沙雨花区燕子岭小学边坡治理工程进展施工阶段的全过程监理。本工程边坡坡脚相对标高约为37.6米~40米坡顶标高48.51~50.83米滑坡高约12米为土质边坡坡顶及坡脚均有建筑物。按?建筑边坡工程技术?〔GB50330-220〕边坡工程平安等级为一级。本工程加固设计为桩锚构造。所用材料:桩身C25、冠梁C25、喷射砼C20、锚索注浆M25;保护层厚度:桩100mm、冠梁50mm;钢筋:HPB235级及HRB335级;锚索采用S15.2钢绞线。8.1根据现场的地形测量情况以及建立提供的总平面图主要工程量如下:序工程名称工程量备注根数总长度砼1旋挖灌注桩43根808.4m914.3m32锚索施工84根1995.00m一、二排3挂网及喷射砼约504m250.4m3一、二排8.2该工程位于长沙雨花区燕子岭小学校园南侧北为二十三冶区南为特种气体厂。9、场地工程地质条件9.1、工程地质条件根据钻探揭露拟建场地埋藏地层自上至下依次为:①人工填土〔Qml〕厚度0.6~4.5m,主要由粘性土及砂、碎石、建筑垃圾、生活垃圾等组成。稍湿松散场地有两处近发生过滑动。②第四系坡积粘土〔Qdl〕厚度1.6~4.0m褐黄、褐红色稍湿可塑~硬塑坡积成因偶见铁锰质结核。不均匀夹强风化碎块和少量卵砾石。③第四系残积粉质粘土〔Qel〕褐黄夹灰白色稍湿硬塑不均匀夹强风化泥质粉砂岩该层未揭穿在场地内普遍分布。④第四系残积粉砂〔Qel〕灰白色很湿~饱和中主要成分为石英颗粒级配不均含约20~30粘性土由砂岩风化残积而成呈夹层或透镜体状态分布于粉质粘土③中。该层揭露的厚度为13.4m。9.2、场区水文地质环境场地地下水类型主要为赋存予第四系土层中的孔隙水受大气降水及地表水的补给动态随季节变化水量一般。场地内粉砂层④为强透水性地层其他均为弱透水层。场地环境类型为Ⅱ类场地地下水在直接临水或强透水层该水对砼具弱腐蚀性二、编制根据?建立工程监理?··························GB50319--2000?建筑施工平安检查?·····························JGJ--99?建筑施工现场环境与卫生?·················JGJ146--2004?建筑基坑支护技术规程?·························JGJ120--99?建筑桩基技术?·······························JGJ94-94?建立工程施工平安技术操作规程??建筑地基根底设计?〔GBJ50007-2002〕?建筑边坡工程技术?〔GB50330-2001〕?锚杆喷射混凝土支护技术?〔GB50086-2001〕?岩土锚杆〔索〕技术规程?〔CECS22:2005〕?混凝土构造设计?〔GB50010-2002〕?建筑地基根底工程施工质量验收?〔GB50202-2002〕及、当地法律法规及其相关规定、监理合同、施工承包合同等。二、平安监理要点1、审批施工申报的?平安施工方案?催促施工按批准的?平安施工方案?进展操作;2、催促施工按?建筑施工平安检查?和?建筑施工现场环境与卫生?的要求地布置施工现场及组织人员施工;3、催促施工制定及落实平安施工理制度及应急预防措施要求工程经理部必须按要求装备专职的平安检查员;4、催促施工做好平安教育、平安交底等工作要求施工在现场设置醒目的平安标志;5、催促施工的施工人员按要求配戴平安...

1、当您付费下载文档后,您只拥有了使用权限,并不意味着购买了版权,文档只能用于自身使用,不得用于其他商业用途(如 [转卖]进行直接盈利或[编辑后售卖]进行间接盈利)。
2、本站所有内容均由合作方或网友上传,本站不对文档的完整性、权威性及其观点立场正确性做任何保证或承诺!文档内容仅供研究参考,付费前请自行鉴别。
3、如文档内容存在违规,或者侵犯商业秘密、侵犯著作权等,请点击“违规举报”。

碎片内容

某小学边坡治理工程安全监理细则

书海行舟+ 关注
实名认证
内容提供者

热爱教学事业,对互联网知识分享很感兴趣

确认删除?
VIP
微信客服
  • 扫码咨询
会员Q群
  • 会员专属群点击这里加入QQ群
客服邮箱
回到顶部