电脑桌面
添加小米粒文库到电脑桌面
安装后可以在桌面快捷访问

衡水公元大道住宅楼建筑节能监理规划VIP免费

衡水公元大道住宅楼建筑节能监理规划_第1页
1/15
衡水公元大道住宅楼建筑节能监理规划_第2页
2/15
衡水公元大道住宅楼建筑节能监理规划_第3页
3/15
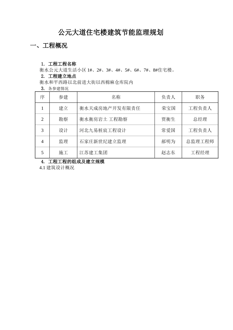
公元大道住宅楼建筑节能监理规划一、工程概况1.工程工程名称衡水公元大道生活小区1#、2#、3#、4#、5#、6#、7#、8#住宅楼。2.工程建立地点衡水和平西路以北前进大街以西棉麻仓库院内3.各参建情况序参建名称负责人职务1建立衡水天成房地产开发有限责任荣宝国工程负责人2勘察衡水衡房岩土工程勘察贾衡生总经理3设计河北九易桩宸工程设计常爱国工程负责人4监理石家庄新世纪建立监理郝明为总监理工程师5施工江苏建工集团赵志东工程经理4.工程工程的组成及建立规模4.1建筑设计概况总建筑面积1#30672.㎡2#22123.91㎡3#21342.13㎡4#14042.9㎡5#22167.84㎡6#4405.82㎡7#4405.82㎡8#4757.57㎡车库10124.23㎡地下部分1#2497.30㎡2#1616.05㎡3#1539.60㎡4#1505.6㎡5#1616.05㎡6#594.37㎡7#594.37㎡8#2.63㎡车库10124.23㎡地上部分1#28175.59㎡2#20507.86㎡3#19784.53㎡4#12537.25㎡5#2055179㎡6#3811.45㎡7#3811.45㎡8#4114.94㎡建筑基底面积建筑高度83.3〔572〕米层数地下二层±0.00标高米〔绝对标高〕地上二十六层〔十八层〕设计室外地坪-1.0m根底埋深5.7m〔6.8m〕建筑分类二类高层地下防水工程等级二级屋面防水等级Ⅱ级建筑防水设计地下室S6抗渗砼SBS改性沥青防水卷材4mm屋面SBS改性沥青防水卷材3mm卫生间聚氨酯三遍涂膜防水层厚1.5~2耐火等级二级耐久年限50年建筑抗震设防类别丙类抗震设防烈度7度建筑工程等级一级门窗气性等级Ⅱ级墙体外填充墙250厚加气混凝土墙内填充墙地下部分MU7.5多孔砖地上部分200100厚加气混凝土墙外装修住宅:涂料屋面:上人地缸砖;不上人水泥找平层SBS卷材外门窗为中空玻璃隔热铝合金门框内装修内墙:乳胶漆墙面顶棚:乳胶漆顶棚石膏板吊顶楼面:防滑地砖部分花岗岩楼面地面:细石砼垫层水泥焦渣垫层二、建筑节能工程监理编制根据1、?建筑节能工程施工质量验收?GB50411-2007;2、?建筑工程施工质量验收统一?GB50300;3、其他有关法律、法规及规定。三、建筑节能工程监理措施:1、工程开工时成立节能监理保证体系。以总监为代表组成节能监视小组做到职责清楚;2、见证取样做到持证上岗责任到人;3、对复检工作〔应由具有法定资质的建筑节能检验承当检验工作〕进展监视;4、无复检或复检不合格的不得用于工程建立中对擅自使用者监理应进展教诲劝其撤场或向有关主部门进展举报;5、对未实行节能检验的工程监理有权向建立提出要求进展复检。四、建筑节能监理规划1施工准备阶段的监理工作1.1工程监理应当对从事建筑节能工程监理的相关从业人员进展建筑节能与技术等专业知识的培训。1.2监理机构在建筑节能工程施工现场应备有、、有关建筑节能法规及本工程相关的建筑节能强迫性。1.3建筑节能工程施工前总监理工程师应组织监理人员熟悉设计、参加施工图会审和设计技术交底。施工图会审:应审查建筑节能设计图纸是否经过施工图设计审查审查合格。未经审查或审查不符合强迫性建筑节能的施工图不得使用。建筑节能设计技术交底:工程监理人员应参加由建立组织的建筑节能设计技术交底会总监理工程师应对建筑节能设计技术交底进展签认。并对图纸中存在的问题通过建立向设计提出书面和建议。1.4建筑节能工程施工前总监理工程师应组织编制建筑节能监理施行细那么。按照建筑节能强迫性和设计编制符合建筑节能特点的、具有针对性的监理施行细那么。监理施行细那么应包括以下主要内容:建筑节能专业工程的特点;建筑节能监理工作的流程;建筑节能监理工作的控制要点及目的值;建筑节能监理工作的及措施。1.5建筑节能工程开工前总监理工程师应组织专业监理工程师审查施工报送建筑节能专项施工方案和技术措施提出审查。2施工阶段的监理工作2.1监理工程师应按以下要求审核施工报送的拟进场的建筑节能工程材料、构配件、设备报审表〔包括墙体材料、保温材料、门窗部品、采暖空调系统、照明设备等〕及其质量证明资料详细如下:质量证明资料〔保温系统和组成材料质保书、说明书、型式检验、复验〕是否合格、齐全是否与设计和的要求相符。说明书、标识上注明的性能指标是否符合建筑节能;是否使用明制止和淘汰的材料、构配件、设备;有无建筑材料〔〕备案证明及相应验证要求资料;按照委托监...

1、当您付费下载文档后,您只拥有了使用权限,并不意味着购买了版权,文档只能用于自身使用,不得用于其他商业用途(如 [转卖]进行直接盈利或[编辑后售卖]进行间接盈利)。
2、本站所有内容均由合作方或网友上传,本站不对文档的完整性、权威性及其观点立场正确性做任何保证或承诺!文档内容仅供研究参考,付费前请自行鉴别。
3、如文档内容存在违规,或者侵犯商业秘密、侵犯著作权等,请点击“违规举报”。

碎片内容

衡水公元大道住宅楼建筑节能监理规划

您可能关注的文档

书海行舟+ 关注
实名认证
内容提供者

热爱教学事业,对互联网知识分享很感兴趣

确认删除?
VIP
微信客服
  • 扫码咨询
会员Q群
  • 会员专属群点击这里加入QQ群
客服邮箱
回到顶部