电脑桌面
添加小米粒文库到电脑桌面
安装后可以在桌面快捷访问

某大桥预压固桩施工技术交底VIP免费

某大桥预压固桩施工技术交底_第1页
1/7
某大桥预压固桩施工技术交底_第2页
2/7
某大桥预压固桩施工技术交底_第3页
3/7
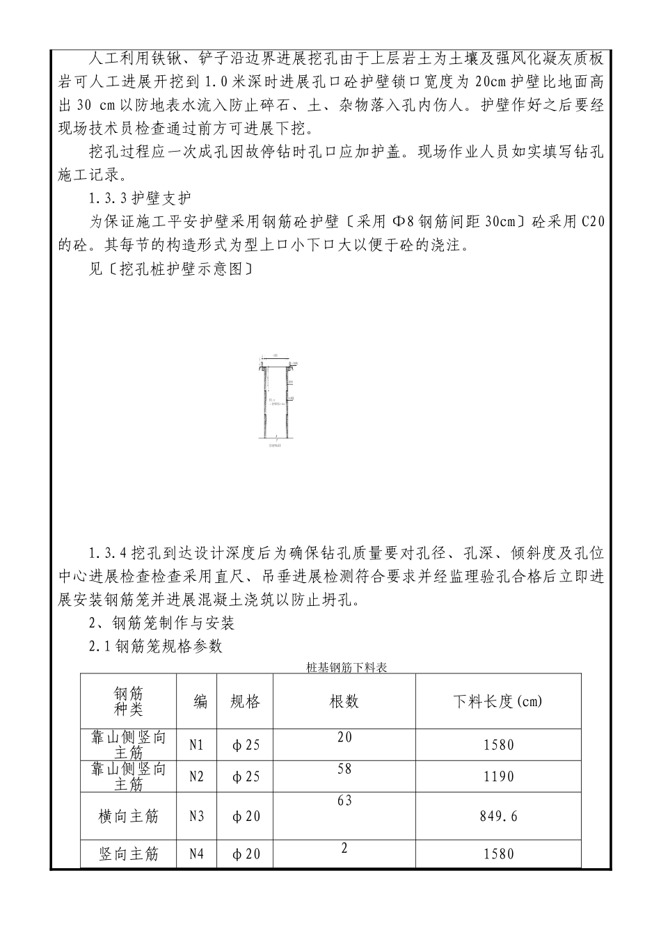
交底内容:某某大桥预压固桩施工技术交底一、工程概况大桥预加固桩采用人工挖孔共2根计32延米。1#、2#桩长各16米桩截面尺寸都为2.5米*2.0米平行线路方向为2.0米。桩身混凝土标为C40。二、总体施工方案及施工工艺流程图1#、2#桩基均为挖孔桩使用人工开挖成孔。钢筋笼在加工场内集中制作汽车吊吊装就位。混凝土灌注前应去除孔底松渣及积水混凝土在7#搅拌站拌制采用罐车运输串筒法灌注混凝土一次浇注完成。三、施工工序与1、挖孔施工1.1施工准备在挖孔桩施工范围内平整场地、去除杂物以便绞车安装。1.1.2、挖孔场地的平面尺寸应按桩基设计的平面尺寸、绞车数量和绞车底座平面尺寸、绞车移位要求、施工以及其它配合施工机具设施布置等情况。1.1.3、平整场地前应先做好各项准备工作如去除场地内所有地上、地下障碍物。1.1.41#、2#预加固桩在洞口山坡坡腰上层为土壤覆盖层及强风化凝灰质板岩可利用人工开挖平整。1.2测量放桩位1.2.1、在进展放样以前测量员首先应熟悉构造物的总体布置图和细部构造设计图结合现场条件与控制点的分布确定适宜的放样。1.2.2、施工放样采用全站仪重复测量或闭合测量的进展做到处处有检核。1.2.3、根据水准控制点加测量成果测定出1#、2#桩位4角准确位置并用固定标志固定下挖一米后测量辅助定出孔口砼护壁四角。1#预加固桩中心里程为DK527+230桩边距左线线路中线10.45m截面尺寸2.5m*2.0m桩顶标高588.3553;2#预加固桩中心里程为DK527+237桩边距左线线路中线10.45m截面尺寸2.5m*2.0m桩顶标高588.2673。测量并记录现场放样点的坐标和高程与理坐标比拟检核。确认无误后在标志旁加注记。1.3挖孔1.3.1绞车就位绞车采用种重载压固测量确定挖桩孔中心用白石灰粉洒出开挖边界经监理工程师检验前方可开场挖孔施工。1.3.2挖孔施工人工利用铁锹、铲子沿边界进展挖孔由于上层岩土为土壤及强风化凝灰质板岩可人工进展开挖到1.0米深时进展孔口砼护壁锁口宽度为20cm护壁比地面高出30cm以防地表水流入防止碎石、土、杂物落入孔内伤人。护壁作好之后要经现场技术员检查通过前方可进展下挖。挖孔过程应一次成孔因故停钻时孔口应加护盖。现场作业人员如实填写钻孔施工记录。1.3.3护壁支护为保证施工平安护壁采用钢筋砼护壁〔采用Φ8钢筋间距30cm〕砼采用C20的砼。其每节的构造形式为型上口小下口大以便于砼的浇注。见〔挖孔桩护壁示意图〕1.3.4挖孔到达设计深度后为确保钻孔质量要对孔径、孔深、倾斜度及孔位中心进展检查检查采用直尺、吊垂进展检测符合要求并经监理验孔合格后立即进展安装钢筋笼并进展混凝土浇筑以防止坍孔。2、钢筋笼制作与安装2.1钢筋笼规格参数桩基钢筋下料表钢筋种类编规格根数下料长度(cm)靠山侧竖向主筋N1φ25201580靠山侧竖向主筋N2φ25581190横向主筋N3φ2063849.6竖向主筋N4φ2021580竖向主筋N5φ16191580连接筋N6φ1622201.8桩身主筋根数根据桩身内力计算确定采用交织形式。主筋99根φ25mmHRB400钢筋78根其中N120根N258根;φ20HRB33钢筋2根φ16HRB33钢筋19根;靠近山体一侧竖向筋最里层2根N1和一根N2绑扎一起作为一股竖筋还有2根N2和一根N1绑扎一起作为一股竖筋间距〔12.5+5*15.9+16+5*15.9+12.5〕cm;靠近山体一侧竖向筋中间层为3根N2绑扎在一起作为一股竖向筋间距〔12.5+5*15.9+16+5*15.9+12.5〕cm;靠近山体一侧竖向筋外缘层为6根N2间距〔12.5+2*31.8+47.8+2*31.8+12.5〕cm;另3边竖向钢筋为19根N5,2根N4N4位于两角长边间距为7*28.4cm,短边为〔29.6+4*29.7+29.6〕cm;横向筋为N3从上往下间距为〔12*40+39*19+11*30〕cm;连接筋为N5平行于宽边位于靠山侧中间层及外缘层安装于横向筋上面的第七行和下面第七行之间等间距布置。2.2制作要求钢筋骨架加工要求在钢筋加工场地集中制作现场吊装并连接。钢筋加工场地必须保证垫平整夯实桩基主筋间务必焊牢。竖向主筋与横向主筋联结处宜点焊假设主筋较多时可交织点焊及绑扎。钢筋弯曲成型前应根据配料表要求长度分别截断通常宜用钢筋切断机进展。应将同规格钢筋根据不同长短搭配、统筹排料;一般先断长料后断短料以减少短头和损耗。防止用短尺量长料防止产生累计误差应在工作台上标出尺寸、刻度并设置控...

1、当您付费下载文档后,您只拥有了使用权限,并不意味着购买了版权,文档只能用于自身使用,不得用于其他商业用途(如 [转卖]进行直接盈利或[编辑后售卖]进行间接盈利)。
2、本站所有内容均由合作方或网友上传,本站不对文档的完整性、权威性及其观点立场正确性做任何保证或承诺!文档内容仅供研究参考,付费前请自行鉴别。
3、如文档内容存在违规,或者侵犯商业秘密、侵犯著作权等,请点击“违规举报”。

碎片内容

某大桥预压固桩施工技术交底

您可能关注的文档

确认删除?
VIP
微信客服
  • 扫码咨询
会员Q群
  • 会员专属群点击这里加入QQ群
客服邮箱
回到顶部