电脑桌面
添加小米粒文库到电脑桌面
安装后可以在桌面快捷访问

技术交底-室内给水管道安装工程VIP专享VIP免费

技术交底-室内给水管道安装工程_第1页
1/6
技术交底-室内给水管道安装工程_第2页
2/6
技术交底-室内给水管道安装工程_第3页
3/6
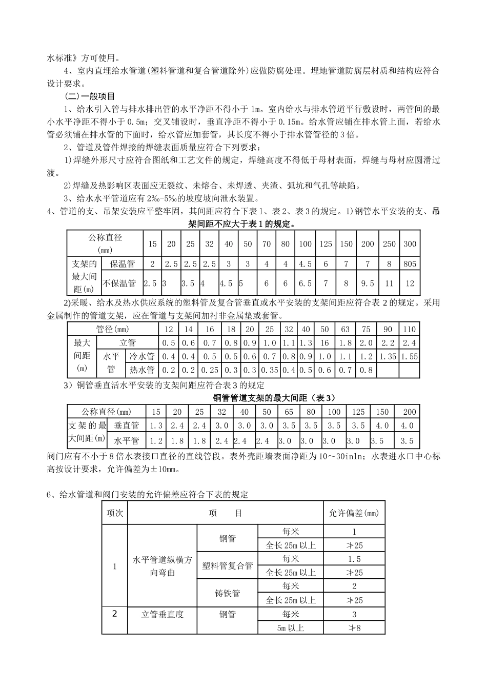
室内给水管道安装工程交底提要:室内给水管道安装的相关材料、机具准备、质量要求及施工工艺。一、施工准备(二)作业条件1、地下管道铺设必须在房心土回填夯实或挖到管底标高,沿着管线铺设位置清理干净,管道穿墙处已留管洞或安装套管,其洞口尺寸和套管规格符合要求,坐标、标高正确。2、暗装管道应在地沟盖板前或吊顶封闭前进行安装。3、明装托、吊干管安装必须在安装层的结构顶板完成后进行。沿管线安装位置的模板及杂物清理干净,托吊卡件均已安装牢固,位置正确。4、立管安装宜在主体结构完成后进行。高层建筑在主体结构达到安装条件后,适当插入进行。每层均应有明确的标高线,暗装竖井管道,应把竖井内的模板及杂物清除干净,并有防坠落措施。5、支管安装应在墙体砌筑完毕墙面未装修前进行。(二)材质要求1、铸铁给水管及管件质量标准YB/T5188、GB3287。其规格尺寸应符合设计要求,管壁薄厚均匀,内外光滑整洁,不得有砂眼、裂纹、毛刺和疙瘩;承插口的内外径及管件应造型规矩,管内外表面的防腐涂层应整洁均匀,附着牢固。室外给水铸铁管安装多数采用胶圈接口,管道与胶圈采用同一厂家产品已经配套好橡胶圈。给水铸铁管件采用自来水公司配套产品。手锤轻轻敲打,沙沙声说明质量不好,应检查是否有裂缝;锤击断管壁,断面呈灰色,组织均匀、紧密、细颗粒为合格。2、镀锌给水管及管件质量标准GB/T3091。其规格种类应符合设计要求,管内外镀锌均匀,无锈蚀,无毛刺。管件无偏扣、乱扣、丝扣不全或角度不准等现象。将几个相同直径的管件串起来,看是否乱扣偏扣、角度不准,然后试压。3、消火栓系统管材按设计要求选用,一般采用碳素钢管或无缝钢管,管材不得有弯曲、锈蚀、重皮及凹凸不平等现象。4、消火栓箱体的规格型号应符合没计图纸要求,箱体表面平整、光洁,无锈蚀、划伤,箱门开启灵活。箱体方正,箱内配件齐全。栓阀外形规矩,无裂纹,启闭灵活,关闭严密,密封填料完好。5、在北京地区,冷热水表必须使用北京市自来水公司产品。水表的规格应符合设计图纸要求,其中每户使用DNl5水表。热水系统选用符合温度要求的热水表。表壳铸造规矩、无砂眼、裂纹、表玻璃盖无损坏、铅封完整。6、阀门的规格型号应符合设计要求,热水系统阀门符合温度要求。阀体铸造规矩、表面光洁、无裂纹、开关灵活、关闭严密、填料密封完好无渗漏、手轮完整无损坏。干管上的阀门全部试压检验,一般阀门抽查10%。若有不合格的,则抽查20%。还有不合格的,则逐个检验。7、不得使用国家限制使用和淘汰落后的建材。1999年7月1日起住宅工程室内部分限制使用螺旋升降式铸铁水嘴和铸铁截止阀。北京地区禁止上水管道中使用冷镀管,它与热镀管的区别在于内部不镀锌。以上产品都应有合格证,其中消火栓应有消防管理部门认定证明,水表应有计量检测单位证明。(三)工器具l、机械:套丝机,砂轮锯、台钻、调速电锤、手电钻、电焊机、电动或手动试压泵等。2、工具:套丝板、管钳、台钳、压力钳、钢锯、手锤、活扳手、链钳、煨弯器、手压泵、捻凿、大锤、断管器、射钉枪、倒链、电气焊等工具。3、其它:水平尺、线坠、钢卷尺、小线、压力表等。二、质量要求(一)主控项目1、室内给水管道的水压试验必须符合设计要求。当NS-I-未注明时,各种材质的给水管道系统试验压力均为工作压力的1.5倍,但不得小于0.6MPa。2、给水系统交付使用前必须进行通水试验并做好记录。3、生活给水系统管道在交付使用前必须冲洗和消毒,并经有关部门取样检查,符合国家《生活饮用水标准》方可使用。4、室内直埋给水管道(塑料管道和复合管道除外)应做防腐处理。埋地管道防腐层材质和结构应符合设计要求。(二)一般项目1、给水引入管与排水排出管的水平净距不得小于lm。室内给水与排水管道平行敷设时,两管间的最小水平净距不得小于0.5m;交叉铺设时,垂直净距不得小于0.15m。给水管应铺在排水管上面,若给水管必须铺在排水管的下面时,给水管应加套管,其长度不得小于排水管管径的3倍。2、管道及管件焊接的焊缝表面质量应符合下列要求:1)焊缝外形尺寸应符合图纸和工艺文件的规定,焊缝高度不得低于母材表面,焊缝与母材应圆滑过渡。2)焊...

1、当您付费下载文档后,您只拥有了使用权限,并不意味着购买了版权,文档只能用于自身使用,不得用于其他商业用途(如 [转卖]进行直接盈利或[编辑后售卖]进行间接盈利)。
2、本站所有内容均由合作方或网友上传,本站不对文档的完整性、权威性及其观点立场正确性做任何保证或承诺!文档内容仅供研究参考,付费前请自行鉴别。
3、如文档内容存在违规,或者侵犯商业秘密、侵犯著作权等,请点击“违规举报”。

碎片内容

技术交底-室内给水管道安装工程

确认删除?
VIP
微信客服
  • 扫码咨询
会员Q群
  • 会员专属群点击这里加入QQ群
客服邮箱
回到顶部