电脑桌面
添加小米粒文库到电脑桌面
安装后可以在桌面快捷访问

高支模工程安全监理实施细则1VIP免费

高支模工程安全监理实施细则1_第1页
1/4
高支模工程安全监理实施细则1_第2页
2/4
高支模工程安全监理实施细则1_第3页
3/4
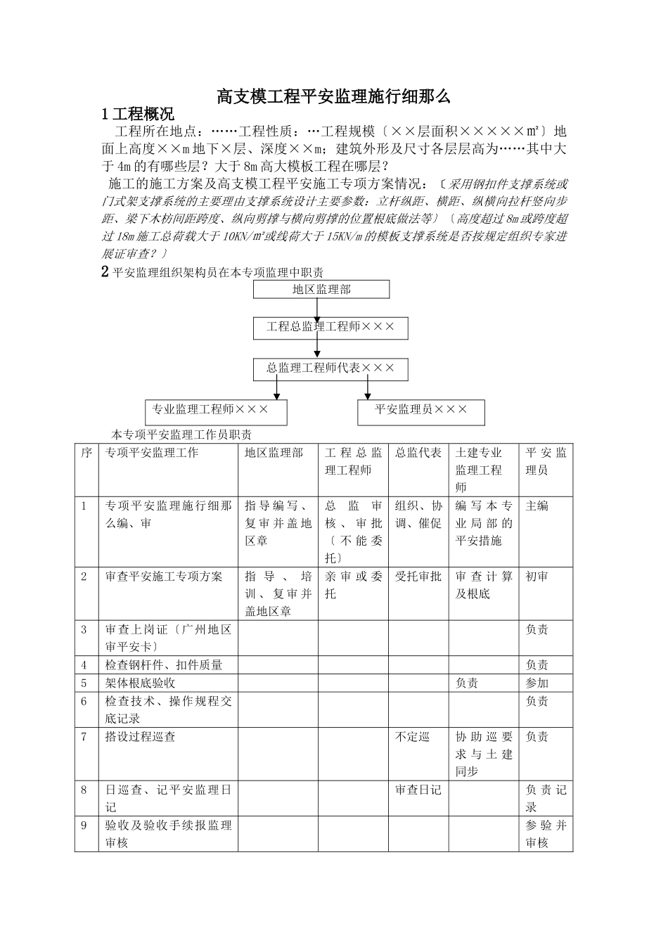
高支模工程平安监理施行细那么1工程概况工程所在地点:……工程性质:…工程规模〔××层面积×××××㎡〕地面上高度××m地下×层、深度××m;建筑外形及尺寸各层层高为……其中大于4m的有哪些层?大于8m高大模板工程在哪层?施工的施工方案及高支模工程平安施工专项方案情况:〔采用钢扣件支撑系统或门式架支撑系统的主要理由支撑系统设计主要参数:立杆纵距、横距、纵横向拉杆竖向步距、梁下木枋间距跨度、纵向剪撑与横向剪撑的位置根底做法等〕〔高度超过8m或跨度超过18m施工总荷载大于10KN/㎡或线荷大于15KN/m的模板支撑系统是否按规定组织专家进展证审查?〕2平安监理组织架构员在本专项监理中职责地区监理部工程总监理工程师×××总监理工程师代表×××专业监理工程师×××平安监理员×××本专项平安监理工作员职责序专项平安监理工作地区监理部工程总监理工程师总监代表土建专业监理工程师平安监理员1专项平安监理施行细那么编、审指导编写、复审并盖地区章总监审核、审批〔不能委托〕组织、协调、催促编写本专业局部的平安措施主编2审查平安施工专项方案指导、培训、复审并盖地区章亲审或委托受托审批审查计算及根底初审3审查上岗证〔广州地区审平安卡〕负责4检查钢杆件、扣件质量负责5架体根底验收负责参加6检查技术、操作规程交底记录负责7搭设过程巡查不定巡协助巡要求与土建同步负责8日巡查、记平安监理日记审查日记负责记录9验收及验收手续报监理审核参验并审核10撤除过程巡视负责11平安周检、月检参加月检组织或委托组织参加或受托组织参加参加、记录12平安周报、月报、发监理单月检亲审或委托审、签发受托审查、签发负责拟稿、打印、发放13资料搜集、整理、组卷、归档月检审查负责注:广州平安监视站要求报平安周报。其他地区按当地平安站要求办。平安监理单应具有“三要素〞〔即:问题、整改、完成时限〕并应及时书面回复监理应在回复单上填写复查到达闭合。3本专项工程平安监理要点及目的值3.1.1应按JGJ59—99的进展检查并打分。现浇程度构件模板支撑系统的平安监理检查内容检查内容支撑高度小于4m竖荷标值小于等于10kn/㎡支撑高度大于4m小于30m竖荷标值大于10kn/㎡方案计算书、立杆纵横距、纵横扫地杆、上中程度杆位置、审批程序、高于8m的高支模是否经专家证审查材质杆件平直光滑、无裂缝、径壁厚与方案一致〔相差不大于10〕扣件有消费答应证、检测、质量合格证扣件有裂缝、变形的严禁使用出现滑丝的螺栓必须更换根底是否夯实和符合方案要求?底座和垫板是否放置、有无松动滑动?排水是否良好?立杆间距垂直度符合方案要求间距偏向小于±50mm垂直度偏向为3‰扣件拧紧力矩用扭力扳手检查扭力矩不小于40N/m(检查数量见下表)垂直剪撑满堂支架四边与中间每隔四排立杆应设一道、由下至顶连续设置程度剪撑不设在两端与中间每隔4排立杆从顶开场向下每隔2步设一道浇砼时检查:施工方是否有人监护立杆与扣件是否有松动滑动、变形拆模时检查:①拆模方案②拆模申请批准否?砼强是否达要求?③交底否?④设平安戒备线否⑤是否从上往下拆⑥有平安理人员监护否?扣件检查数量表安装扣件数量抽检数允许不合格数51~905091~15081151~280131281~500202500~12003231201~32005054监理工作主要流程:施工已建立平安消费保证体系并报监理审查批准施工已编制平安施工组织设计(方案〕并报监理审查批准;高大模板支撑系统(高度>8m或跨度>18m或施工总荷载>10KN/㎡或线荷>15KN/m者〕施工企业应组织不少于5名专家证审查前提条件搭设前审查施工报送的专项平安施工方案并写出审查检查钢杆件、铸鉄扣件质量〔新材要有消费答应证、出厂合格证旧材要检测合格证现场检查外观质量〕检查支撑立杆根底是否按专项方案施工各分项隐蔽工程是否验收手续检查平安技术和操作规程交底记录支模过程巡视检查〔做好平安监理日记〕作业人员戴平安帽、平安带情况施工有无平安理人员监护模板是否按专项方案和搭设按JGJ59--99检查表检查搭设后工程经理组织验收合格后发合格牌并挂于显目处验收手续报监理核查批准浇砼时检查:施工方是否有人监护立杆与扣件是否有松动滑动、变形撤除过程巡视监理作...

1、当您付费下载文档后,您只拥有了使用权限,并不意味着购买了版权,文档只能用于自身使用,不得用于其他商业用途(如 [转卖]进行直接盈利或[编辑后售卖]进行间接盈利)。
2、本站所有内容均由合作方或网友上传,本站不对文档的完整性、权威性及其观点立场正确性做任何保证或承诺!文档内容仅供研究参考,付费前请自行鉴别。
3、如文档内容存在违规,或者侵犯商业秘密、侵犯著作权等,请点击“违规举报”。

碎片内容

高支模工程安全监理实施细则1

您可能关注的文档

确认删除?
VIP
微信客服
  • 扫码咨询
会员Q群
  • 会员专属群点击这里加入QQ群
客服邮箱
回到顶部