电脑桌面
添加小米粒文库到电脑桌面
安装后可以在桌面快捷访问

砌石工程施工记录VIP免费

砌石工程施工记录_第1页
1/30
砌石工程施工记录_第2页
2/30
砌石工程施工记录_第3页
3/30
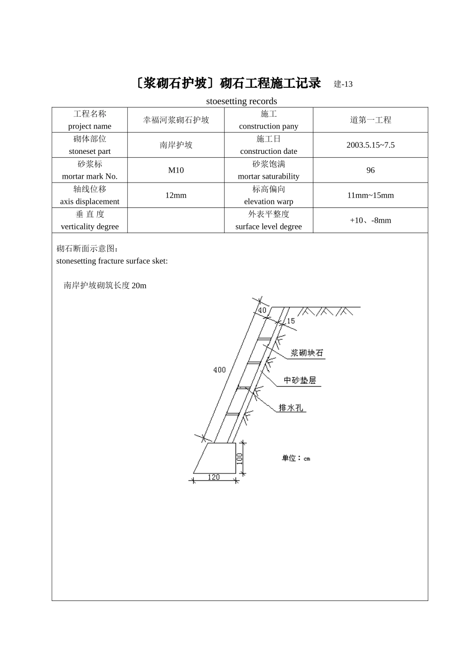
〔浆砌石护坡〕砌石工程施工记录建-13stoesettingrecords工程名称projectname幸福河浆砌石护坡施工constructionpany道第一工程砌体部位stonesetpart南岸护坡施工日constructiondate2003.5.15~7.5砂浆标mortarmarkNo.M10砂浆饱满mortarsaturability96轴线位移axisdisplacement12mm标高偏向elevationwarp11mm~15mm垂直度verticalitydegree外表平整度surfaceleveldegree+10、-8mm砌石断面示意图:stonesettingfracturesurfacesket:南岸护坡砌筑长度20m技术负责人teniqueprinciple:年月日Date施工班长crewforeman:年月日Date记录人recorder:年月日Date〔浆砌石护坡〕砌石工程施工记录建-13stoesettingrecords工程名称projectname幸福河浆砌石护坡施工constructionpany道第一工程砌体部位stonesetpart北岸护坡施工日constructiondate2003.5.15~7.5砂浆标mortarmarkNo.M10砂浆饱满mortarsaturability96轴线位移axisdisplacement9mm标高偏向elevationwarp11mm~13mm垂直度verticalitydegree外表平整度surfaceleveldegree+8、+1mm砌石断面示意图:stonesettingfracturesurfacesket:北岸护坡砌筑长度70m技术负责人teniqueprinciple:年月日Date施工班长crewforeman:年月日Date记录人recorder:年月日Date〔挡土墙〕砌石工程施工记录建-13stoesettingrecords工程名称projectname河镇蓄水池挡土墙施工constructionpany道第一工程砌体部位stonesetpart挡土墙墙体施工日constructiondate2002.6.11~7.18砂浆标mortarmarkNo.M10砂浆饱满mortarsaturability97%轴线位移axisdisplacement24mm标高偏向elevationwarp15mm~26mm垂直度verticalitydegree+11、+2mm外表平整度surfaceleveldegree+9、-7mm砌石断面示意图:stonesettingfracturesurfacesket:墙体1.35m2.2m0.2m0.4mC20砼压顶Φ50塑料排水每2m一根0.2m0.3m3m道技术负责人teniqueprinciple:年月日Date施工班长crewforeman:年月日Date记录人recorder:年月日Date〔浆砌石护坡〕砌石工程施工记录建-13stoesettingrecords工程名称projectname泰山溢洪河浆砌石护坡施工constructionpany道第一工程砌体部位stonesetpart护坡施工日constructiondate2002.6.15~7.15砂浆标mortarmarkNo.M10砂浆饱满mortarsaturability98线位移axisdisplacement20mm标高偏向elevationwarp10mm~14mm垂直度verticalitydegree外表平整度surfaceleveldegree+8、12mm砌石断面示意图:stonesettingfracturesurfacesket:护坡长度各为55.4m碎石垫层毛石根底0.45m0.85m技术负责人teniqueprinciple:年月日Date施工班长crewforeman:年月日Date记录人recorder:年月日Date〔浆砌石护坡〕砌石工程施工记录建-13stoesettingrecords工程名称projectname新河浆砌石护坡施工constructionpany道第一工程砌体部位stonesetpart东岸护坡施工日constructiondate2003.6.16~7.28砂浆标mortarmarkNo.M10砂浆饱满mortarsaturability96轴线位移axisdisplacement11mm标高偏向elevationwarp11mm~20mm垂直度verticalitydegree外表平整度surfaceleveldegree+3、-5mm砌石断面示意图:stonesettingfracturesurfacesket:东岸护坡砌筑长度33m技术负责人teniqueprinciple:年月日Date施工班长crewforeman:年月日Date记录人recorder:年月日Date〔浆砌石护坡〕砌石工程施工记录建-13stoesettingrecords工程名称projectname新河浆砌石护坡施工constructionpany道第一工程砌体部位stonesetpart西岸护坡施工日constructiondate2003.6.16~7.28砂浆标mortarmarkNo.M10砂浆饱满mortarsaturability96轴线位移axisdisplacement12mm标高偏向elevationwarp11mm~20mm垂直度外表平整度+11、-9mmverticalitydegreesurfaceleveldegree砌石断面示意图:stonesettingfracturesurfacesket:西岸护坡砌筑长度33m技术负责人teniqueprinciple:年月日Date施工班长crewforeman:年月日Date记录人recorder:年月日Date〔浆砌石护坡〕砌石工程施工记录建-13stoesettingrecords工程名称projectname永丰河浆砌石护坡施工constructionpany道第一工程砌体部位stonesetpart东岸护坡施工日constructiondate2003.5.10~6.14砂浆标mortarm...

1、当您付费下载文档后,您只拥有了使用权限,并不意味着购买了版权,文档只能用于自身使用,不得用于其他商业用途(如 [转卖]进行直接盈利或[编辑后售卖]进行间接盈利)。
2、本站所有内容均由合作方或网友上传,本站不对文档的完整性、权威性及其观点立场正确性做任何保证或承诺!文档内容仅供研究参考,付费前请自行鉴别。
3、如文档内容存在违规,或者侵犯商业秘密、侵犯著作权等,请点击“违规举报”。

碎片内容

砌石工程施工记录

确认删除?
VIP
微信客服
  • 扫码咨询
会员Q群
  • 会员专属群点击这里加入QQ群
客服邮箱
回到顶部