电脑桌面
添加小米粒文库到电脑桌面
安装后可以在桌面快捷访问

模板安装与拆除技术交底VIP免费

模板安装与拆除技术交底_第1页
1/3
模板安装与拆除技术交底_第2页
2/3
模板安装与拆除技术交底_第3页
3/3
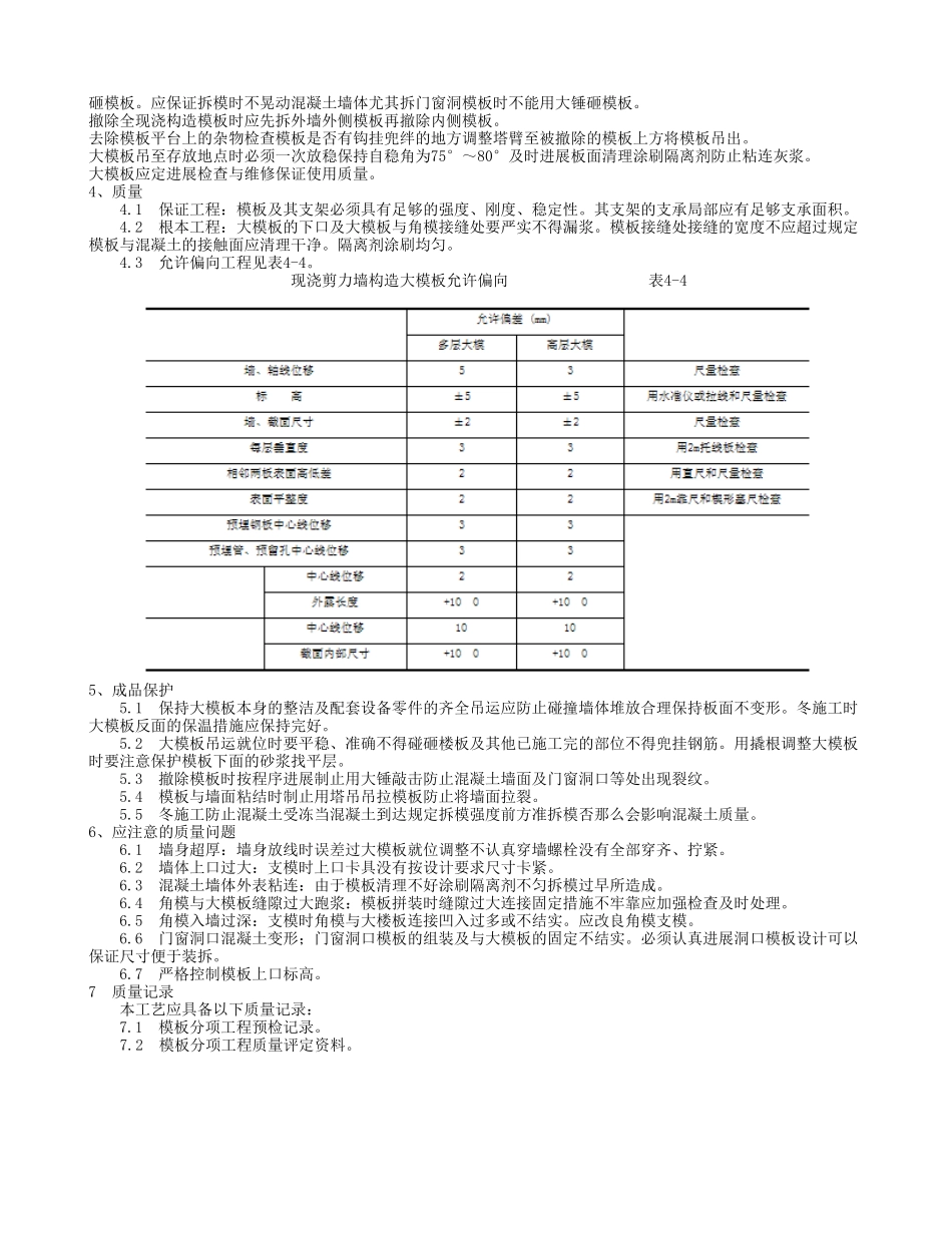
模板安装与撤除技术交底工程名称:黔西华辰·上都4#楼交底部位:根底及主体日:2021年月日交底内容:现浇剪力墙构造大模板安装与撤除1、范围本工艺主要适用于工业与民用建筑外板内模、外砖内模、全现浇剪力墙构造大模板的安装与撤除。2、施工准备2.1材料及主要机具:配套大模板:平模、角模包括地脚螺栓及垫板穿墙螺栓及套护身栏爬梯及作业平台板等。隔离剂:甲基硅树脂、水性脱模剂。一般应各有锤子、斧子、打眼电钻、活动扳子、手锯。程度尺、线坠、撬棍、吊装索具等。2.2作业条件:按工程构造设计图进展模板设计确保强度、刚度及稳定性。弹好楼层的墙身线、门窗洞口位置线及标高线。墙身钢筋绑扎完毕水电箱盒、预埋件、门窗洞口预埋完毕检查保护层厚度应满足要求办完隐蔽工程验收手续。为防止大模板下口跑浆安装大模板前抹好砂浆找平层但找平层不能伸入墙身内。外砖内模构造在安装大模板前把组合柱处的墙上舌头灰清理干净全现浇构造挂好供外墙模板操作的架子。安装大模板前应把大模板板面清理干净刷好隔离剂〔不允许在模板就位后刷隔离剂防止污染钢筋及混凝土接触面涂刷均匀不得漏刷〕。3、操作工艺3.1外板内模构造安装大模板:工艺流程:准备工作→安正模板→安装外墙板→安反模板→固定模板上口→预检3.1.2按照先横墙后纵墙的安装顺序将一个流水段的正模板用塔吊按顺序吊至安装位置初步就位用撬棍按墙位线调整模板位置对称调整模板的一对地脚螺栓或斜杆螺栓。用托线板测垂直校正标高使模板的垂直度、程度度、标高符合设计要求立即拧紧螺栓。安装外墙板用花篮螺栓或卡具将上下端拉结固定。合模前检查钢筋、水电预埋件、门窗洞口模板、穿墙套是否遗漏位置是否准确安装是否结实是否削弱断面过多等合反模板前将墙内杂物清理干净。安装反模板经校正垂直后用穿墙螺栓将两块模板锁紧。正反模板安装完后检查角模与墙模模板与楼板楼梯间墙面间隙必须严防止有漏浆、错台现象。检查每道墙上口是否平直用扣件或螺栓将两块模板上口固定。办完模板工程预检验收方准浇筑混凝土。3.2外砖内模构造安装大模板:工艺流程:外墙砌砖→安装正、反大模板→安装角模→预检安装正反大模板其与外板内模构造一样。在混凝土内外墙交接处安装角模为防止浇内墙混凝土时组合柱处的外砖墙鼓胀应在砖墙外加竖向5cm厚木板及横向加固带通过与内墙钢模拉结增加砖墙刚度。3.3全现浇构造安装大模板:工艺流程:准备工作→挂外架子→安内横墙模板→安内纵墙模板→安堵头模板→安外墙内侧模板→合模前钢筋隐检→安外墙外侧模板→预检在下层外墙混凝土强度不低于7.5MPa时利用下一层外墙螺栓孔挂金属三角平台架。安装内横墙、内纵墙模板〔安装与外板内模构造的大模板安装一样〕。在内墙模板的外端头安装活动堵头模板它可以用木板或用铁板根据墙厚制作模板要严防止浇筑内墙混凝土时混凝土从外端头部位流出。先安装外墙内侧模板按楼板上的位置线将大模板就位找正然后安装门窗洞口模板。合模板前将钢筋、水电等预埋件进展隐检。安装外墙外侧模板模板放在金属三角平台架上将模板就位穿螺栓紧固校正注意施工缝模板的连接处必须严、结实可靠防止出现错台和漏浆现象。3.4撤除大模板在常温条件下墙体混凝土强度必须达1MPa冬施工外板内模构造、外砖内模构造墙体混凝土强度达4MPa才准拆模全现浇构造外墙混凝土强度在7.5MPa内墙混凝土强度在5MPa才准拆模拆模时应以同条件养护试块抗压强度为准。撤除模板顺序与安装模板顺序相反先拆纵墙模板后拆横墙模板首先拆下穿墙螺栓再松开地脚螺栓使模板向后倾斜与墙体脱开。假如模板与混凝土墙面吸附或粘结不能分开时可用撬棍撬动模板下口不得在墙上口撬模板或用大锤砸模板。应保证拆模时不晃动混凝土墙体尤其拆门窗洞模板时不能用大锤砸模板。撤除全现浇构造模板时应先拆外墙外侧模板再撤除内侧模板。去除模板平台上的杂物检查模板是否有钩挂兜绊的地方调整塔臂至被撤除的模板上方将模板吊出。大模板吊至存放地点时必须一次放稳保持自稳角为75°~80°及时进展板面清理涂刷隔离剂防止粘连灰浆。大模板应定进展检查与维修保证使用质量。4、质量4.1保证工程:模板及其支架必须具有足够的强度、...

1、当您付费下载文档后,您只拥有了使用权限,并不意味着购买了版权,文档只能用于自身使用,不得用于其他商业用途(如 [转卖]进行直接盈利或[编辑后售卖]进行间接盈利)。
2、本站所有内容均由合作方或网友上传,本站不对文档的完整性、权威性及其观点立场正确性做任何保证或承诺!文档内容仅供研究参考,付费前请自行鉴别。
3、如文档内容存在违规,或者侵犯商业秘密、侵犯著作权等,请点击“违规举报”。

碎片内容

模板安装与拆除技术交底

确认删除?
VIP
微信客服
  • 扫码咨询
会员Q群
  • 会员专属群点击这里加入QQ群
客服邮箱
回到顶部