电脑桌面
添加小米粒文库到电脑桌面
安装后可以在桌面快捷访问

抹灰工程技术交底详细版VIP免费

抹灰工程技术交底详细版_第1页
1/4
抹灰工程技术交底详细版_第2页
2/4
抹灰工程技术交底详细版_第3页
3/4
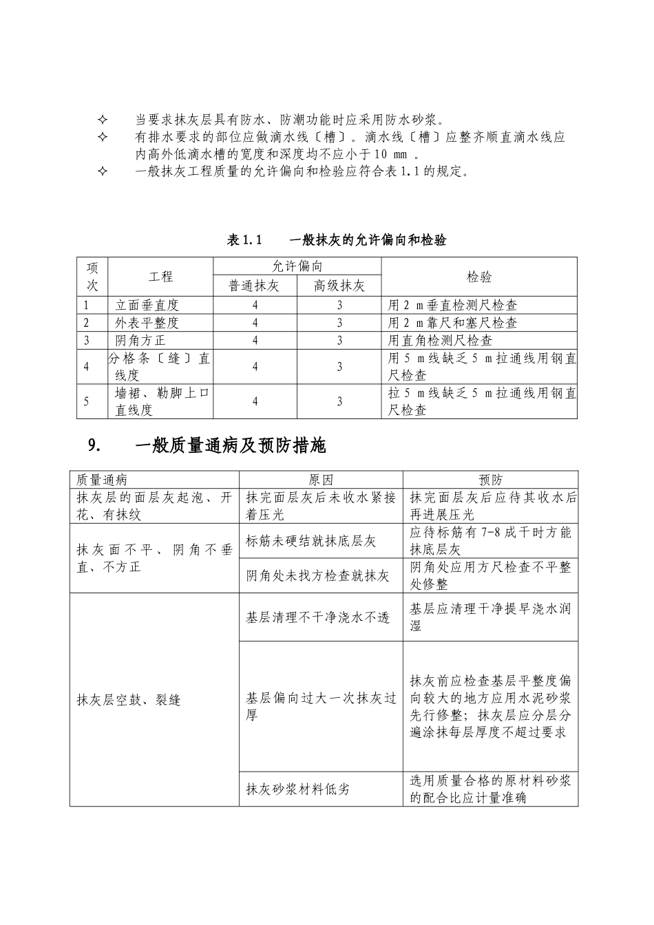
抹灰工程技术交底1.概述本分项工程为一般抹灰工程分为内墙抹灰和外墙抹灰。内墙抹灰分两层进展第一层为9mm厚水泥砂浆第二层为6mm厚水泥砂浆;外墙抹灰分两层进展第一层为15mm厚水泥砂浆第二层为10mm厚水泥砂浆。2.抹灰材料水泥:采用Ⅰ型42.5#普通硅酸盐水泥砂:采用当地沙漠砂3.施工机具砂浆搅拌机;铁抹子、木抹子、塑料抹子、阴角抹子、角抹子、捋角器、压子、铁皮、灰板、灰斗、靠线板、刮尺、程度线、线锤、尼龙线、分隔条、粉线袋、钢丝刷、小条帚4.砂浆拌制4.1根据实验室提供的砂浆配合比进展配料。4.2砂浆采用滚筒式拌和机拌和拌和时间自投料完毕算起不得少于1.5min。4.3砂浆应随拌随用水泥砂浆应在拌成3h内使用完毕。5.作业条件5.1抹灰部位的主体构造均已检查合格门窗框及需要预埋的道已安装完毕并检查合格。5.2抹灰用的脚手架应先搭好脚手架分开墙面约200cm-250cm左右。5.3抹灰前基层外表的尘土、污垢、油渍等应去除干净并洒水润湿。6.工艺流程准备工作→基层处理→吊垂直、套方、找规矩、做灰饼→冲筋→做护脚→抹底层水泥砂浆→抹面层水泥砂浆并压光→抹窗台板、踢脚线〔或墙裙〕→养护7.施工技术操作要点7.1基层处理抹灰前应对墙体、混凝土等基体外表做处理去除灰尘、污垢和油渍等。平整度差的混凝土外表凹的地方分层用1:3水泥砂浆补平凸的地方用錾子剔平;墙体与混凝土的交接处应从两边铺设钢丝网其宽度为40cm用带垫片的混凝土钢钉分别固定在墙体和混凝土面上钢钉的间距不宜大于50cm。洒水潮湿。7.2吊垂直、套方、找规矩、做灰饼抹底层灰前必需要找好规矩即四角规方横线找平立线吊直弹出基准线和墙裙、踢脚板线后做灰饼。做灰饼时先做上灰饼再做下灰饼。找出每个施工单元〔一个墙面〕的点保证点有7mm左右的抹灰厚度。然后在2m左右高度据两边阴角10-20cm处各做一个灰饼大小为4-5cm见方;再根据这两个灰饼用靠线板挂垂直线做下面两个对应灰饼上下位置在踢脚线上口处。做好两端头灰饼后以这两块灰饼为拉通线每隔1.2-1.5m做一个同样大小灰饼上下对应。做灰饼完成后分别再检查各组灰饼的垂直度使其符合要求。7.3冲筋冲筋即在上下两个灰饼之间抹出一条长梯形的灰梗其宽度约为8-10cm厚度与两端灰饼相平作为墙面抹灰的。7.4做护脚一般抹灰要做暗护脚线室内的墙面及门窗洞口的角应采用1:2水泥砂浆做暗护脚其高度不低于2m每侧宽不应小于50mm。护脚厚度以门窗框离墙面的空隙为准大面墙的厚度以墙面抹灰层厚度为准护脚线也可起冲筋的作用。7.5抹底层灰底层灰一般在冲筋完成后有一定硬度时即可开场。基面为混凝土时先在混凝土外表涂刷界面剂或掺有胶粘剂的水泥浆一道随刷随抹底层灰。在墙体潮湿的情况下抹底层灰。抹底层灰时以灰饼为准抹至略高于标筋〔2-3mm〕以便刮时与标筋相平;用压尺刮平找直最后采用木抹子搓实。墙的阴角处先用刮尺横竖刮平再用刮尺上下检查方正然后用木质阴角器上下搓平找直使室内阴角方正。7.6抹面层水泥砂浆底层砂浆抹好后按设计要求的水泥砂浆抹面层。施工时先将墙面潮湿然后用砂浆薄刮一道使其与底层灰粘牢接着抹第二遍到达要求的厚度用压尺刮平找直待其“收身后用铁抹子压实压光阴角分〞别用阴角、角抹子搓平;养护。8.施工、规程、质量8.1参考建筑装饰装修工程质量验收执行GB50210-2001。8.2质量普通抹灰外表应光滑、干净、接槎平整分格缝应明晰。不同材料基体交接处外表的抹灰应采取防止开裂的加强措施当采用加强网时加强网与各基体的搭接宽度不应小于100mm。抹灰层与基层之间及各抹灰层之间必须粘结结实抹灰层应无脱层、空鼓面层应无爆灰和裂缝。室内墙面、柱面和门洞口的角做法应符合设计要求。设计无要求时应采用1:2水泥砂浆做暗护脚其高度不应小于2m每侧宽度不应小于50mm。当要求抹灰层具有防水、防潮功能时应采用防水砂浆。有排水要求的部位应做滴水线〔槽〕。滴水线〔槽〕应整齐顺直滴水线应内高外低滴水槽的宽度和深度均不应小于10mm。一般抹灰工程质量的允许偏向和检验应符合表1.1的规定。表1.1一般抹灰的允许偏向和检验项次工程允许偏向检验普通抹灰高级抹灰1立面垂直度43用2m垂直检测尺检查2...

1、当您付费下载文档后,您只拥有了使用权限,并不意味着购买了版权,文档只能用于自身使用,不得用于其他商业用途(如 [转卖]进行直接盈利或[编辑后售卖]进行间接盈利)。
2、本站所有内容均由合作方或网友上传,本站不对文档的完整性、权威性及其观点立场正确性做任何保证或承诺!文档内容仅供研究参考,付费前请自行鉴别。
3、如文档内容存在违规,或者侵犯商业秘密、侵犯著作权等,请点击“违规举报”。

碎片内容

抹灰工程技术交底详细版

确认删除?
VIP
微信客服
  • 扫码咨询
会员Q群
  • 会员专属群点击这里加入QQ群
客服邮箱
回到顶部