电脑桌面
添加小米粒文库到电脑桌面
安装后可以在桌面快捷访问

AAC保温贴块施工方案VIP免费

AAC保温贴块施工方案_第1页
1/8
AAC保温贴块施工方案_第2页
2/8
AAC保温贴块施工方案_第3页
3/8
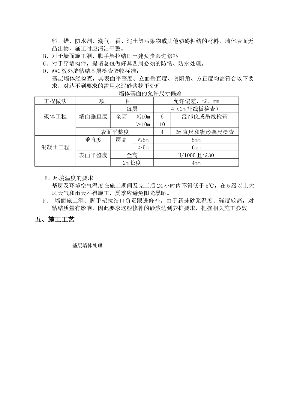
一、工程概况相城商贸中心E地块住宅工程外墙外保温工程,保温采用50mm厚AAC保温块,,粘结采用RM7.5专用干粉砂浆(AAC专用粘结剂),抹面砂浆满铺网格布作保护层。二、编制依据1、业主下发的图纸。2、本公司施工技术规程。三、物资供应施工材料进场前对其进行调查,使用有认证、有出厂合格证的材料,材料进场后随机抽样进行复检,材料合格后方可使用。四、施工部署1、施工准备1)项目经理部组成人员:技术负责人:项目经理、技术员、施工员、安全员、质量员、资料员、材料员、施工班长、仓库管理员(部分职务可兼职)2)劳动力组织材料运输、测量弹线、搅拌、贴板、切割、抹灰、钻孔、打锚固件、打胶、力工(说明:有些工种可兼职)3)、主要施工工具台式切割器、开槽器、劈纸刀、螺丝刀、剪刀、钢锯条、墨斗、棕刷、粗沙纸、电动搅拌器、塑料搅拌桶、冲击钻、电锤、抹子、压子、阴阳角抿子、托线板、2m靠尺等。4)技术准备A、施工及技术管理人员,必须认真熟悉施工图纸,及时检查现场和图纸变更的情况。B、编制施工方案,办好开工审批手续。C、配备专人负责技术资料的收集和整理。D、组织培训施工人员熟练掌握外墙外保温施工工艺。E、对施工队进行技术及安全交底。5)施工现场必须具备的条件A、安装现场应有足够大的室内临时仓库,下铺塑料布,供堆放成品、材料或AAC板现场切割。有简易宿舍,供食宿及工具设备存放。B、安全可靠的脚手架,脚手架内侧应离墙至少200㎜,中间尽量减少拉结点。C、施工面应避免阳光直射,必要时在脚手架上设临时遮阳设施。D、雨天施工时,应采取有效措施,防止雨水冲刷墙面。E、墙身施工过程中,所采取的保护措施,应待泛水密封膏等永久保护构造,按要求施工完毕后,方可拆除。F、作业现场应通水通电,并保持作业环境清洁。6)基层墙体的质量检验A、基层墙体必须清理干净,使墙体表面没有油、浮尘、污垢、脱模剂、风化物、涂料、蜡、防水剂、潮气、霜、泥土等污染物或其他妨碍粘结的材料,墙体表面无凸出物,施工时应清洁平整。B、对于墙面施工洞、脚手架拉结口土建负责跟进修补。C、对于穿墙构件,提请总包做好其四周必须的防锈、防水处理。D、AAC板外墙粘结基层检查验收标准:基层墙体经检查,其表面平整度、立面垂直度、阴阳角、方正度均需符合以下要求,对达不到要求的需用水泥砂浆找平处理墙体基面的允许尺寸偏差工程做法项目允许偏差,≤,mm砌体工程墙面垂直度每层4(2m托线板检查)全高≤10m6经纬仪或吊线检查>10m10表面平整度42m直尺和锲形塞尺检查混凝土工程垂直度层高≤5m5mm>5m6mm表面平整度全高H/1000且≤302m长度4mmE、环境温度的要求基层及环境空气温度在施工期间及完工后24小时内不得低于5℃,在5级以上大风天气和雨天不得施工,夏季应避免阳光暴晒。F、墙面施工洞、脚手架拉结口负责跟进修补。由于新抹砂浆温度、碱度较高,对粘结质量有影响,因此要求这些修补的砂浆达到养护要求,把握相关施工参数。五、施工工艺基层墙体处理压入翻包网及增强网格抹面层抹面(抗裂砂浆)抹底面抹面(抗裂砂浆)修整、补外饰验收竣工做滴水线、分格(伸缩)1、材料准备A)粘结胶浆的配制:将粘结胶浆粉料分批倒入一盛有约5.5升水的干净容器中,用低速搅拌器搅拌成均匀的糊状胶浆。胶浆净置5分钟。使用前再搅拌一次使其具有适宜的粘稠度。·粘结胶浆中不得掺入砂、骨料、速凝剂、聚合物等其它添加剂;·粘结胶浆应随用随搅,已搅拌好的胶浆料必须在2小时内用完。B)AAC板的切割:应尽量使用标准尺寸的AAC板(600mm×300mm或600mm×2000mm),需使用非标准尽寸的AAC板时,应进行切割,但AAC板最大尺寸为600×2000mm。C)网格布的准备:应根据工作面的要求剪裁网格布,标准网布应留出搭接长度。墙面的搭接长度80㎜,阴阳角搭接长度为200㎜。2、弹线和托架的安装根据图纸要求,首先沿着外墙散水标高弹好散水水平线;然后在每层需要安装镀锌角钢托架(L40×40×3)的层高处弹好水平线。再把镀锌角钢托架用φ8不锈钢膨胀螺栓固定在沿水平线的墙上。八层以下每两层安装一道镀锌角钢托架,八层以上每层都必须安装一道镀锌角钢托架。3、粘贴AAC板和安装A、AAC...

1、当您付费下载文档后,您只拥有了使用权限,并不意味着购买了版权,文档只能用于自身使用,不得用于其他商业用途(如 [转卖]进行直接盈利或[编辑后售卖]进行间接盈利)。
2、本站所有内容均由合作方或网友上传,本站不对文档的完整性、权威性及其观点立场正确性做任何保证或承诺!文档内容仅供研究参考,付费前请自行鉴别。
3、如文档内容存在违规,或者侵犯商业秘密、侵犯著作权等,请点击“违规举报”。

碎片内容

AAC保温贴块施工方案

您可能关注的文档

确认删除?
VIP
微信客服
  • 扫码咨询
会员Q群
  • 会员专属群点击这里加入QQ群
客服邮箱
回到顶部