电脑桌面
添加小米粒文库到电脑桌面
安装后可以在桌面快捷访问

塔式起重机基础施工方案VIP免费

塔式起重机基础施工方案_第1页
1/14
塔式起重机基础施工方案_第2页
2/14
塔式起重机基础施工方案_第3页
3/14
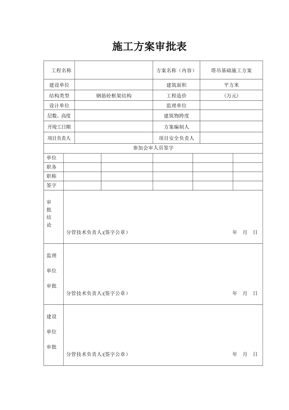
***********工程塔吊基础施工方案*****筑有限公司*****工程项目部二0一0年三月施工方案审批表工程名称方案名称(内容)塔吊基础施工方案建设单位建筑面积平方米结构类型钢筋砼框架结构工程造价(万元)设计单位监理单位层数、高度建筑物跨度开竣工日期方案编制人项目负责人项目安全负责人参加会审人员签字单位职务职称签字审批结论分管技术负责人:(签字公章)年月日监理单位审批分管技术负责人:(签字公章)年月日建设单位审批分管技术负责人:(签字公章)年月日塔吊基础施工方案一、工程概况本工程为*****工程,工程地址位于*****内,病房楼建筑总面积****m2,结构型式为钢筋砼框架结构,高度:*****m,地上11层,全现浇框架结构。二、塔吊基础概况:本工程施工时拟采用两台QTZ4708型塔吊。其基础设计5500mm×5500mm。基础总重量不小于90T,地基承载能力不小于10T/m2,基础砼标号C35。拟建工程场地为二类场地,地基持力层为第三层粘土层,承载力特征值170kpa/M2,地基土承载力特征值满足塔吊基础所需承载力要求,基础底下100mm厚C15砼垫层。塔吊基础平面位置布置示意如附图2所示。三、塔吊天然基础的计算书(一).参数信息塔吊型号:QTZ4708自重(包括压重):F1=357.70kN最大起重荷载:F2=40.00kN塔吊倾覆力距:M=758.31kN.m塔吊起重高度:H=60.00m塔身宽度:B=2.20m混凝土强度等级:C30钢筋级别:Ⅱ级地基承载力特征值:170.00kPa基础最小宽度:Bc=6.20m基础最小厚度:h=1.20m基础埋深:D=4.00m预埋件埋深:h=0.5m(二).基础最小尺寸计算基础的最小厚度取:H=1.20m基础的最小宽度取:Bc=5.5m(三).塔吊基础承载力计算依据《建筑地基基础设计规范》(GB50007-2002)第5.2条承载力计算。计算简图:由于偏心距e=M/(F+G)=1061.63/(397.70+4276.45)=0.23≤B/6=1.03所以按小偏心计算,计算公式如下:当考虑附着时的基础设计值计算公式:式中F──塔吊作用于基础的竖向力,它包括塔吊自重,压重和最大起重荷载,F=397.70kN;G──基础自重与基础上面的土的自重,G=25.0×Bc×Bc×Hc+20.0×Bc×Bc×D=4276.45kN;Bc──基础底面的宽度,取Bc=5.5m;W──基础底面的抵抗矩,W=Bc×Bc×Bc/6=39.72m3;M──倾覆力矩,包括风荷载产生的力距和最大起重力距,M=1.4×758.31=1061.63kN.m;经过计算得到:最大压力设计值Pmax=1.2×(397.70+4276.45)/5.52+1061.63/39.72=172.64kPa最小压力设计值Pmin=1.2×(397.70+4276.45)/5.52-1061.63/39.72=119.19kPa有附着的压力设计值Pk=1.2×(397.70+4276.45)/5.52=145.92kPa(四).地基基础承载力验算地基基础承载力特征值计算依据《建筑地基基础设计规范》GB50007-2002第5.2.3条。计算公式如下:其中fa──修正后的地基承载力特征值(kN/m2);fak──地基承载力特征值,取170.00kN/m2;b──基础宽度地基承载力修正系数,取0.15;d──基础埋深地基承载力修正系数,取1.40;──基础底面以下土的重度,取20.00kN/m3;γm──基础底面以上土的重度,取20.00kN/m3;b──基础底面宽度,取5.5m;d──基础埋深度,取0.00m。解得修正后的地基承载力特征值fa=165.00kPa实际计算取的地基承载力特征值为:fa=165.00kPa由于fa≥Pk=145.92kPa所以满足要求!偏心荷载作用:由于1.2×fa≥Pkmax=172.64kPa所以满足要求!(五).受冲切承载力验算依据《建筑地基基础设计规范》GB50007-2002第8.2.7条。验算公式如下:式中hp──受冲切承载力截面高度影响系数,取hp=0.96;ft──混凝土轴心抗拉强度设计值,取ft=1.57kPa;am──冲切破坏锥体最不利一侧计算长度:am=[2.20+(2.20+2×1.20)]/2=3.40m;h0──承台的有效高度,取h0=.7m;Pj──最大压力设计值,取Pj=172.64kPa;Fl──实际冲切承载力:Fl=172.64×(5.5×1.30+3.43)=1983.66kN。允许冲切力:0.7×0.96×1.57×3400×700=2510995.20N=2511.00kN实际冲切力不大于允许冲切力设计值,所以能满足要求!(六).承台配筋计算依据《建筑地基基础设计规范》GB50007-2002第8.2.7条。1.抗弯计算,计算公式如下:式中a1──截面I-I至基底边缘的距离,取a1=2.00m;P──截面I-I处的基底反力:P=(6.20-2.00)×(172.64-119.19)/6.20+119.19=155.40kPa;a'─...

1、当您付费下载文档后,您只拥有了使用权限,并不意味着购买了版权,文档只能用于自身使用,不得用于其他商业用途(如 [转卖]进行直接盈利或[编辑后售卖]进行间接盈利)。
2、本站所有内容均由合作方或网友上传,本站不对文档的完整性、权威性及其观点立场正确性做任何保证或承诺!文档内容仅供研究参考,付费前请自行鉴别。
3、如文档内容存在违规,或者侵犯商业秘密、侵犯著作权等,请点击“违规举报”。

碎片内容

塔式起重机基础施工方案

确认删除?
VIP
微信客服
  • 扫码咨询
会员Q群
  • 会员专属群点击这里加入QQ群
客服邮箱
回到顶部