电脑桌面
添加小米粒文库到电脑桌面
安装后可以在桌面快捷访问

老化筛选工岗位说明书VIP免费

老化筛选工岗位说明书_第1页
1/3
老化筛选工岗位说明书_第2页
2/3
老化筛选工岗位说明书_第3页
3/3
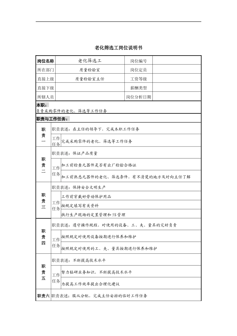
老化筛选工岗位说明书岗位名称老化筛选工岗位编号所在部门质量检验室岗位定员直接上级质量检验室主任工资等级直接下级薪酬类型所辖人员岗位分析日期本职:负责采购零件的老化、筛选等工作任务职责与工作任务:职责一职责表述:在主任的领导下,完成本职工作任务工作任务完成采购零件的老化、筛选等工作任务职责二职责表述:保证产品质量工作任务加工前检查元器件是否有出厂检验合格证加工前熟悉元器件的老化、筛选条件,有不清楚的地方及时向主任了解职责三职责表述:保持安全文明生产工作任务工作前穿戴好劳动保护用品按规定填写有关资料执行生产现场的定置管理和5S管理职责四职责表述:遵守操作规程,对使用的设备、工、夹、量具的完好负责工作任务按照规定对使用设备按期进行保养和维护按照规定对使用的工、夹、量具按期进行保养和维护职责五职责表述:不断提高技术水平工作任务努力钻研业务知识,不断提高技术水平为提高工作效率提出合理化建议职责六职责表述:服从分配,完成主任安排的临时工作任务权力:对没有出厂检验合格证的产品、零件有权拒绝加工并向主任汇报对工艺内容不清的产品、零件有权拒绝加工并向主任汇报对违章指挥、违章操作有权制止并向主任汇报工作协作关系:内部协调关系采购部、质量检验室外部协调关系任职资格:教育水平技校、职业高中毕业专业电子、电器类专业培训经历岗位培训合格证经验一年以上工作经验知识掌握使用设备的性能、操作和使用维护方法掌握常用元器件的性能了解初等数学、材料学、电路、电工的一般知识了解生产管理和全面质量管理的内容技能技巧熟练掌握元器件的老化方法个人素质具有一定人际能力、沟通能力、计划与执行能力其它:使用工具/设备老化、筛选机,工、夹具、测试仪器工作环境车间工作时间特征正常工作时间,根据需要加班所需记录文档老化、筛选的过程记录和结果记录考核指标:工时、质量、重要任务完成情况考勤、服从安排、遵守制度人际交往能力、沟通能力、判断和决策能力、计划和执行能力、专业知识及技能备注

1、当您付费下载文档后,您只拥有了使用权限,并不意味着购买了版权,文档只能用于自身使用,不得用于其他商业用途(如 [转卖]进行直接盈利或[编辑后售卖]进行间接盈利)。
2、本站所有内容均由合作方或网友上传,本站不对文档的完整性、权威性及其观点立场正确性做任何保证或承诺!文档内容仅供研究参考,付费前请自行鉴别。
3、如文档内容存在违规,或者侵犯商业秘密、侵犯著作权等,请点击“违规举报”。

碎片内容

老化筛选工岗位说明书

中小学教育精品资料+ 关注
实名认证
内容提供者

中小学教育资料,优质文档创作者

确认删除?
VIP
微信客服
  • 扫码咨询
会员Q群
  • 会员专属群点击这里加入QQ群
客服邮箱
回到顶部