电脑桌面
添加小米粒文库到电脑桌面
安装后可以在桌面快捷访问

疾病预防控制工作绩效评估标准(XXXX年版)VIP免费

疾病预防控制工作绩效评估标准(XXXX年版)_第1页
1/183
疾病预防控制工作绩效评估标准(XXXX年版)_第2页
2/183
疾病预防控制工作绩效评估标准(XXXX年版)_第3页
3/183
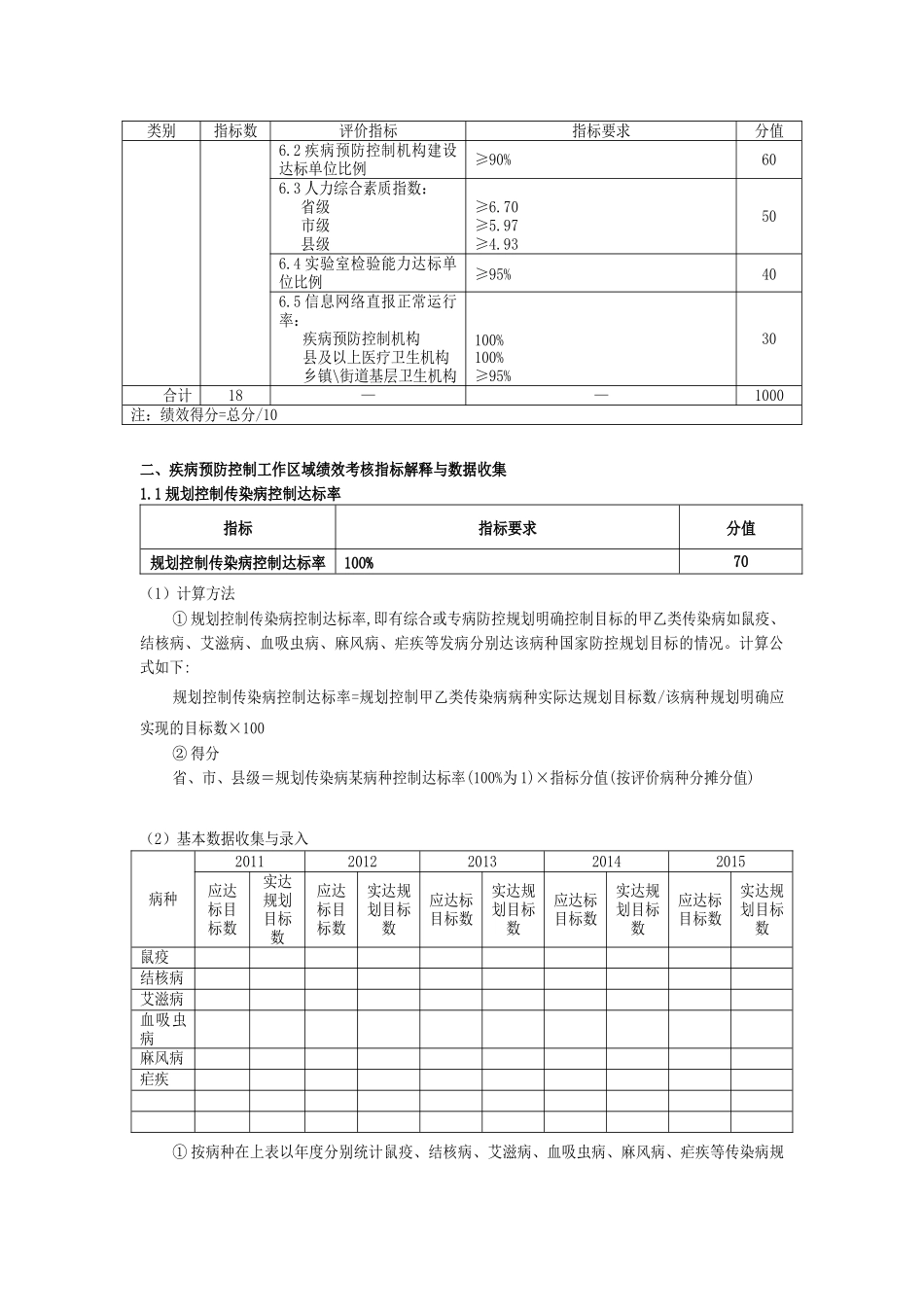
疾病预防控制工作绩效评估标准(2012年版)山西省卫生厅二○一三年二月五日第一部分疾病预防控制工作区域绩效考核疾病预防控制工作区域绩效考核主要评价区域政府加强公共服务,贯彻执行国家疾病预防控制相关法律法规、政策规划,加强辖区公共卫生服务,推进疾病预防控制工作,实现国家规划目标,促进辖区居民人人享有健康的情况。疾病预防控制工作区域绩效考核指标包括:传染病预防控制、慢性非传染性疾病预防控制、突发公共卫生事件处置、健康危害因素监测评价与干预、健康教育和健康促进、运行保障等6个类别18个指标。适用于省、市、县级行政区域中上级政府对下级政府,或本级政府疾病预防控制工作的绩效考核;适用于创建国家卫生城镇、健康城市,促进基本公共卫生服务逐步均等化和人人享有初级卫生保健等有关区域考核中对疾病预防控制工作的评价;适用于区域执行医改政策和《财政支出绩效评价管理暂行办法》对公共财政支出卫生疾病预防控制有关项目绩效评价。一、疾病预防控制工作区域绩效考核指标类别指标数评价指标指标要求分值1.传染病预防控制31.1规划控制传染病达标率100%701.2传染病总发病率与自身前五年平均发病率纵向比较,有控制501.3儿童疫苗接种率达到国家免疫规划的要求602.非传染性疾病预防控制32.1全民健康生活方式行动覆盖率:全民健康生活方式行动覆盖率慢性病综合防控示范区覆盖率达规划目标50%502.2慢性病综合干预覆盖率:城乡居民健康档案建档合格率慢性病规范管理率管理人群血压、血糖控制率儿童口腔疾病预防干预的学校覆盖率口腔疾病预防干预的儿童覆盖率达到医改要求达规划目标60%60%30%602.3.重性精神疾病患者管理率重性精神疾病患者管理率重性精神疾病患者检出率≥70%20122013201420152.5‰3‰3.5‰4‰503.突发公共卫生事件处置23.1突发公共卫生事件报告及时率100%503.2突发公共卫生事件规范处置指数≥0.85604.健康危害因素监测评价与干预34.1健康危害因素监测与干预覆盖率100%404.2新建改(扩)建项目卫生学评价率100%304.3农村改水改厕普及率:农村安全饮用水覆盖率农村无害化厕所普及率≥90%≥80%505.健康教育和健康促进25.1居民基本卫生防病知识知晓率:农村城市东部中部西部≥80%≥70%≥60%≥85%≥75%≥65%405.2居民基本卫生防病行为形成率:农村城市东部中部西部≥70%≥60%≥50%≥75%≥65%≥55%506.运行保障56.1疾病预防控制经费投入占地方财政经常性支出的比例逐年增加,且不低于当地财政支出增长比例160类别指标数评价指标指标要求分值6.2疾病预防控制机构建设达标单位比例≥90%606.3人力综合素质指数:省级市级县级≥6.70≥5.97≥4.93506.4实验室检验能力达标单位比例≥95%406.5信息网络直报正常运行率:疾病预防控制机构县及以上医疗卫生机构乡镇\街道基层卫生机构100%100%≥95%30合计18——1000注:绩效得分=总分/10二、疾病预防控制工作区域绩效考核指标解释与数据收集1.1规划控制传染病控制达标率指标指标要求分值规划控制传染病控制达标率100%70(1)计算方法①规划控制传染病控制达标率,即有综合或专病防控规划明确控制目标的甲乙类传染病如鼠疫、结核病、艾滋病、血吸虫病、麻风病、疟疾等发病分别达该病种国家防控规划目标的情况。计算公式如下:规划控制传染病控制达标率=规划控制甲乙类传染病病种实际达规划目标数/该病种规划明确应实现的目标数×100②得分省、市、县级=规划传染病某病种控制达标率(100%为1)×指标分值(按评价病种分摊分值)(2)基本数据收集与录入病种20112012201320142015应达标目标数实达规划目标数应达标目标数实达规划目标数应达标目标数实达规划目标数应达标目标数实达规划目标数应达标目标数实达规划目标数鼠疫结核病艾滋病血吸虫病麻风病疟疾①按病种在上表以年度分别统计鼠疫、结核病、艾滋病、血吸虫病、麻风病、疟疾等传染病规划防控目标应达标与实际达标的指标情况。②应达标目标数:规划明确至2015年应实现的目标数。③实达标目标数:按规划要求,实际执行,实现的目标数。④有相关病种规划控制目标实现情况的自我专题评价报告。(3)基本数据收集来源、方法数据收集从卫生行政部门、疾病预防控制...

1、当您付费下载文档后,您只拥有了使用权限,并不意味着购买了版权,文档只能用于自身使用,不得用于其他商业用途(如 [转卖]进行直接盈利或[编辑后售卖]进行间接盈利)。
2、本站所有内容均由合作方或网友上传,本站不对文档的完整性、权威性及其观点立场正确性做任何保证或承诺!文档内容仅供研究参考,付费前请自行鉴别。
3、如文档内容存在违规,或者侵犯商业秘密、侵犯著作权等,请点击“违规举报”。

碎片内容

疾病预防控制工作绩效评估标准(XXXX年版)

您可能关注的文档

确认删除?
VIP
微信客服
  • 扫码咨询
会员Q群
  • 会员专属群点击这里加入QQ群
客服邮箱
回到顶部