电脑桌面
添加小米粒文库到电脑桌面
安装后可以在桌面快捷访问

预制场专项施工方案培训资料VIP免费

预制场专项施工方案培训资料_第1页
1/35
预制场专项施工方案培训资料_第2页
2/35
预制场专项施工方案培训资料_第3页
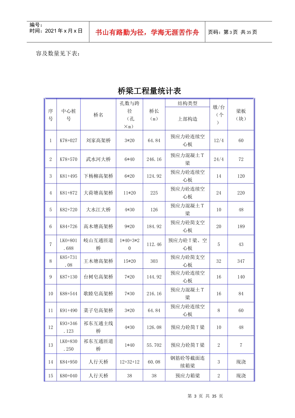
3/35
第1页共35页编号:时间:2021年x月x日书山有路勤为径,学海无涯苦作舟页码:第1页共35页目录第一章工程概况.........................................................................................................................................1一、工程简介...................................................................................................................................................2二、工程自然条件...........................................................................................................................................4三、主要工程数量...........................................................................................................................................4第二章施工组织计划.................................................................................................................................5一、施工进度计划...........................................................................................................................................5二、施工顺序...................................................................................................................................................5三、施工组织...................................................................................................................................................6四、场地总体布置...........................................................................................................................................8第三章施工方案及工艺...............................................................................................................................9一、预制台座...................................................................................................................................................9二、模板加工.................................................................................................................................................11三、梁板预制施工.........................................................................................................................................11四、梁板架设安装.........................................................................................................................................21五、连续段施工.............................................................................................................................................23六、先简支后连续体系转换的施工程序.....................................................................................................24第四章质量保障措施.................................................................................................................................25第五章高温季节施工安排.........................................................................................................................26第六章冬季(低温)及雨季施工安排.....................................................................................................271、冬季(低温)施工安排...........................................................................................................................272、雨季施工安排...........................................................................................................................................28第七章安全保障措施.....................

1、当您付费下载文档后,您只拥有了使用权限,并不意味着购买了版权,文档只能用于自身使用,不得用于其他商业用途(如 [转卖]进行直接盈利或[编辑后售卖]进行间接盈利)。
2、本站所有内容均由合作方或网友上传,本站不对文档的完整性、权威性及其观点立场正确性做任何保证或承诺!文档内容仅供研究参考,付费前请自行鉴别。
3、如文档内容存在违规,或者侵犯商业秘密、侵犯著作权等,请点击“违规举报”。

碎片内容

预制场专项施工方案培训资料

您可能关注的文档

确认删除?
VIP
微信客服
  • 扫码咨询
会员Q群
  • 会员专属群点击这里加入QQ群
客服邮箱
回到顶部