电脑桌面
添加小米粒文库到电脑桌面
安装后可以在桌面快捷访问

某礼品厂的岗位规范VIP专享VIP免费

某礼品厂的岗位规范_第1页
1/27
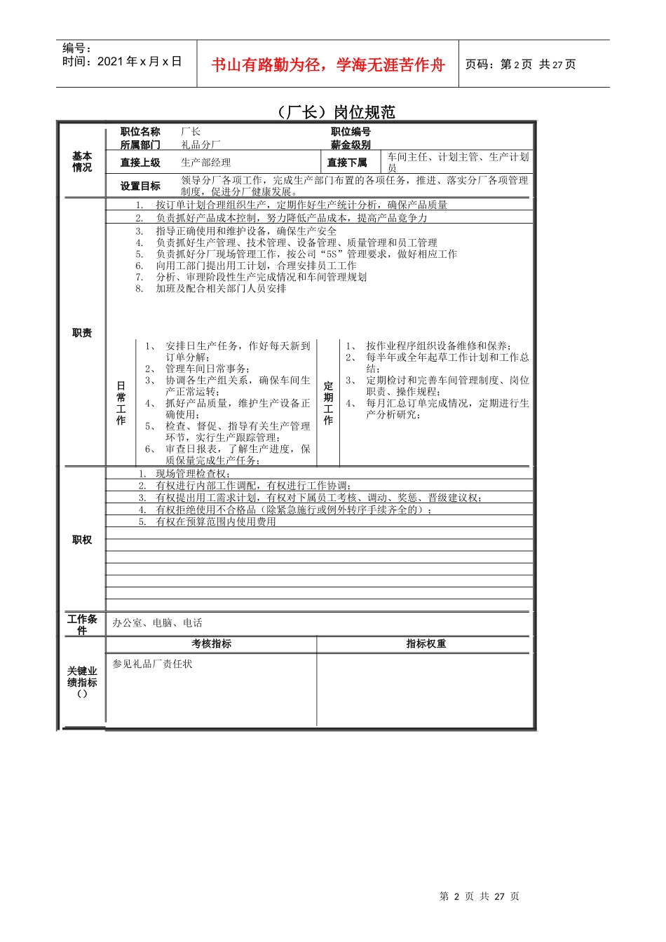
某礼品厂的岗位规范_第2页
2/27
某礼品厂的岗位规范_第3页
3/27
第1页共27页编号:时间:2021年x月x日书山有路勤为径,学海无涯苦作舟页码:第1页共27页礼品厂岗位规范第2页共27页第1页共27页编号:时间:2021年x月x日书山有路勤为径,学海无涯苦作舟页码:第2页共27页(厂长)岗位规范基本情况职位名称厂长职位编号所属部门礼品分厂薪金级别直接上级生产部经理直接下属车间主任、计划主管、生产计划员设置目标领导分厂各项工作,完成生产部门布置的各项任务,推进、落实分厂各项管理制度,促进分厂健康发展。职责1.按订单计划合理组织生产,定期作好生产统计分析,确保产品质量2.负责抓好产品成本控制,努力降低产品成本,提高产品竟争力3.指导正确使用和维护设备,确保生产安全4.负责抓好生产管理、技术管理、设备管理、质量管理和员工管理5.负责抓好分厂现场管理工作,按公司“5S”管理要求,做好相应工作6.向用工部门提出用工计划,合理安排员工工作7.分析、审理阶段性生产完成情况和车间管理规划8.加班及配合相关部门人员安排日常工作1、安排日生产任务,作好每天新到订单分解;2、管理车间日常事务;3、协调各生产组关系,确保车间生产正常运转;4、抓好产品质量,维护生产设备正确使用;5、检查、督促、指导有关生产管理环节,实行生产跟踪管理;6、审查日报表,了解生产进度,保质保量完成生产任务;定期工作1、按作业程序组织设备维修和保养;2、每半年或全年起草工作计划和工作总结;3、定期检讨和完善车间管理制度、岗位职责、操作规程;4、每月汇总订单完成情况,定期进行生产分析研究;职权1.现场管理检查权;2.有权进行内部工作调配,有权进行工作协调;3.有权提出用工需求计划,有权对下属员工考核、调动、奖惩、晋级建议权;4.有权拒绝使用不合格品(除紧急施行或例外转序手续齐全的);5.有权在预算范围内使用费用工作条件办公室、电脑、电话关键业绩指标()考核指标指标权重参见礼品厂责任状第3页共27页第2页共27页编号:时间:2021年x月x日书山有路勤为径,学海无涯苦作舟页码:第3页共27页工作关系内部工作关系汇报定期向直接上级提交月度工作计划与工作总结定期向直接上级提交产品交货准期率定期向直接上级提交产品一次交检合格率不定期向直接上级提交生产生产过程中存在的需协调问题督导定期检查直属下级各项工作执行情况定期检查直属下级月度工作计划与工作总结定期检查下属各部门“5S”及其它工作执行情况协调与内部分供方协调按时供货计划与内部分供方协调产品改进计划与物流部协调物流管理存在的有关问题外部工作关系与外部分供方协调按时供货计划与外部分供方协调产品改进计划任职资格学历中专以上学历专业不限年龄40岁以下性别不限性格工作经验3年以上相关工作经历岗位所需知识具有相关岗位较丰富的实践经验1年以上制笔专业管理经验岗位技能要求良好的领导能力和组织协调能力岗位技能培训要求科目名称课时数熟练使用系统和制笔专业知识半天制笔专业实际经验管理沟通技巧半天企业管理两周职前培训新员工入职培训公司管理现状培训职业发展可晋升的职位生产副总、技术总监可转换的职位生产部经理、品管部经理等修订履历修订时间修订内容修订者审核者审批者2004-2-10版本建立2005-4-1版本修订丁明杰柯金财邱智铭第4页共27页第3页共27页编号:时间:2021年x月x日书山有路勤为径,学海无涯苦作舟页码:第4页共27页(生产管理员)岗位规范基本情况职位名称生产管理员职位编号所属部门礼品分厂薪金级别直接上级综合计划员直接下属设置目标职责1、收集、核查车间生产报表,编制《日生产计划》。2、订单统计、发放、记录、作好跟单管理和订单处理,跟踪各类订单完成情况。3、制止报表中的违规操作。4、生产统计分析,异常协调处理上报。日常工作1、运作中的订单完成数据跟踪与记录;2、收集汇总日报,处理定单异常事宜;3、按主管要求,维护《礼品公司定单》、《各分厂定单》、《样品定单》表中生产具体状态;4、日报资料核查及督促数据更正。定期工作1、编制各订单生产进度表;2、统计分析报告。职权1、报表资料核查权2、合理化建议权3、业务培训权4、统计数据异常反映权工作条件办公室、电脑、电话关键业绩指标()考核指标...

1、当您付费下载文档后,您只拥有了使用权限,并不意味着购买了版权,文档只能用于自身使用,不得用于其他商业用途(如 [转卖]进行直接盈利或[编辑后售卖]进行间接盈利)。
2、本站所有内容均由合作方或网友上传,本站不对文档的完整性、权威性及其观点立场正确性做任何保证或承诺!文档内容仅供研究参考,付费前请自行鉴别。
3、如文档内容存在违规,或者侵犯商业秘密、侵犯著作权等,请点击“违规举报”。

碎片内容

某礼品厂的岗位规范

确认删除?
VIP
微信客服
  • 扫码咨询
会员Q群
  • 会员专属群点击这里加入QQ群
客服邮箱
回到顶部