电脑桌面
添加小米粒文库到电脑桌面
安装后可以在桌面快捷访问

某中型制造业制造部经理岗位说明书VIP免费

某中型制造业制造部经理岗位说明书_第1页
1/3
某中型制造业制造部经理岗位说明书_第2页
2/3
某中型制造业制造部经理岗位说明书_第3页
3/3
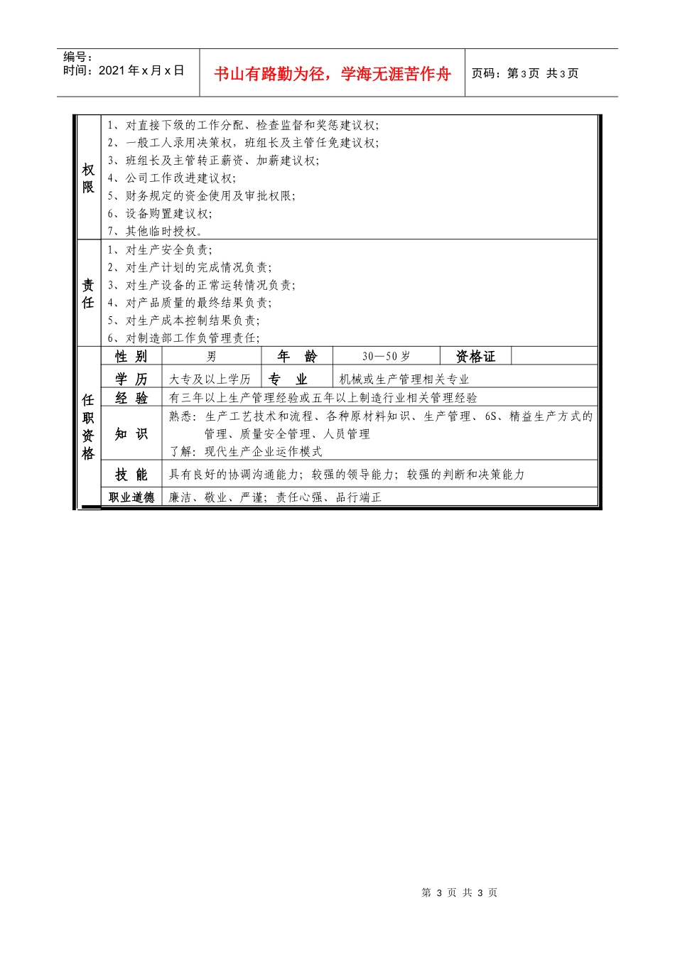
第1页共3页编号:时间:2021年x月x日书山有路勤为径,学海无涯苦作舟页码:第1页共3页*****有限责任公司工作说明书编号DW-JD-0301发布日期单位名称*****有限责任公司岗位名称制造部经理直接上级生产副总部门制造部直接下级装配车间主管、胜意车间主管、注塑车间主管、设备主管、统计员、生产调度、现场技术工程师下级人数7人主要工作职责在分管副总经理的领导下全面主持制造部的各项管理工作第2页共3页第1页共3页编号:时间:2021年x月x日书山有路勤为径,学海无涯苦作舟页码:第2页共3页工作内容1制度的拟订与执行1.1贯彻执行公司各项规章制度;1.2建立健全公司生产管理规章制度、业务流程,并监督执行;1.3拟订并执行部门管理制度和部门工作流程。2生产计划制定2.1负责根据公司发展战略及年度经营目标,制定制造部年度生产计划,报总经理批准后组织实施;2.2负责按照制造部年度生产计划及商务计划令和公司下达的月度生产计划,分解各车间、各班组的月度、周生产计划;2.3负责公司生产调度工作和跨部门的生产协调工作,组织召开生产调度会,对相关配合部门进行生产调度、协调、跟踪;3生产管理3.1掌握公司产量及生产进度,并定期组织汇总分析、报告,保证产品交期;3.2控制产品原材料消耗、物耗、能耗,协调现场生产,改进现场管理;3.3编制原、辅材料物资需求计划,审核或批准本部门零星物资采购需求计划;4生产质量管理4.1完善生产质量控制手段,不断提高产品质量合格率;4.2协助质量管理人员进行质量事故调查和处理;5生产技术管理5.1负责组织处理外协、**、装配和注塑的技术问题,并检查处理结果;5.2负责组织检查、监督工艺纪律执行、审理不合格品及进行工艺过程改进及失效分析;6生产安全管理6.1定期检查各项安全设施是否有效,及时维护;6.2检查使用人员能否正确、熟练使用安全设施,是否严格执行各项安全规程;7生产设备管理7.1负责根据公司需求,组织进行设备采购的市场调研工作,完成可行性报告,报总经理批准;7.2督导对生产设备和模具的日常检查、保养及维修;7.3指导、参与设备事故应急处理,分析成因,总结改进;7.4审核设备的大、中修计划并组织实施;8生产信息管理8.1审阅生产统计报表;8.2审核生产工人工资;9部门管理9.1明确本部门人员岗位责任和业绩目标;9.2负责本部门人员的业绩面谈、考核与技能培训,促进人员与公司共同发展;9.3编写部门工作计划和工作总结;9.4工作例会和工作协调。10积极参加专业培训,不断提高业务水平和专业技能。11完成领导交办的其他工作。第3页共3页第2页共3页编号:时间:2021年x月x日书山有路勤为径,学海无涯苦作舟页码:第3页共3页权限1、对直接下级的工作分配、检查监督和奖惩建议权;2、一般工人录用决策权,班组长及主管任免建议权;3、班组长及主管转正薪资、加薪建议权;4、公司工作改进建议权;5、财务规定的资金使用及审批权限;6、设备购置建议权;7、其他临时授权。责任1、对生产安全负责;2、对生产计划的完成情况负责;3、对生产设备的正常运转情况负责;4、对产品质量的最终结果负责;5、对生产成本控制结果负责;6、对制造部工作负管理责任;任职资格性别男年龄30—50岁资格证学历大专及以上学历专业机械或生产管理相关专业经验有三年以上生产管理经验或五年以上制造行业相关管理经验知识熟悉:生产工艺技术和流程、各种原材料知识、生产管理、6S、精益生产方式的管理、质量安全管理、人员管理了解:现代生产企业运作模式技能具有良好的协调沟通能力;较强的领导能力;较强的判断和决策能力职业道德廉洁、敬业、严谨;责任心强、品行端正

1、当您付费下载文档后,您只拥有了使用权限,并不意味着购买了版权,文档只能用于自身使用,不得用于其他商业用途(如 [转卖]进行直接盈利或[编辑后售卖]进行间接盈利)。
2、本站所有内容均由合作方或网友上传,本站不对文档的完整性、权威性及其观点立场正确性做任何保证或承诺!文档内容仅供研究参考,付费前请自行鉴别。
3、如文档内容存在违规,或者侵犯商业秘密、侵犯著作权等,请点击“违规举报”。

碎片内容

某中型制造业制造部经理岗位说明书

您可能关注的文档

确认删除?
VIP
微信客服
  • 扫码咨询
会员Q群
  • 会员专属群点击这里加入QQ群
客服邮箱
回到顶部