电脑桌面
添加小米粒文库到电脑桌面
安装后可以在桌面快捷访问

政法综治工作考核细则VIP免费

政法综治工作考核细则_第1页
1/9
政法综治工作考核细则_第2页
2/9
政法综治工作考核细则_第3页
3/9
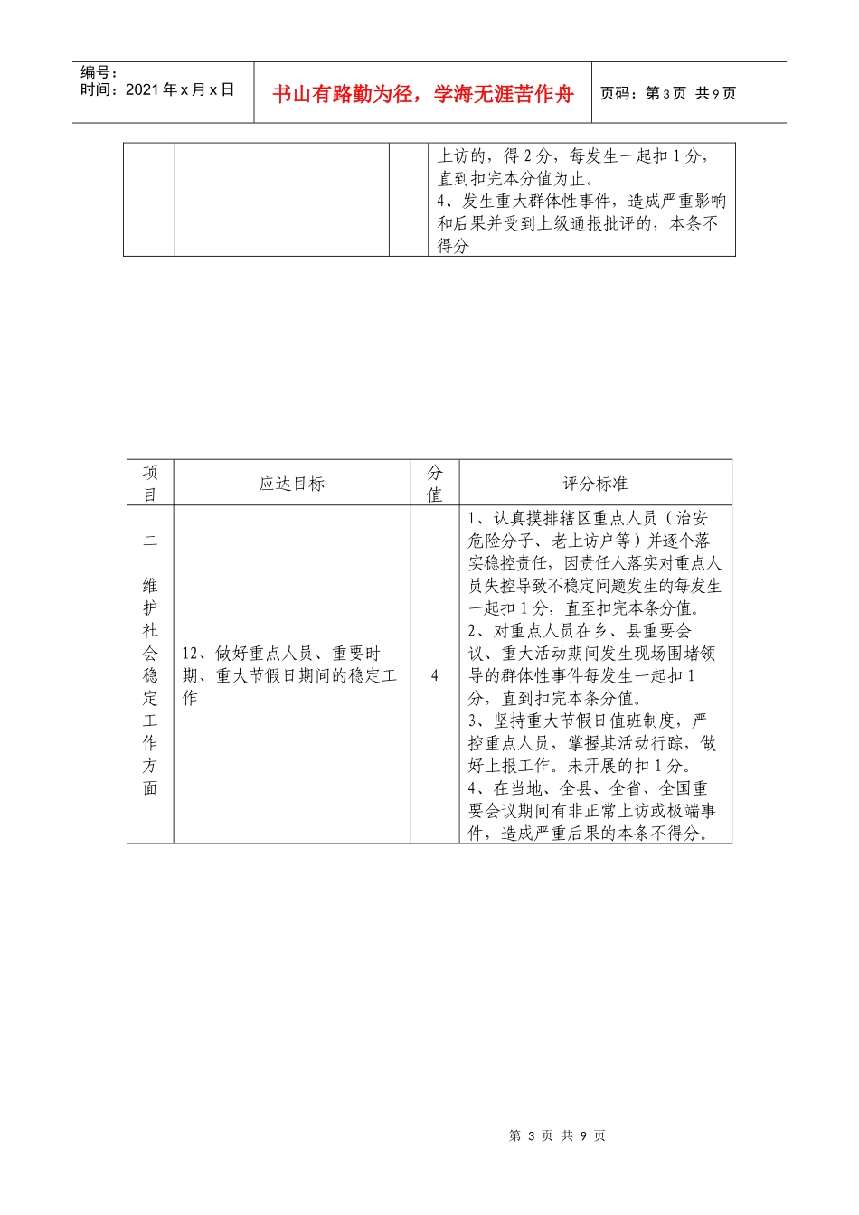
第1页共9页编号:时间:2021年x月x日书山有路勤为径,学海无涯苦作舟页码:第1页共9页《枫芸乡2011年政法综治工作目标考核细则》枫芸乡2011年政法综治工作目标考核细则项目应达目标分值评分标准一领导责任制方面(19分)1、把社会治安综合治理,维护稳定工作等纳入总体工作目标之中1当年村支两委的年度工作计划中有综治维稳工作内容的,得1分,缺一项扣0.5分2、综治维稳领导机构,办事机构齐全,坚持年度专题研究综治维稳和平安创建工作不少于四次,坚持每月在村务公开栏上通报一次辖区治安形势和社会稳定工作情况4以有关组织领导机构名单和会议记录为准,少一次会议扣0.5分,少一次通报(以底稿为准)扣0.25分,直到扣完本条分值,机构不健全的扣1分,未按规定配备专人的扣1分3、村综治工作站有固定的办公地点、牌子、工作网络图以及综治台帐规范、齐全。21、无固定办公地点、牌子、综治工作网络图扣1分。2、综治台帐,资料不规范、不齐全的扣1分。4、坚持村支两委四次会议和村民代表两次会议,听取综治维稳工作开展情况,研究解决综治维稳工作中重大问题31、少一次会议(以原始会议记录为准)扣0.5分2、没有研究解决综治维稳工作重大问题的(以书面材料形式反映)扣1分5、与乡签订综治目标管理责任书,明确综治维稳工作第一责任人,遇到重大问题及时到场解决21、未签订综治目标管理责任书的扣1分2、未明确综治维稳工作第一责任人的扣1分3、出现重大问题时第一责任人未及时到现场的扣1分6、坚持村支两委值班制度,村两委领导班子团结,不拉班结派,不发生内讧,村级工作面貌明显改观31、村两委班子不团结的扣1分2、未坚持值班制度的(以值班表和值班记录为准)扣1分3、村级工作的面貌没有改观的扣1分7、村级治保、调解、平安创建、巡逻等各类组织齐全、相41、组织不健全的扣1分2、职责、制度不上墙或不规范的第2页共9页第1页共9页编号:时间:2021年x月x日书山有路勤为径,学海无涯苦作舟页码:第2页共9页应职责制度上墙、活动正常、记载须真实、详细、规范扣1分3、资料台帐不能真实反映工作面貌的扣1分。4、各类组织因工作不力导致上访或发生民转刑案件或群体性事件的扣1分项目应达目标分值评分标准二维护社会稳定工作方面(38分)8、有来信来访及矛盾纠纷排查调处工作台账、调处记录、协议书、一卡三单资料齐全规范。10每缺一项扣2.5分9、重视信息收集和上报工作31、建立综治信息员网络的得1分2、积极收集、上报辖区综治维稳工作信息,瞒报、漏报、谎报,造成严重后果的本条不得分3、发生重大有影响案件能及时报告或能事前报告,每少报一次扣1分,直至扣完本条分值。10、开展矛盾纠纷排查化解工作按月上报排查结果51、矛盾纠纷排查化解组织不健全、机制未建立、台帐不健全的,少一项扣1分2、按照乡矛盾纠纷排查化解工作意见要求定期排查,按期上报的得3分,每少报一次扣0.5分。(有底存档)3、对排查出的矛盾纠纷逐件制定调处方案,落实责任人并限期化解的,得1分,未采取措施化解的,每出现一件扣0.5分11、积极预防和处置群体性事件41、建立《预防和处置群体性事件应急预案》、《重点工程、重大活动维稳工作预案》得分,少一项扣0.5分。2、对可能引发的重大群体性事件的矛盾和隐患,实行领导包案,限期化解,未实行领导包案的,每发生一次扣0.5分。3、未发生20人以上到乡、10人以上到县、5人以上到地、1人以上赴省进京第3页共9页第2页共9页编号:时间:2021年x月x日书山有路勤为径,学海无涯苦作舟页码:第3页共9页上访的,得2分,每发生一起扣1分,直到扣完本分值为止。4、发生重大群体性事件,造成严重影响和后果并受到上级通报批评的,本条不得分项目应达目标分值评分标准二维护社会稳定工作方面12、做好重点人员、重要时期、重大节假日期间的稳定工作41、认真摸排辖区重点人员(治安危险分子、老上访户等)并逐个落实稳控责任,因责任人落实对重点人员失控导致不稳定问题发生的每发生一起扣1分,直至扣完本条分值。2、对重点人员在乡、县重要会议、重大活动期间发生现场围堵领导的群体性事件每发生一起扣1分,直到扣完本条分值。3、坚持重大节假日值班制度,严控重点人员,...

1、当您付费下载文档后,您只拥有了使用权限,并不意味着购买了版权,文档只能用于自身使用,不得用于其他商业用途(如 [转卖]进行直接盈利或[编辑后售卖]进行间接盈利)。
2、本站所有内容均由合作方或网友上传,本站不对文档的完整性、权威性及其观点立场正确性做任何保证或承诺!文档内容仅供研究参考,付费前请自行鉴别。
3、如文档内容存在违规,或者侵犯商业秘密、侵犯著作权等,请点击“违规举报”。

碎片内容

政法综治工作考核细则

确认删除?
VIP
微信客服
  • 扫码咨询
会员Q群
  • 会员专属群点击这里加入QQ群
客服邮箱
回到顶部