电脑桌面
添加小米粒文库到电脑桌面
安装后可以在桌面快捷访问

第一讲:劳动环境指标标准VIP免费

第一讲:劳动环境指标标准_第1页
1/5
第一讲:劳动环境指标标准_第2页
2/5
第一讲:劳动环境指标标准_第3页
3/5
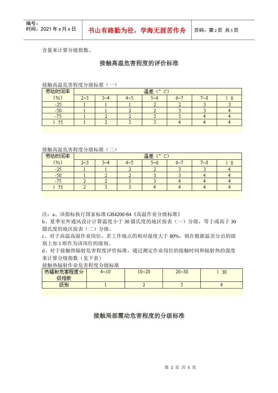
第1页共5页编号:时间:2021年x月x日书山有路勤为径,学海无涯苦作舟页码:第1页共5页高处作业的分级标准接触电离辐射危害程度的分级标准接触粉尘危害程度的评价标准接触高温危害程度的评价标准接触局部震动危害程度的分级标准接触危害程度的评价标准接触噪声危害程度的评价标准井下、露天作业分级标准其他化学性有害因素的评价标准其他物理性有害因素的评价标准高处作业的分级标准注:a、高处作业是以国家标准《高处作业分数》GB3608-83为基础。b、高处作业是根据高处作业的作业高度和平均工作日高处作业的时间,并考虑高处作业种类来计算分级指数。接触电离辐射危害程度的分级标准注:该分级标准根据国家标准《放射卫生防护基本标准》的规定,通过测定电离辐射作业人员的年有效剂量当量来进行评级。接触粉尘危害程度的评价标准注:a、该标准执行国家标准GB5817-86《生产性粉尘作业危害程度分级》。b、该标准通过测定粉尘接触时间、肺总通气量、粉尘浓度超标倍数、粉尘游离、SO2第2页共5页第1页共5页编号:时间:2021年x月x日书山有路勤为径,学海无涯苦作舟页码:第2页共5页含量来计算分级指数。接触高温危害程度的评价标准接触高温危害程度分级标准(一)接触高温危害程度分级标准(二)注:a、该指标执行国家标准GB4200-84《高温作业分级标准》b、夏季室外通风设计计算温度小于30摄氏度的地区按表(一)分级,等于或高于30摄氏度的地区按表(二)分级。c、对于高温高湿作业岗位,若工作地点的相对湿度大于80%,则在根据温差分出的级别上加1即作为该岗位的级别。d、对于接触热辐射危害程度评价标准,通过测定作业岗位的接触时间和辐射热的强度来计算分级指数(见下表)接触热辐射作业危害程度分级标准接触局部震动危害程度的分级标准第3页共5页第2页共5页编号:时间:2021年x月x日书山有路勤为径,学海无涯苦作舟页码:第3页共5页注:该标准是根据国家标准《作业场所局部振动卫生标准》和《手动振动测量规范》的规定,通过测定局部振动最大轴向的振动加速度和接振时间,计算4小时等能量频率计权振动加速度[]进行分级。接触危害程度的评价标准注:a、该标准执行国家标准GB2331-90《有毒作业分级》b、该标准通过测定接触毒物的时间和毒物浓度的超标倍数,并根据毒物本身的危害程度级别来计算分级指数。接触噪声危害程度的评价标准注:a、该标准根据冶金工业部部颁标准《冶金工业噪声危害程度分级》进行分级。b、测定工人在岗位上不同作业点接触噪声的强度(A声级)和接触时间,计算出工作日连续等效A声级[leqdB(A)]井下、露天作业分级标准注:井下、露天作业根据岗位劳动者在井下、露天环境中的平均工作日作业时间率进行分级。其他化学性有害因素的评价标准第4页共5页第3页共5页编号:时间:2021年x月x日书山有路勤为径,学海无涯苦作舟页码:第4页共5页注:由工业卫生、安全环保、职业病防治等有关人员7~9名组成评定小组,在大量调查和查阅有关资料的基础上逐项评出级别,再根据少数服从多数的原则评出个人级别,由评定小组在充分协商研究的基础上评出统一的级别。其他物理性有害因素的评价标准第5页共5页第4页共5页编号:时间:2021年x月x日书山有路勤为径,学海无涯苦作舟页码:第5页共5页注:a、由工业卫生、安全环保、职业病防治人员7~9名组成分级小组,在大量调查和查阅有关资料的基础上按上表逐项评出等级,再根据少数项目服从多数项目的原则定出个人评定等级。小组将个人评定级别汇总,在充分讨论协商的基础上评定出一个统一的级别。b、三致情况系指致癌、致畸、致突变情况。

1、当您付费下载文档后,您只拥有了使用权限,并不意味着购买了版权,文档只能用于自身使用,不得用于其他商业用途(如 [转卖]进行直接盈利或[编辑后售卖]进行间接盈利)。
2、本站所有内容均由合作方或网友上传,本站不对文档的完整性、权威性及其观点立场正确性做任何保证或承诺!文档内容仅供研究参考,付费前请自行鉴别。
3、如文档内容存在违规,或者侵犯商业秘密、侵犯著作权等,请点击“违规举报”。

碎片内容

第一讲:劳动环境指标标准

确认删除?
VIP
微信客服
  • 扫码咨询
会员Q群
  • 会员专属群点击这里加入QQ群
客服邮箱
回到顶部