电脑桌面
添加小米粒文库到电脑桌面
安装后可以在桌面快捷访问

生产部岗位职责范本VIP免费

生产部岗位职责范本_第1页
1/27
生产部岗位职责范本_第2页
2/27
生产部岗位职责范本_第3页
3/27
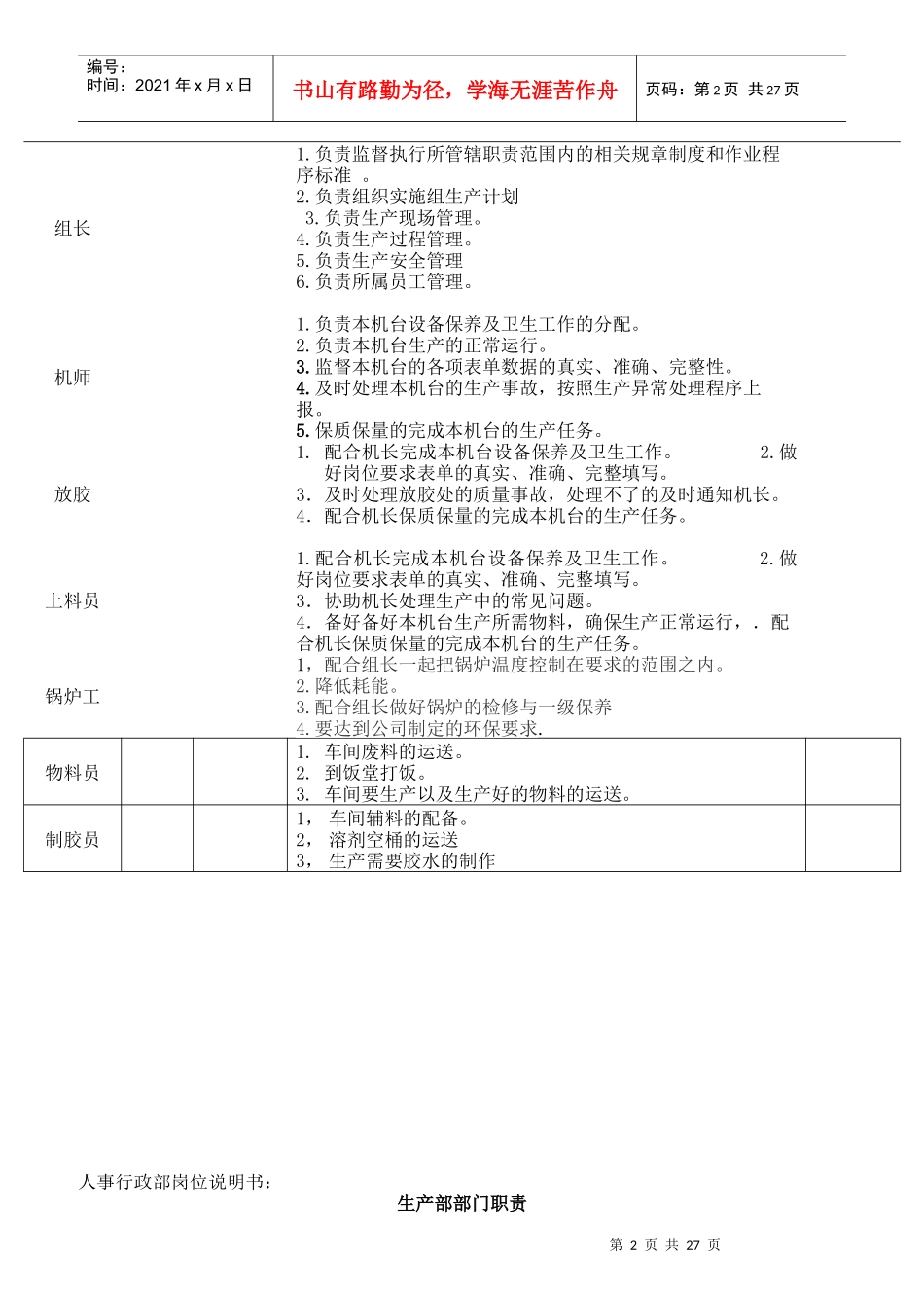
第1页共27页编号:时间:2021年x月x日书山有路勤为径,学海无涯苦作舟页码:第1页共27页部门定岗定编表:岗位名称定岗人数岗位责任人主要工作内容备注生产部经理1.组织建立和完善生产指挥系统,制定生产计划,检查生产工作,确保生产任务的完成。2.根据生产运行计划,掌握生产进度,搞好各车间的协调,组织分配劳动力,平衡调度设备材料。3.每周一定期召开生产会,分析生产形势,提出解决问题的办法和措施。4.根据生产需求,负责组织生产人员,核实相关材料到位情况,按生产进度要求,安排工作前、后、缓急生产。5.抓好设备管理,提出更新改造方案,定期组织维修保养,提高设备完好率和利用率。6.负责生产中的技术和质量保证工作,发现问题及时组织解决和处理,重大问题直接报总经理。7.处理生产过程中出现的各种问题,协调相关部门的关系。8.负责生产过程中的安全措施。9.负责建立生产进度、安全、质量等规章制度。10.负责控制生产成本、组织革新、提高效率。生产部经理助理1)主机车间人员工作安排与协调。2)各类公告的发布。3)检查生产执行情况的总结报告。4)各项规章制度监督与执行。5)积极支持生产调度对新产品的开发试验工作。6)协助生产部经理对生产实体单位的生产完成、品质达成、安全管理等具体业绩评估。车间主任1、根据计划下达的生产计划,布置生产技术准备工作,根据本车间设备人力情况,编制车间<<日生产作业计划>>,组长均衡生产,保证按时完成各项生产计划、新产品试产计划。2、重视员工素质提高,对车间员工开展教育、培训,宣传公司的各项方针政策;深入贯彻公司的安全生产制度,确保安全文明生产。3、重视车间的基础管理,搞好班组建设,贯彻公司各项定额,加强对车间原辅材料使用的控制,不断降低生产成本。4、按照公司质量目标要求,加强质量控制,配合车间质检员做好员工的质量培训,提高员工的质量意识,保证质量指标的达成。5、加强设备的预防性维护及保养,教育员工严格执行各项操作规程,保证设备正常运行。6、严格执行工艺流程,在分配工作的同时要备齐生产产品的所有记录,并教育、指导员工严格执行。7、积极开展现场6S活动,强化定置管理,创造美好生产环境,提高员工素质。8、积极开展员工的合理化建议活动,为不断提升企业竞争力做贡献。9、积极深入员工,了解员工的思想动态,采取合理的措施确保车间稳定。10、正确处理车间的突发事件,并随时向上级汇报事件处理进展,对于无法处理的事件要及时请示。11、保证各项数据记录真实、准确、完整。12、积极完成上级及会议交代的临时性工作。车间主任是车间的主要负责人,对车间进行全面管理。缺三人第2页共27页第1页共27页编号:时间:2021年x月x日书山有路勤为径,学海无涯苦作舟页码:第2页共27页人事行政部岗位说明书:生产部部门职责组长1.负责监督执行所管辖职责范围内的相关规章制度和作业程序标准。2.负责组织实施组生产计划3.负责生产现场管理。4.负责生产过程管理。5.负责生产安全管理6.负责所属员工管理。机师1.负责本机台设备保养及卫生工作的分配。2.负责本机台生产的正常运行。3.监督本机台的各项表单数据的真实、准确、完整性。4.及时处理本机台的生产事故,按照生产异常处理程序上报。5.保质保量的完成本机台的生产任务。放胶1.配合机长完成本机台设备保养及卫生工作。2.做好岗位要求表单的真实、准确、完整填写。3.及时处理放胶处的质量事故,处理不了的及时通知机长。4.配合机长保质保量的完成本机台的生产任务。上料员1.配合机长完成本机台设备保养及卫生工作。2.做好岗位要求表单的真实、准确、完整填写。3.协助机长处理生产中的常见问题。4.备好备好本机台生产所需物料,确保生产正常运行,.配合机长保质保量的完成本机台的生产任务。锅炉工1,配合组长一起把锅炉温度控制在要求的范围之内。2.降低耗能。3.配合组长做好锅炉的检修与一级保养4.要达到公司制定的环保要求.物料员1.车间废料的运送。2.到饭堂打饭。3.车间要生产以及生产好的物料的运送。制胶员1,车间辅料的配备。2,溶剂空桶的运送3,生产需要胶水的制作第3页共27页第2页共27页编号:时间:2021年x月x日书山有...

1、当您付费下载文档后,您只拥有了使用权限,并不意味着购买了版权,文档只能用于自身使用,不得用于其他商业用途(如 [转卖]进行直接盈利或[编辑后售卖]进行间接盈利)。
2、本站所有内容均由合作方或网友上传,本站不对文档的完整性、权威性及其观点立场正确性做任何保证或承诺!文档内容仅供研究参考,付费前请自行鉴别。
3、如文档内容存在违规,或者侵犯商业秘密、侵犯著作权等,请点击“违规举报”。

碎片内容

生产部岗位职责范本

您可能关注的文档

确认删除?
VIP
微信客服
  • 扫码咨询
会员Q群
  • 会员专属群点击这里加入QQ群
客服邮箱
回到顶部