电脑桌面
添加小米粒文库到电脑桌面
安装后可以在桌面快捷访问

设计包装人员绩效考核方案VIP免费

设计包装人员绩效考核方案_第1页
1/7
设计包装人员绩效考核方案_第2页
2/7
设计包装人员绩效考核方案_第3页
3/7
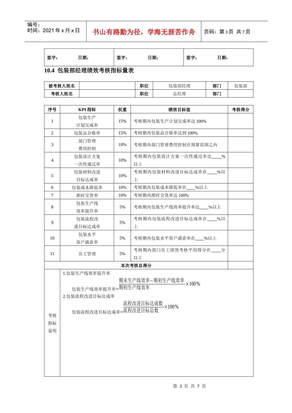
第1页共7页编号:时间:2021年x月x日书山有路勤为径,学海无涯苦作舟页码:第1页共7页设计包装人员绩效考核10.1设计部关键绩效考核指标序号KPI指标考核周期指标定义/公式资料来源1项目设计完成率季/年度按时设计完成项目数量同期设计项目总数×100%设计部2人均图纸产量季/年度交付图纸数量当期平均人数设计部3设计方案一次性通过率季/年度一次性通过方案数量提交审核的设计方案总量×100%设计部4设计完成项目设计方案总数季/年度考核期内已经通过审核的设计方案总数设计部5设计制作出错率季/年度设计制作规范页数制作总页数×100%设计部6设计资料完整率季/年度已具备的设备资料数应具备的设计资料数×100%设计部7客户满意度季/年度接受随机调研的客户对设计水平满意度评分的算术平均值设计部10.2包装部关键绩效考核指标序号KPI指标考核周期指标定义/公式资料来源1包装生产计划完成率月/季/年度已入库量总数包装生产计划总数×100%包装部2包装品合格率月/季/年度包装合格数量同期包装产品总数量×100%质量管理部3包装设计方案一次性通过率月/季/年度一次性通过方案数量提交审核的设计方案总量×100%包装部4包装材料改进目标达成率月/季/年度包装材料改进目标实现数包装材料改进目标计划数×100%包装部5包装成本降低率月/季/年度包装成本降低额包装成本预算额×100%财务部6准时交货率月/季/年度按包装标准交期完成的订单数量同期订单总数量×100%销售部7包装水平客户满意度月/季/年度接受随机调研的客户对包装水平满意度评分的算术平均值销售部8工时标准达成率月/季/年度标准工时实际工时×100%包装部第2页共7页第1页共7页编号:时间:2021年x月x日书山有路勤为径,学海无涯苦作舟页码:第2页共7页10.3设计部经理绩效考核指标量表被考核人姓名职位设计部经理部门设计部考核人姓名职位总经理部门序号KPI指标权重绩效目标值考核得分1完成项目设计方案总数20%考核期内完成项目设计方案的总数在项以上2项目设计完成率15%考核期内项目设计完成率达到%以上3设计费用控制10%考核期内设计费用控制在预算范围之内4设计方案一次性通过率10%考核期内设计方案一次性通过率在%以上5设计制作出错率10%考核期内累计不超过%6人均图纸产量10%考核期内人均图纸产量保证在张7客户满意率10%考核期内客户满意度达到分以上8员工管理10%考核期内部门员工绩效考核平均得分在分以上9核心员工保有率5%考核期内核心员工保有率在%以上本次考核总得分考核指标说明被考核人考核人复核人第3页共7页第2页共7页编号:时间:2021年x月x日书山有路勤为径,学海无涯苦作舟页码:第3页共7页签字:日期:签字:日期:签字:日期:10.4包装部经理绩效考核指标量表被考核人姓名职位包装部经理部门包装部考核人姓名职位总经理部门序号KPI指标权重绩效目标值考核得分1包装生产计划完成率15%考核期内包装生产计划完成率达100%2包装品合格率15%考核期内包装品合格率达到100%3部门管理费用控制10%考核期内部门管理费用控制在预算范围之内4包装设计方案一次性通过率10%考核期内包装设计方案一次性通过率达%以上5包装材料改进目标达成率10%考核期内包装材料改进目标达成率在%以上6包装成本降低率10%考核期内包装成本降低率在%以上7准时交货率10%考核期内准时交货率达100%8包装生产线效率提升率5%考核期内包装生产线效率提升率达%以上9包装流程改进目标达成率5%考核期内包装流程改进目标达成率在%以上10包装水平客户满意率5%考核期内包装水平客户满意率在%以上11员工管理5%考核期内部门员工绩效考核平均得分在分以上本次考核总得分考核指标说明1.包装生产线效率提升率包装生产线效率提升率=期末生产线效率−期初生产线效率期初生产线效率×100%2.包装流程改进目标达成率包装流程改进目标达成率=流程改进目标达成数流程改进目标总数×100%第4页共7页第3页共7页编号:时间:2021年x月x日书山有路勤为径,学海无涯苦作舟页码:第4页共7页被考核人考核人复核人签字:日期:签字:日期:签字:日期:10.5包装人员绩效考核方案方案名称包装人员绩效考核方案受控状态编号一、目的①改善员工工作表现,提高包装质量,加强和提升员工绩效和公司...

1、当您付费下载文档后,您只拥有了使用权限,并不意味着购买了版权,文档只能用于自身使用,不得用于其他商业用途(如 [转卖]进行直接盈利或[编辑后售卖]进行间接盈利)。
2、本站所有内容均由合作方或网友上传,本站不对文档的完整性、权威性及其观点立场正确性做任何保证或承诺!文档内容仅供研究参考,付费前请自行鉴别。
3、如文档内容存在违规,或者侵犯商业秘密、侵犯著作权等,请点击“违规举报”。

碎片内容

设计包装人员绩效考核方案

确认删除?
VIP
微信客服
  • 扫码咨询
会员Q群
  • 会员专属群点击这里加入QQ群
客服邮箱
回到顶部