电脑桌面
添加小米粒文库到电脑桌面
安装后可以在桌面快捷访问

某中型制造业技术部经理岗位说明书VIP免费

某中型制造业技术部经理岗位说明书_第1页
1/3
某中型制造业技术部经理岗位说明书_第2页
2/3
某中型制造业技术部经理岗位说明书_第3页
3/3
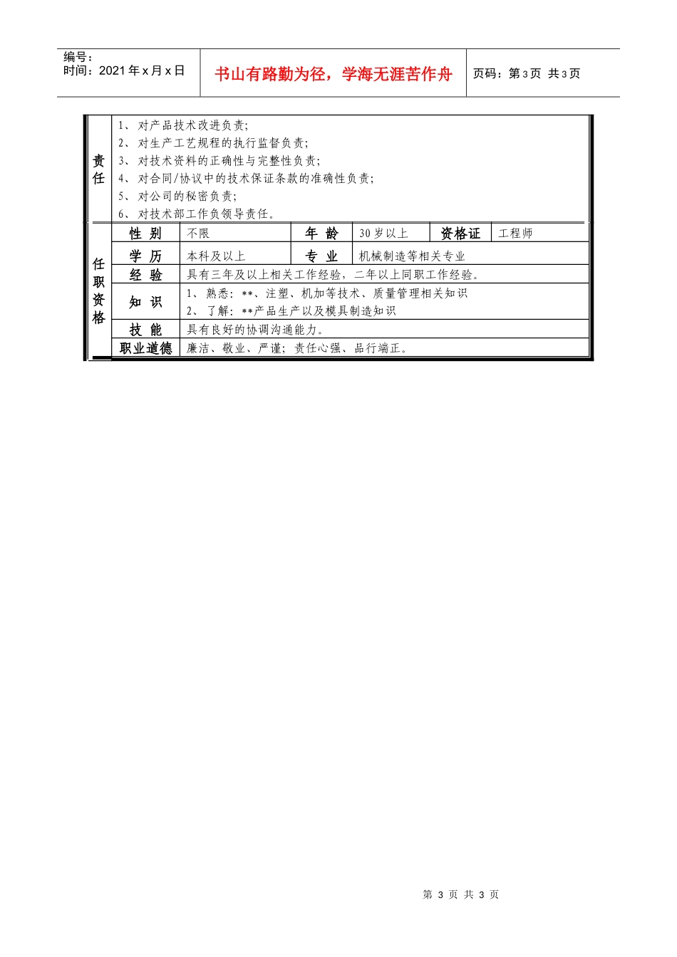
第1页共3页编号:时间:2021年x月x日书山有路勤为径,学海无涯苦作舟页码:第1页共3页*****有限责任公司工作说明书编号DW-JD-0401发布日期单位名称*****有限责任公司岗位名称技术部经理直接上级生产副总部门技术部直接下级技术主管下级人数1主要工作职责组织公司全面技术管理工作以及新产品开发、产品改良及公司技术标准的制定。第2页共3页第1页共3页编号:时间:2021年x月x日书山有路勤为径,学海无涯苦作舟页码:第2页共3页工作内容1、制度的拟订与执行1.1贯彻执行国家相关法规、公司的各项规章制度,严守公司秘密,维护公司利益;1.2依照公司产业定位、发展规划拟定技术部工作计划以及技术部管理制度、内部工作流程及其操作细则;1.3建立、实施、检查和完善公司技术管理、新产品开发管理等规章制度,并制定相应的实施细则;1.4组织生产工艺规程的起草修订,组织制定并核准生产工艺流程、生产作业指导书等技术文件;2、技术管理2.1组织实施新产品开发、技术革新以及订单评审工作,并进行失效分析;2.2为车间提供现场技术指导,保证生产顺利进行;2.3检查生产现场工艺纪律执行情况,对于违规操作及时制止和纠正;2.4根据客户需求与技术改进情况进行工艺调整,经批准后监督实施;2.5参与生产事故、质量事故的处理,执行产品质量纠正预防措施相关内容,不断改进工艺规程;2.6核准总成产品图、零部件图、模具结构图、工艺技术要求、模具加工所选用的材料等事项,并组织模具试模及验收工作;2.7组织新产品开发项目的实施,监督、控制开发过程,促进新产品开发产品化,参与新产品试制工作;2.8掌握和跟踪国际、国内同类产品的技术发展趋势,提出新技术、新产品研发方向;2.9审核经济合同或技术协议中的技术保证条款;2.10组织实施对外技术交流与协作3、生产管理3.1现场处理技术质量疑难问题;3.2组织设定与修改生产工时,产品能耗及辅材消耗定额;3.3组织生产工艺改进;4、部门管理4.1负责本部门人员的考评工作,组织对本部门员工的培训工作,以及一线技术人员及生产工人的技术培训工作;4.2制定部门工作计划,编写工作总结和报告;4.3主动沟通、协调部门内部及部门与其他部门之间的工作关系;5、积极参加专业培训,不断提高业务水平和专业技能6、完成上级领导交办的其它工作。权限1、技术标准审定权;2、合同审核权;3、违反工艺规程的处罚权;4、技术革新的建议权;5、对供应商技术能力的评价权;6、新产品开发、订单评审工作的建议权;7、其它临时授权。第3页共3页第2页共3页编号:时间:2021年x月x日书山有路勤为径,学海无涯苦作舟页码:第3页共3页责任1、对产品技术改进负责;2、对生产工艺规程的执行监督负责;3、对技术资料的正确性与完整性负责;4、对合同/协议中的技术保证条款的准确性负责;5、对公司的秘密负责;6、对技术部工作负领导责任。任职资格性别不限年龄30岁以上资格证工程师学历本科及以上专业机械制造等相关专业经验具有三年及以上相关工作经验,二年以上同职工作经验。知识1、熟悉:**、注塑、机加等技术、质量管理相关知识2、了解:**产品生产以及模具制造知识技能具有良好的协调沟通能力。职业道德廉洁、敬业、严谨;责任心强、品行端正。

1、当您付费下载文档后,您只拥有了使用权限,并不意味着购买了版权,文档只能用于自身使用,不得用于其他商业用途(如 [转卖]进行直接盈利或[编辑后售卖]进行间接盈利)。
2、本站所有内容均由合作方或网友上传,本站不对文档的完整性、权威性及其观点立场正确性做任何保证或承诺!文档内容仅供研究参考,付费前请自行鉴别。
3、如文档内容存在违规,或者侵犯商业秘密、侵犯著作权等,请点击“违规举报”。

碎片内容

某中型制造业技术部经理岗位说明书

您可能关注的文档

确认删除?
VIP
微信客服
  • 扫码咨询
会员Q群
  • 会员专属群点击这里加入QQ群
客服邮箱
回到顶部