电脑桌面
添加小米粒文库到电脑桌面
安装后可以在桌面快捷访问

计量标准考核申请书XXXX0902未修改VIP免费

计量标准考核申请书XXXX0902未修改_第1页
1/145
计量标准考核申请书XXXX0902未修改_第2页
2/145
计量标准考核申请书XXXX0902未修改_第3页
3/145
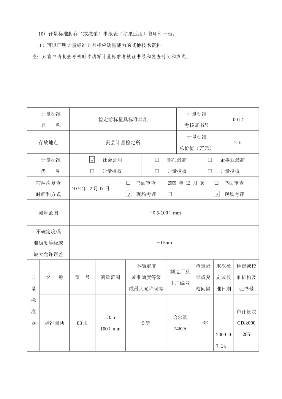
计量标准考核(复查)申请书[]量标证字第号计量标准名称检定游标量具标准器组计量标准代码01315140申请考核单位蓟县计量检定所组织机构代码72752410-4单位地址蓟县迎宾路邮政编码301900联系人王良联系电话291976232009年05月15日说明1.根据《中华人民共和国计量法》的有关规定,凡建立社会公用计量标准或部门、企、事业单位最高计量标准,需经有关质量技术监督部门主持考核合格后方可使用。2.《计量标准考核(复查)申请书》一般使用A4复印纸,采用计算机打印,如果用墨水笔填写,要求字迹工整清晰。3.申请新建计量标准考核,申请考核单位应当提供以下资料:1)《计量标准考核(复查)申请书》原件和电子版各一份;2)《计量标准技术报告》原件一份;3)计量标准器及主要配套设备有效的检定或校准证书复印件一套;4)开展检定或校准项目的原始记录及相应的模拟检定或校准证书复印件两套;5)检定或校准人员资格证明复印件一套;6)可以证明计量标准具有相应测量能力的其他技术资料。7)如采用计量检定规程或国家计量校准规范以外的技术规范,应当提供技术规范和相应的证明文件复印件一套。4.申请计量标准复查考核,申请考核单位应当提供以下技术资料:1)《计量标准考核(复查)申请书》原件和电子版各一份;2)《计量标准考核证书》原件一份;3)《计量标准技术报告》原件一份;4)《计量标准考核证书》有效期内计量标准器及主要配套设备的连续、有效的检定或校准证书复印件一套;5)随机抽取该计量标准近期开展检定或校准工作的原始记录及相应的检定或校准证书复印件两套;6)《计量标准考核证书》有效期内连续的《计量标准重复性试验记录》复印件一套;7)《计量标准考核证书》有效期内连续的《计量标准稳定性考核记录》复印件一套;8)检定或校准人员资格证明复印件一套;9)计量标准更换申报表(如果适用)复印件一份;10)计量标准封存(或撤销)申报表(如果适用)复印件一份;11)可以证明计量标准具有相应测量能力的其他技术资料。注:只有申请复查考核时才填写计量标准考核证书号和复查时间和方式。计量标准名称检定游标量具标准器组计量标准考核证书号0012存放地点蓟县计量检定所计量标准总价值(万元)2.6计量标准类别√社会公用□计量授权□部门最高□计量授权□企事业最高□计量授权前两次复查时间和方式2002年12月17日□书面审查√现场考评2005年12月16日□书面审查√现场考评测量范围(0.5-100)mm不确定度或准确度等级或最大允许误差±0.5um计量标准器名称型号测量范围不确定度或准确度等级或最大允许误差制造厂及出厂编号检定周期或复校间隔末次检定或校准日期检定或校准机构及证书号标准量块83块(0.5-100)mm5等哈尔滨74625一年2009.07.24市计量院CDlk090285主要配套设备平面平晶刀口尺千分尺60mm∮125mm0-25mm60mm125mm0.-25mm1级1级1级保定6-714北京0222101一年一年一年2009.07.262009.07.262009.02.05市计量院CDlj0910666市计量院CDlj0910671本所2009-001环境条件及设施序号项目要求实际情况结论1温度(20±10)℃(20±10)℃符合2湿度≤80%≤80%符合345678检定姓名性别年龄从事本项目年限文化程度核准的检定或校准项目资格证书名称及注册编号发证机关或校准人员吴秀明女4623中专游标卡尺0223天津市质监局朱秀丽女3110大专游标卡尺0225天津市质监局张桂东女3911游标卡尺0216天津市质监局序名称是否具备备注1计量标准考核证书(如果适用)是2社会公用计量标准证书(如果适用)是3计量标准考核(复查)申请书是4计量标准技术报告是5计量标准的重复性试验记录是6计量标准的稳定性考核记录是7计量标准更换申报表(如果适用)是8计量标准封存(或撤销)申报表(如果适用)是9计量标准履历书是10国家计量检定系统表(如果适用)是11计量检定规程或技术规范是12计量标准操作程序是13计量标准器及主要配套设备使用说明书(如果适用)是14计量标准器及主要配套设备的检定证书或校准证书是15检定或校准人员的资格证明是文件集登记16实验室的相关管理制度是16.1实验室岗位管理制度是16.2计量标准使用维护管理制度是16.3量值溯源管理制度是16.4环境条件及设施管理制度是16.5计量检定规...

1、当您付费下载文档后,您只拥有了使用权限,并不意味着购买了版权,文档只能用于自身使用,不得用于其他商业用途(如 [转卖]进行直接盈利或[编辑后售卖]进行间接盈利)。
2、本站所有内容均由合作方或网友上传,本站不对文档的完整性、权威性及其观点立场正确性做任何保证或承诺!文档内容仅供研究参考,付费前请自行鉴别。
3、如文档内容存在违规,或者侵犯商业秘密、侵犯著作权等,请点击“违规举报”。

碎片内容

计量标准考核申请书XXXX0902未修改

精品中小学文档+ 关注
实名认证
内容提供者

精品资料,值得下载

确认删除?
VIP
微信客服
  • 扫码咨询
会员Q群
  • 会员专属群点击这里加入QQ群
客服邮箱
回到顶部