电脑桌面
添加小米粒文库到电脑桌面
安装后可以在桌面快捷访问

档案馆施工组织设计VIP免费

档案馆施工组织设计_第1页
1/34
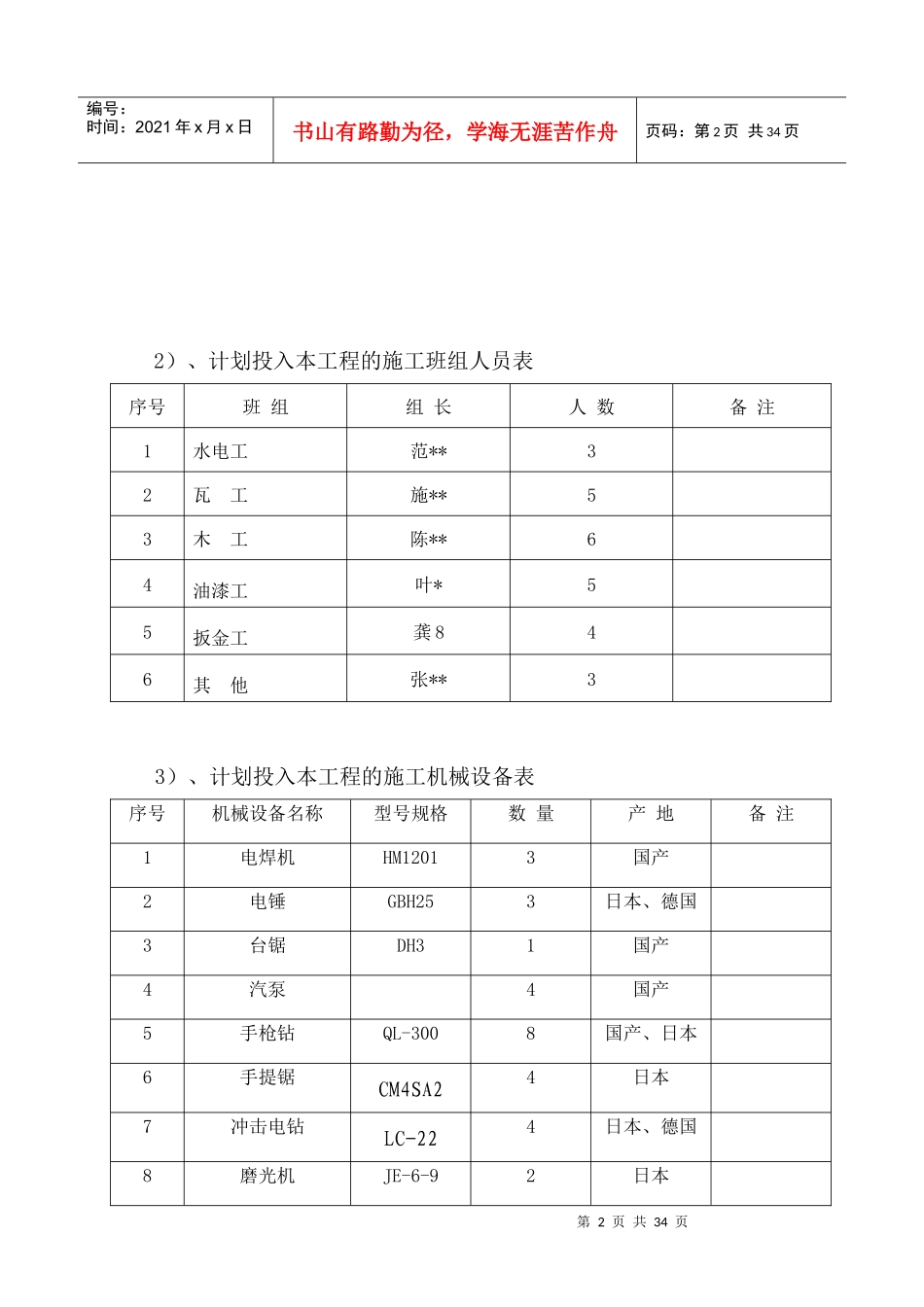
档案馆施工组织设计_第2页
2/34
档案馆施工组织设计_第3页
3/34
第1页共34页编号:时间:2021年x月x日书山有路勤为径,学海无涯苦作舟页码:第1页共34页一、工程概况1、工程简介本工程为****装饰工程,门厅长10.1米,宽6.6米,室内标高3.8m,建筑面积约60㎡。2、装修设计概述本工程是在原装饰装修的基础上进行改造,主要内容有砖砌隔墙并粉刷、铝塑板墙面、烤漆玻璃墙面、正立面电子显示屏、内墙顶乳胶漆、铝塑板外装饰墙面及吊顶、钢化玻璃电子感应门、金属卷闸门等,保留原大理石护墙板及大理石门套。二、施工组织及部署1、施工组织感谢建设、招标单位给予竞争谈判的机会,我公司非常珍惜,结合该工程的具体特点,周密地组织了一批管理人员及施工人员,目前已准备就绪。1)、计划投入本工程的施工管理人员表序号职务姓名1项目经理张**2技术负责人张**3施工员宋**4安全员曹*第2页共34页第1页共34页编号:时间:2021年x月x日书山有路勤为径,学海无涯苦作舟页码:第2页共34页2)、计划投入本工程的施工班组人员表序号班组组长人数备注1水电工范**32瓦工施**53木工陈**64油漆工叶*55扳金工龚846其他张**33)、计划投入本工程的施工机械设备表序号机械设备名称型号规格数量产地备注1电焊机HM12013国产2电锤GBH253日本、德国3台锯DH31国产4汽泵4国产5手枪钻QL-3008国产、日本6手提锯CM4SA24日本7冲击电钻LC-224日本、德国8磨光机JE-6-92日本第3页共34页第2页共34页编号:时间:2021年x月x日书山有路勤为径,学海无涯苦作舟页码:第3页共34页9砂轮切割机CM4SA23国产10汽钉枪4国产11蚊钉枪2国产12货车1辆国产2、施工总体部署本工程计划工期30天,为了争取必要的施工作业技术间歇时间,确保质量和工期,应抓好室内与室外的穿插配合,保持有条不紊的施工工序,在施工部署上总的要求是室内、外作业同时进行的原则,组织内外装修力量流水作业,加强指挥高度生产。1)、施工步骤安排工程项目主要是室内砌筑粉刷、墙面装饰板、墙顶乳胶漆,室外电子感应门、装饰墙面及雨棚吊顶,以及电子显示屏的安装调试等工作,施工以先瓦工后木工、先安装后油漆为原则,内外同时进行,总体把握以下施工步骤:放线定位→砌筑粉刷→感应门骨架制作安装→内外墙面及雨棚吊顶→油漆涂料→设备安装→成品保护→清理退场。2)、施工部署(1)在材料运输、设备运输过程中,尽量做到不滴漏抛洒,视现场情况另定。(2)我公司根据该工程的具体情况,考虑到施工的特殊性,充分利用室外空地临时搭建水泥、黄沙等建材的仓库,小型贵重材料设立临时库房,做到清洁、卫生、整齐。第4页共34页第3页共34页编号:时间:2021年x月x日书山有路勤为径,学海无涯苦作舟页码:第4页共34页(3)现场人员食宿施工人员的食宿进行统一安排,施工现场只安排值班人员,24小时守侯,其它人员一律不在施工现场食宿,并发挥每个人员的主观能动性,使工程质量、工期达到预期的效果。三、施工准备1、进场前的准备工作①项目经理及施工员、材料员、质量员、安全员等必须会同设计人员对图纸和工程说明作全面、详细的了解,对工程概况做到心中有数。②工程量的计算,即根据施工图纸,结合预算项目,统计出各项施工项目单位数量表。③制定材料计划表,将工程所需的材料名称、规格和预计数量逐一列表归类后提交一份给材料部,并配合材料部选择材料供货商及材料品牌。④制定施工进度计划表,施工进度计划表用于控制施工进度和调度工人及材料,进度表的编排是按照工程期限将各施工项目的工作量、完成项目所需的时间,科学地编排在时间表内。⑤开工前企业去工地实地勘察,了解施工现场环境、交通运输及施工人员食宿等情况,核对施工空间与设计图纸有无误差。⑥材料进工地应做好以下工作:a、根据材料计划表并结合工程进度计划表确定材料的品种、数量及进工地时间。b、材料堆放位置应事先安排,切勿任意堆放以致影响工期和材料管第5页共34页第4页共34页编号:时间:2021年x月x日书山有路勤为径,学海无涯苦作舟页码:第5页共34页理的严密性。堆放时应注意以下几点:(a)不得反复搬迁,损材费工,影响施工的进行。(b)分类堆放,便于使用。(c)易燃、易爆物品,分开地点堆放,以保安全。(d)易碎、易潮、易污的材...

1、当您付费下载文档后,您只拥有了使用权限,并不意味着购买了版权,文档只能用于自身使用,不得用于其他商业用途(如 [转卖]进行直接盈利或[编辑后售卖]进行间接盈利)。
2、本站所有内容均由合作方或网友上传,本站不对文档的完整性、权威性及其观点立场正确性做任何保证或承诺!文档内容仅供研究参考,付费前请自行鉴别。
3、如文档内容存在违规,或者侵犯商业秘密、侵犯著作权等,请点击“违规举报”。

碎片内容

档案馆施工组织设计

确认删除?
VIP
微信客服
  • 扫码咨询
会员Q群
  • 会员专属群点击这里加入QQ群
客服邮箱
回到顶部