电脑桌面
添加小米粒文库到电脑桌面
安装后可以在桌面快捷访问

活塞式压缩机培训教材VIP免费

活塞式压缩机培训教材_第1页
1/9
活塞式压缩机培训教材_第2页
2/9
活塞式压缩机培训教材_第3页
3/9
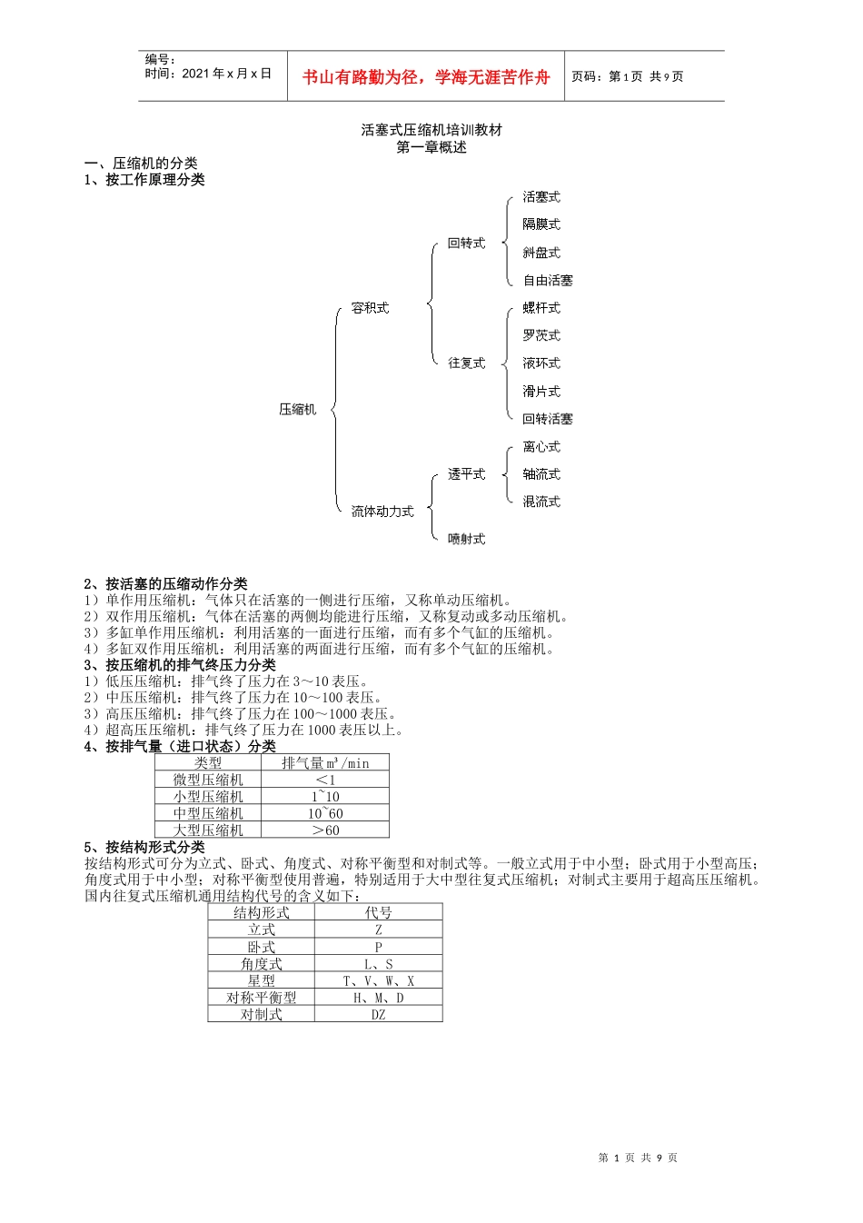
第1页共9页编号:时间:2021年x月x日书山有路勤为径,学海无涯苦作舟页码:第1页共9页活塞式压缩机培训教材第一章概述一、压缩机的分类1、按工作原理分类2、按活塞的压缩动作分类1)单作用压缩机:气体只在活塞的一侧进行压缩,又称单动压缩机。2)双作用压缩机:气体在活塞的两侧均能进行压缩,又称复动或多动压缩机。3)多缸单作用压缩机:利用活塞的一面进行压缩,而有多个气缸的压缩机。4)多缸双作用压缩机:利用活塞的两面进行压缩,而有多个气缸的压缩机。3、按压缩机的排气终压力分类1)低压压缩机:排气终了压力在3~10表压。2)中压压缩机:排气终了压力在10~100表压。3)高压压缩机:排气终了压力在100~1000表压。4)超高压压缩机:排气终了压力在1000表压以上。4、按排气量(进口状态)分类类型排气量m³/min微型压缩机<1小型压缩机1~10中型压缩机10~60大型压缩机>605、按结构形式分类按结构形式可分为立式、卧式、角度式、对称平衡型和对制式等。一般立式用于中小型;卧式用于小型高压;角度式用于中小型;对称平衡型使用普遍,特别适用于大中型往复式压缩机;对制式主要用于超高压压缩机。国内往复式压缩机通用结构代号的含义如下:结构形式代号立式Z卧式P角度式L、S星型T、V、W、X对称平衡型H、M、D对制式DZ第2页共9页第1页共9页编号:时间:2021年x月x日书山有路勤为径,学海无涯苦作舟页码:第2页共9页二、往复式压缩机的工作原理及过程1、往复式压缩机的工作原理当曲轴旋转时,通过连杆的传动,活塞便做往复运动,由气缸内壁、气缸盖和活塞顶面所构成的工作容积则会发生周期性变化。活塞从气缸盖处开始运动时,气缸内的工作容积逐渐增大,这时,气体即沿着进气管,推开进气阀而进入气缸,直到工作容积变到最大时为止,进气阀关闭;活塞反向运动时,气缸内工作容积缩小,气体压力升高,当气缸内压力达到并略高于排气压力时,排气阀打开,气体排出气缸,直到活塞运动到极限位置为止,排气阀关闭。当活塞再次反向运动时,上述过程重复出现。总之,曲轴旋转一周,活塞往复一次,气缸内相继实现进气、压缩、排气的过程,即完成一个工作循环。2、压缩机的理想工作过程①压缩机没有余隙容积,②吸、排气过程没有阻力损失,③吸、排气过程中与外界没有热量交换;④没有泄漏。其过程如图所示。图2-3为活塞运动时气缸内气体压力与容积的变化,活塞式压缩机对气体的压缩,是由活塞在气缸内的往复运动来完成的。整个工作过程分吸气、压缩和排气三个过程。第3页共9页第2页共9页编号:时间:2021年x月x日书山有路勤为径,学海无涯苦作舟页码:第3页共9页三、往复式压缩机的主要特点1、优点:1)适用压力范围广,不论流量大小,均能达到所需压力;2)热效率高,单位耗电量少;3)适应性强,即排气范围较广,且不受压力高低影响,能适应较广阔的压力范围和制冷量要求;4)可维修性强;5)对材料要求低,多用普通钢铁材料,加工较容易,造价也较低廉;6)技术上较为成熟,生产使用上积累了丰富的经验;7)装置系统比较简单。2、缺点:1)转速不高,机器大而重;2)结构复杂,易损件多,维修量大;3)排气不连续,造成气流脉动;4)运转时有较大的震动。活塞式压缩机在各种用途,特别是在中小制冷范围内,成为制冷机中应用最广、生产批量最大的一种机型。四、往复式压缩机的主要性能指标1)额定排气量:即为压缩机铭牌上标注的排气量,指压缩机在特定进口状态下的排气量。常用单位m³/min,m³/h。额定排气压力:即为压缩机铭牌上标注的排气压力,常用单位MPa,bar。2)排气温度:考虑到积炭和安全运行,对于相对分子量小于或等于12的介质,排气温度不超过135℃;对乙炔、石油气、湿氯气排气温度不超过100℃;其他气体建议不超过150℃。3)活塞力:活塞在止点出所受到的气体力最大,因此将这时的气体力称为活塞力。4)级数:大中型往复压缩机以省功原则选择级数,通常情况下其各级压力比≤4。第二章往复式压缩机的结构往复式压缩机主要由机体、曲轴、连杆、活塞组、阀门、轴封、油泵、能量调节装置、油循环系统等部件组成。第4页共9页第3页共9页编号:时间:2021年x月x日书山...

1、当您付费下载文档后,您只拥有了使用权限,并不意味着购买了版权,文档只能用于自身使用,不得用于其他商业用途(如 [转卖]进行直接盈利或[编辑后售卖]进行间接盈利)。
2、本站所有内容均由合作方或网友上传,本站不对文档的完整性、权威性及其观点立场正确性做任何保证或承诺!文档内容仅供研究参考,付费前请自行鉴别。
3、如文档内容存在违规,或者侵犯商业秘密、侵犯著作权等,请点击“违规举报”。

碎片内容

活塞式压缩机培训教材

确认删除?
VIP
微信客服
  • 扫码咨询
会员Q群
  • 会员专属群点击这里加入QQ群
客服邮箱
回到顶部