电脑桌面
添加小米粒文库到电脑桌面
安装后可以在桌面快捷访问

环境试验报告表模板VIP免费

环境试验报告表模板_第1页
1/8
环境试验报告表模板_第2页
2/8
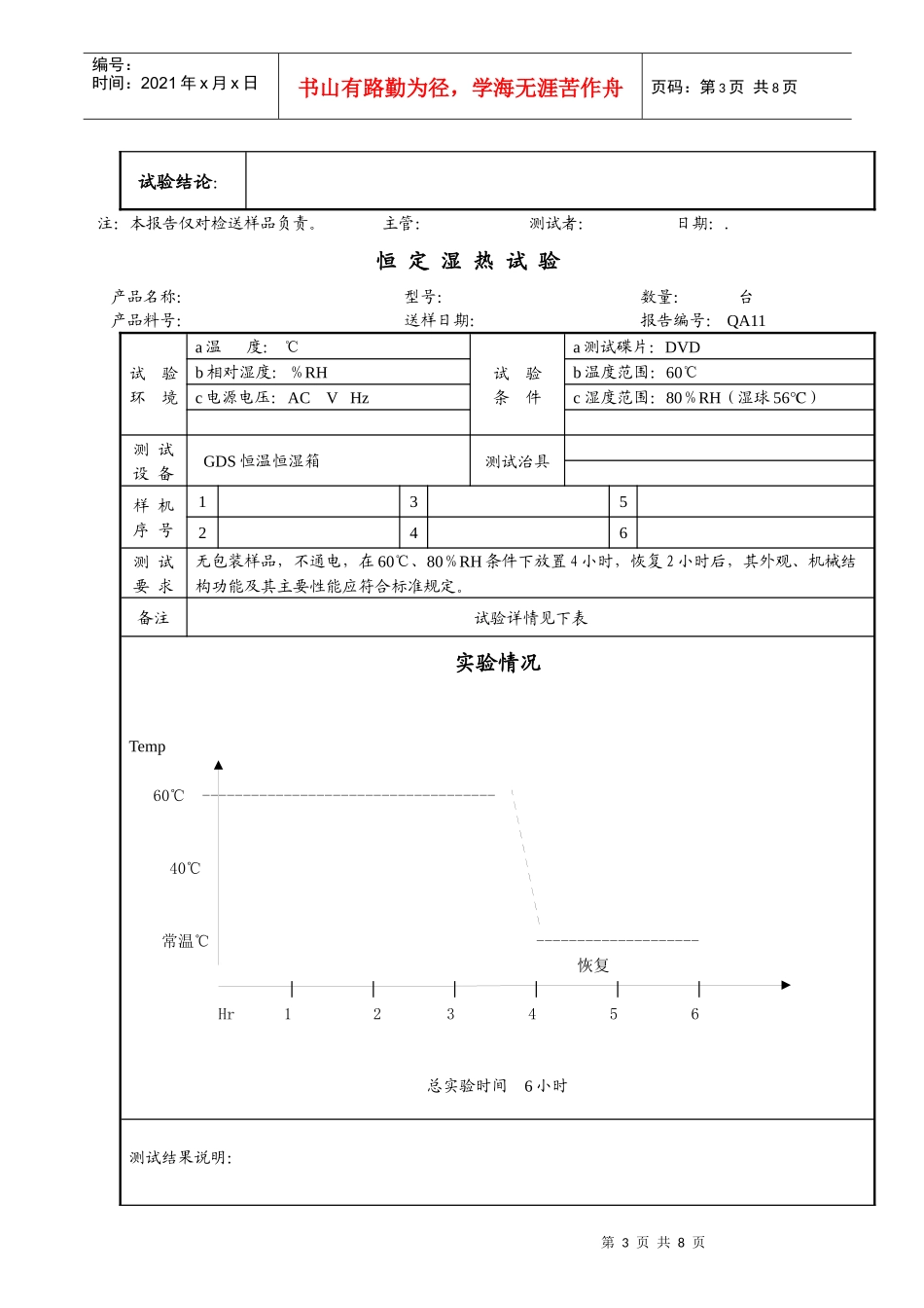
环境试验报告表模板_第3页
3/8
第1页共8页编号:时间:2021年x月x日书山有路勤为径,学海无涯苦作舟页码:第1页共8页环境试验报告高温负荷试验产品名称:型号:数量:台产品料号:送样日期:报告编号:QA110400试验环境a温度:℃试验条件a测试碟片:DVDb相对湿度:%RHb温度范围:40℃±2℃c电源电压:ACV50Hzc湿度范围:60%RH(湿球34℃)ACV60Hzd将待测品设定自动循环播放模式测试设备GDS恒温恒湿箱测试治具样机序号135246测试要求整机在40℃条件下,无包装接通电源持续工作8小时。整机各项功能均应正常备注试验详情见下表监控状况表序号时间段NG机编号试验情况备注10h-1h21h--2h32h--3h43h--4h54h--5h65h--6h76h-7h87h-8h测试结果说明:本次试验时间为8小时,上午开始结束试验结论:注:本报告仅对检送样品负责。主管:测试者:日期:.第2页共8页第1页共8页编号:时间:2021年x月x日书山有路勤为径,学海无涯苦作舟页码:第2页共8页高温储存试验产品名称:型号:数量:台产品料号:送样日期:报告编号:QA11试验环境a温度:℃试验条件a测试碟片:DVDb相对湿度:RHb温度范围:55℃±2℃c电源电压:ACVHz测试设备GDS恒温恒湿箱测试治具样机序号135246测试要求无包装样品,不通电,在55℃条件下放置2小时,降到常温恢复2小时后,其外观、机械结构功能及其主要性能应符合标准规定。备注试验(温度)见下图Temp试验55℃-----------------------------------30℃常温恢复│││││Hr012345总试验时间为4hrs测试结果说明:第3页共8页第2页共8页编号:时间:2021年x月x日书山有路勤为径,学海无涯苦作舟页码:第3页共8页试验结论:注:本报告仅对检送样品负责。主管:测试者:日期:.恒定湿热试验产品名称:型号:数量:台产品料号:送样日期:报告编号:QA11试验环境a温度:℃试验条件a测试碟片:DVDb相对湿度:%RHb温度范围:60℃c电源电压:ACVHzc湿度范围:80%RH(湿球56℃)测试设备GDS恒温恒湿箱测试治具样机序号135246测试要求无包装样品,不通电,在60℃、80%RH条件下放置4小时,恢复2小时后,其外观、机械结构功能及其主要性能应符合标准规定。备注试验详情见下表实验情况Temp60℃------------------------------------40℃常温℃--------------------恢复││││││Hr123456总实验时间6小时测试结果说明:第4页共8页第3页共8页编号:时间:2021年x月x日书山有路勤为径,学海无涯苦作舟页码:第4页共8页试验结论:注:本报告仅对检送样品负责。主管:测试者:日期:.低温负荷试验产品名称:型号:数量:台产品料号:送样日期:报告编号:QA11试验环境a温度:℃试验条件a测试碟片:DVDb相对湿度:%b温度范围:5℃+0℃/-2℃c电源电压:ACVHz测试设备GDS恒温恒湿箱测试治具样机序号135246测试要求整机在5℃±0℃/-2℃℃条件下放置2小时后,在通电正常播放1小时,机器的各项功能均应正常备注试验(温度)见下图Temp常温5-------------------------------------------------℃││││││Hr012345储存通电播放总试验时间为3hrs第5页共8页第4页共8页编号:时间:2021年x月x日书山有路勤为径,学海无涯苦作舟页码:第5页共8页测试结果说明:试验结论:注:本报告仅对检送样品负责。主管:测试者:日期:.低温储存试验产品名称:型号:数量:台产品料号:送样日期:报告编号:QA11试验环境a温度:℃试验条件a测试碟片:DVDb相对湿度:%b温度范围:-25℃±2℃c电源电压:ACVHz测试设备GDS恒温恒湿箱测试治具样机序号135246测试要求无包装样品,不通电,在-25℃±2℃条件下放置2小时,再升到常温恢复2小时后,其外观、机械结构功能及其主要性能应符合标准规定。备注试验(温度)见下图Temp常温0℃││││││-10℃1234567Hr恢复-25℃储存总试验时间为4hrs第6页共8页第5页共8页编号:时间:2021年x月x日书山有路勤为径,学海无涯苦作舟页码:第6页共8页测试结果说明:试验结论:注:本报告仅对检送样品负责。主管:测试者:日期:2004.振动试验产品名称:型号:数量:台产品料号:送样日期:报告编号:QA11试验环境a.温度:℃试验条件a.振幅:0.75/0.15mm.b.振动频率:10-30-10Hz/30-55-30Hzb.相对湿度:%c.振动加速度:0.75G...

1、当您付费下载文档后,您只拥有了使用权限,并不意味着购买了版权,文档只能用于自身使用,不得用于其他商业用途(如 [转卖]进行直接盈利或[编辑后售卖]进行间接盈利)。
2、本站所有内容均由合作方或网友上传,本站不对文档的完整性、权威性及其观点立场正确性做任何保证或承诺!文档内容仅供研究参考,付费前请自行鉴别。
3、如文档内容存在违规,或者侵犯商业秘密、侵犯著作权等,请点击“违规举报”。

碎片内容

环境试验报告表模板

精品中小学文档+ 关注
实名认证
内容提供者

精品资料,值得下载

确认删除?
VIP
微信客服
  • 扫码咨询
会员Q群
  • 会员专属群点击这里加入QQ群
客服邮箱
回到顶部