电脑桌面
添加小米粒文库到电脑桌面
安装后可以在桌面快捷访问

玩具厂机器试模人员行为准则VIP免费

玩具厂机器试模人员行为准则_第1页
1/7
玩具厂机器试模人员行为准则_第2页
2/7
玩具厂机器试模人员行为准则_第3页
3/7
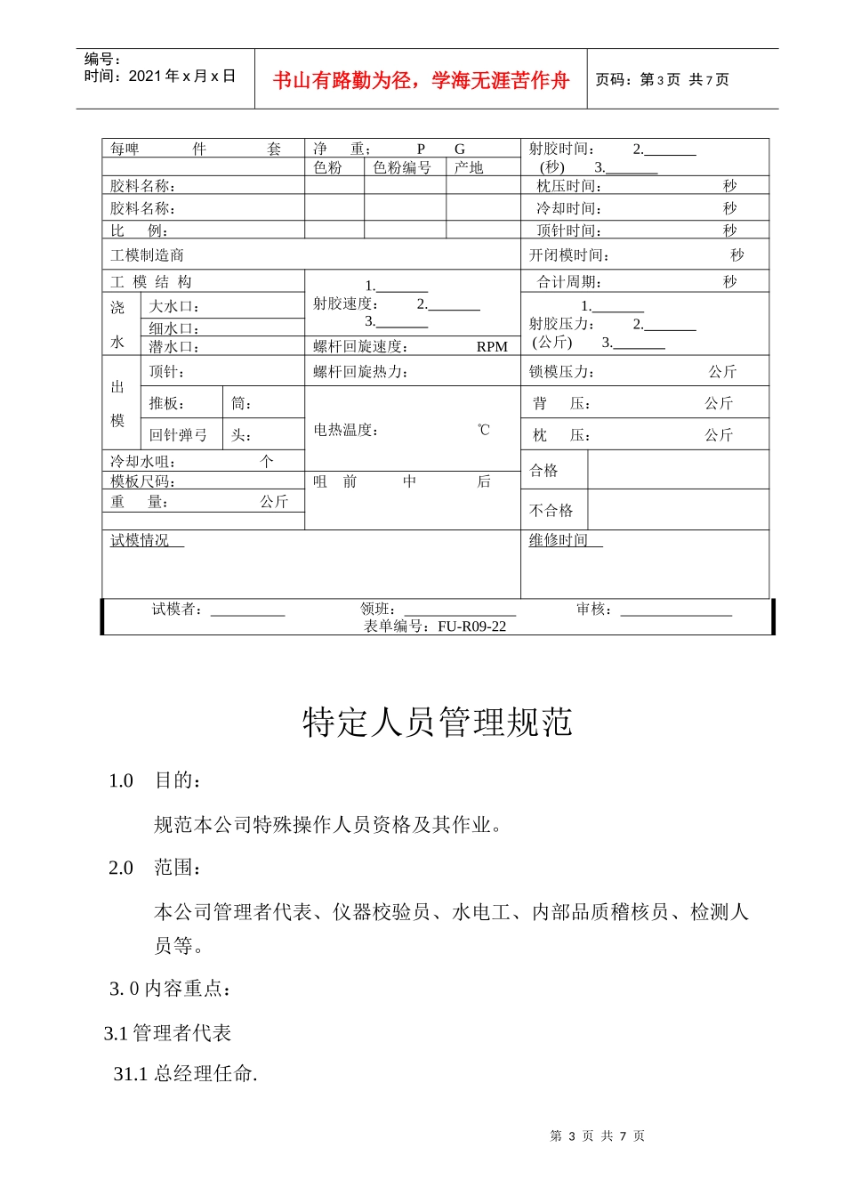
第1页共7页编号:时间:2021年x月x日书山有路勤为径,学海无涯苦作舟页码:第1页共7页玩具厂机器试模人员行为准则试模作业规范目的:为保证本公司之试模作业能按规范进行,以达到顺利生产之目的,特制订本规范。2.0范围:适用于本公司试模作业。3.0定义:无4.0权责:塑胶部主办,相关部门协办。5.0内容重点5.1试模之时机:5.1.1新模具准备投入正式生产。5.1.2模具经维修后。5.1.3换料生产时。5.2试模工作准备:5.2.1工程部要求样板制造,安排塑胶部试模工作,塑胶部于工模部领取所将试模之工模。5.2.2主管安排领班在适当之机号安装模具,、上料人员清洗注塑机、料房人员备料工作。5.2.3通知工模部经理、塑胶部经理现场监视作业。塑胶部经理指定主管或领班进行试模工作。5.2.5经模房经理检查模具后,根据要求之内容、数量,试模工作开始。5.3试模工作:5.3.1将公模装到注塑机上,并固定,再装上冷却水,注意公模与母模需:同侧进水、同侧出水及装模完成后进行检验是否漏水等,然后进行在“准备”动作下开闭模,OK后,再转为手动。第2页共7页第1页共7页编号:时间:2021年x月x日书山有路勤为径,学海无涯苦作舟页码:第2页共7页5.3.2将试模之料填入料斗,按要求烘干,将注塑机电热打开。5.3.3观察此模的成形肉厚程序,再估算用料以及压力、射胶速度等注塑参数。5.3.4将最低估算值输入控制面板。5.3.5启动注塑电机,在“半自动”条件下,进行首件的注塑成形。5.3.6将制品取出观察,是否有不够胶、批锋、或有其它不良现象,调节保压时间、射胶速度与位置、充填压力及下料位置等注塑参数,再检查表熔胶温度是否正确5.3.7以上一系列动作完成后,如果制品仍然是不良品,可判定模具仍需改,待修改后,再次进行试模工作,直至OK。5.3.8各种参数调节互调后,产品OK,则按要求做出所需啤数,同时将试模之情况记录于《试模试办报告》(附件一)中完成试模,将模具退返工模部。工模部按《模具管制及保养规范》对工模进行保养。5.4试模工作完成,注塑机之清理、维护:5.4.1需对注塑机清洁、上油、以维护好注塑机,待下一次开机工作。5.4.2检查工具、螺丝等,有无因疏忽而存放于注塑机内。注意试模后及螺丝等不得留在注塑机内,以免造成意外。5.5模具之维修按《修模作业规范》作业。6.0参考文件:6.1模具管制与保养规范TL-W09-046.2修模作业规范TL-W09-067.0附件:7.1试模试办报告附件一:试模试办报告第次修改试模日期:工模编号工模名称产品型号产品名称适合机型:OZ每啤重量;PG1.第3页共7页第2页共7页编号:时间:2021年x月x日书山有路勤为径,学海无涯苦作舟页码:第3页共7页射胶时间:2.(秒)3.每啤件套净重;PG色粉色粉编号产地胶料名称:枕压时间:秒胶料名称:冷却时间:秒比例:顶针时间:秒工模制造商开闭模时间:秒工模结构1.射胶速度:2.3.合计周期:秒浇水大水口:1.射胶压力:2.(公斤)3.细水口:潜水口:螺杆回旋速度:RPM出模顶针:螺杆回旋热力:锁模压力:公斤推板:筒:电热温度:℃背压:公斤回针弹弓头:枕压:公斤冷却水咀:个合格模板尺码:咀前中后重量:公斤不合格试模情况维修时间试模者:领班:审核:表单编号:FU-R09-22特定人员管理规范1.0目的:规范本公司特殊操作人员资格及其作业。2.0范围:本公司管理者代表、仪器校验员、水电工、内部品质稽核员、检测人员等。3.0内容重点:3.1管理者代表31.1总经理任命.第4页共7页第3页共7页编号:时间:2021年x月x日书山有路勤为径,学海无涯苦作舟页码:第4页共7页3.1.2需经品质稽核课程培训8小时以上.3.2仪器校验员3.2.1从事仪器校验人员,需经外部培训,获资格证书才能上岗.3.2.2仪器校验员从事该工作3个月以上.3.3水电工、电梯3.3.1水电工、电梯工必须获得中华人民共和国劳动部制的”特种作业人员操作证”才能从事水电、电梯作业工作.未获得“特种作业人员操作证”的不得从事该项工作。3.3.2水电工、电梯工须定期进行年审。3.4内部品质稽核员3.4.1高中以上学历3.4.2从事品质稽核6个月以上.3.4.3须经内部品质稽核课程培训8小时以上。3.5检测人员3.5.1从事品质检测人员,需经品质经理和ISO专员培训其品管知识、ISO要求、进料制...

1、当您付费下载文档后,您只拥有了使用权限,并不意味着购买了版权,文档只能用于自身使用,不得用于其他商业用途(如 [转卖]进行直接盈利或[编辑后售卖]进行间接盈利)。
2、本站所有内容均由合作方或网友上传,本站不对文档的完整性、权威性及其观点立场正确性做任何保证或承诺!文档内容仅供研究参考,付费前请自行鉴别。
3、如文档内容存在违规,或者侵犯商业秘密、侵犯著作权等,请点击“违规举报”。

碎片内容

玩具厂机器试模人员行为准则

您可能关注的文档

确认删除?
VIP
微信客服
  • 扫码咨询
会员Q群
  • 会员专属群点击这里加入QQ群
客服邮箱
回到顶部