电脑桌面
添加小米粒文库到电脑桌面
安装后可以在桌面快捷访问

深圳某公司部门职责说明书VIP免费

深圳某公司部门职责说明书_第1页
1/30
深圳某公司部门职责说明书_第2页
2/30
深圳某公司部门职责说明书_第3页
3/30
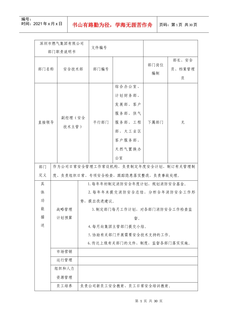
第1页共30页编号:时间:2021年x月x日书山有路勤为径,学海无涯苦作舟页码:第1页共30页深圳市燃气集团有限公司部门职责说明书文件编号部门名称安全技术部部门编号部门岗位编制部长、安全员、档案管理员直接领导副经理(安全技术主管)平行部门综合办公室、计划财务部、发展部、客户服务部、供气服务部、工程部、大工业区客户服务部、天然气置换办公室下属部门无部门定义作为公司日常安全管理工作常设机构,负责制定年度安全计划、制订有关管理制度、负责组织日常、专项安全检查,跟踪隐患落实整改,负责事故处理。具体功能描述战略管理计划预算1.每年年初制定消防安全年度计划,规划消防安全基金。2.每年年末提交消防安全总结,分析全年消防安全工作形势,提出改进建议。3.制定部门每月工作计划,对各部门消防安全工作检查监督。4.每月向集团主管部门提交小结。5.协助有关部门开展需要安全技术支持的工作。6.传达上级有关部门的文件、制度,监督各部门落实实施。市场营销运行管理组织和人力资源管理员工培养负责公司新员工安全教育、员工日常安全培训教育。第2页共30页第1页共30页编号:时间:2021年x月x日书山有路勤为径,学海无涯苦作舟页码:第2页共30页其它工作1.协助客户服务部对用户进行安全培训。2.协助开展隐患整改。流程负责负责流程1.负责公司消防器材、专用劳保用品的购置、发放。2.负责制定并组织实施公司技术发展总体规划,负责新技术、新工艺、新材料的考察、论证、选型和推广应用,负责公司的对外技术服务,负责联系落实设备的检修、大修和更新改造计划。3.负责公司的消防安全宣传工作,对公司员工进行安全培训、演练,对新进员工进行三级安全教育。4.负责组织公司日常、专项安全检查。5.管理公司保安人员,负责公司内部治安保卫和防范工作。参与流程1.公司各压力容器的检测和安全阀、压力表及防雷、防静电设施的检查校验。2.集团公司组织企业安全技术标准的编制、修订。监督流程运行、施工现场、高空、深沟、动火等危险作业;平行部门关系监督检查各客户服务部、供气服务部、工程部、大工业区客户服务部、天然气置换办公室的安全管理制度落实、安全技术资料管理和现场管理情况,提出整改意见。编制审核批准生效日期第3页共30页第2页共30页编号:时间:2021年x月x日书山有路勤为径,学海无涯苦作舟页码:第3页共30页深圳燃气集团有限公司龙岗公司客户服务部职责说明书深圳燃气集团有限公司龙岗公司客户服务部职责说明书文件编号部门名称客户服务部部门编号部门岗位编制直接领导肖顺桂平行部门综合办公室计划财务部发展部、工程部安全技术部天然气置换办公室供气部大工业区客户服务部下属部门抢险维修组改管点火组管网维护组营业组、客户管理组公用户拓展组民用户拓展组老区改造拓展组部门定义作为龙岗公司管道气业务日常经营管理的常设机构,负责龙岗区(大工业区区域除外)管道燃气管网系统的运行管理,管道气客户的拓展、服务、管理等工作。第4页共30页第3页共30页编号:时间:2021年x月x日书山有路勤为径,学海无涯苦作舟页码:第4页共30页具体功能描述战略管理计划预算1市场研究1.1协助相关单位每年进行管道气民用客户满意度调查,针对调查结果,制定相应措施,提高客户满意度。1.2负责每季度对大客户进行回访,收集客户意见,采取有效措施,提高客户满意度。1.3每年进行管道燃气公商客户、民用客户以及老区改造客户的摸底调查工作。2战略规划2.1参与公司年度固定资产投资计划的制定。2.2参与公司年度管网投资计划的制定,提出合理化建议。2.3参与公司年度宣传与培训计划的制定,提出部门宣传与培训方面的需求。2.4负责制定年度燃气管道维修工程计划,并组织实施。2.5负责制定管网系统年度消防演习计划,并组织实施。2.6负责制定部门年度工作计划。3战略执行情况分析3.1负责对年度燃气管道维修工程实施情况进行分析,对管网系统安全运行状况进行调查,提交“管网系统隐患整改方案与报告”。3.2负责对“管道气客户满意度”调查结果进行分析,拟订提高满意度的工作方案。市场营销4市场推广4.1负责与各住宅小区物业管理处的联络和协调工作,提高小区开户率。4.2参...

1、当您付费下载文档后,您只拥有了使用权限,并不意味着购买了版权,文档只能用于自身使用,不得用于其他商业用途(如 [转卖]进行直接盈利或[编辑后售卖]进行间接盈利)。
2、本站所有内容均由合作方或网友上传,本站不对文档的完整性、权威性及其观点立场正确性做任何保证或承诺!文档内容仅供研究参考,付费前请自行鉴别。
3、如文档内容存在违规,或者侵犯商业秘密、侵犯著作权等,请点击“违规举报”。

碎片内容

深圳某公司部门职责说明书

您可能关注的文档

精品中小学文档+ 关注
实名认证
内容提供者

精品资料,值得下载

确认删除?
VIP
微信客服
  • 扫码咨询
会员Q群
  • 会员专属群点击这里加入QQ群
客服邮箱
回到顶部