电脑桌面
添加小米粒文库到电脑桌面
安装后可以在桌面快捷访问

某县规划所需调查资料VIP免费

某县规划所需调查资料_第1页
1/14
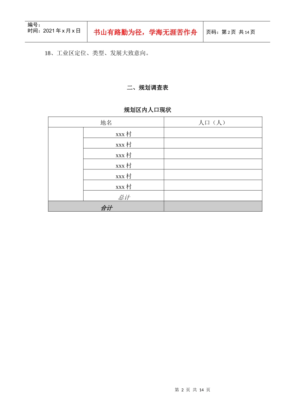
某县规划所需调查资料_第2页
2/14
某县规划所需调查资料_第3页
3/14
第1页共14页编号:时间:2021年x月x日书山有路勤为径,学海无涯苦作舟页码:第1页共14页单位名称联系人电话Email/QQ传真发件收件规划调查凤凰县XX规划所需主要资料的函请贵局提供工业区规划所需资料,以便工作顺利进行。规划所需资料如下:1、提供该区总体规划(分区规划)成果资料:1)CAD文件格式的全套总体规划(分区规划)图纸(带有地形)、已经批复的县城总体规划(分区规划)文本册并附有批复文件。2)上层凭祥市、凤凰县总体规划的工业布局资料。2、提供规划范围内及部分周边的地形图(电子图)的,地形图比例:1/500~1/2000。(地形图应有说明坐标系和高程基准及其他地形图的标准注明)。3、给水排水、电力、电信、燃气工程设施及管网现状:4、50年一遇和百年一遇历史最高洪水位线。(即高程,应与所提供的地形图高程系统相统一。)5、该县的政府领导对该工业区规划设想意图。6、该县的资源优势。2008、2009年的国民产值。城镇化水平。7、该工业区即将的规划范围。8、规划范围内的现状。(如在工业区范围内是否有工厂企业,城镇,人口,其它情况)9、对规划区内的保留现状意见(指若存企业,村镇等状况)10、规划区内的地下状况(如地质状况、地震等地质灾害等)。范围内是否有文物。是否有矿产。是否是国家的一级保护区。或是湿地、生态保护区,规划区内的水田、旱地、林地等各类面积数。11、规划区范围的非农业人口数,农业人口数,文化素质状况。12、在规范区范围内今后5年内有重大基础设施建设资料等。13、该市的近期建设规划。14、国土局的土地利用规划资料。(cad格式图)15、近1~2年来,湖南或地、市、县对工业区规划的政策文件。16、规划区内现状企业的规模、产值、产品、人数、企业用地面积。是否扩建等情况。17、十一五规划文件。第2页共14页第1页共14页编号:时间:2021年x月x日书山有路勤为径,学海无涯苦作舟页码:第2页共14页18、工业区定位、类型、发展大致意向。二、规划调查表规划区内人口现状地名人口(人)xxx村xxx村xxx村xxx村xxx村xxx村总计合计第3页共14页第2页共14页编号:时间:2021年x月x日书山有路勤为径,学海无涯苦作舟页码:第3页共14页现状用地调查表序号用地性质中类小类面积(公顷)1居住用地其中二类居住用地其中住宅用地2公共设施用地其中行政办公用地其中市属办公用地商业金融业用地其中商业用地市场用地医疗卫生用地其中医院用地3工业用地其中一类工业用地二类工业用地4仓储用地其中普通仓库用地5道路广场用地其中道路用地广场用地其中游憩集会广场用地社会停车场库用地其中机动车停车场库用地6市政公用设施用地其中环境卫生设施用地其中粪便垃圾处理用地7绿地其中公共绿地其中街头绿地生产防护绿地其中防护绿地第4页共14页第3页共14页编号:时间:2021年x月x日书山有路勤为径,学海无涯苦作舟页码:第4页共14页8村镇建设用地9总计现状用地权属调查表红线编号用地性质用地单位用地面积1工业用地(例如)浙江防爆电机厂铸造分厂工业用地(例如)12782.05(例如)2345678910111213141516171819202122232425合计第5页共14页第4页共14页编号:时间:2021年x月x日书山有路勤为径,学海无涯苦作舟页码:第5页共14页各类性质建筑量调查表:现状建筑性质砼建筑量(m2)砖混建筑量(m2)合计村镇建筑面积工业建筑面积共公建筑面积居住建筑面积其他……总计园林绿地调查表(2009)名称职工人数(人)占地面积(m2)绿化面积(m2)主要树种公园苗圃街头绿地江滨绿地道路绿地防护绿地含各类公园、苗圃、街头、江滨绿地等环卫设施情况调查表(2009)名称地点占地面积(m2)建筑面积(m2)蹲位数(个)第6页共14页第5页共14页编号:时间:2021年x月x日书山有路勤为径,学海无涯苦作舟页码:第6页共14页垃圾场公厕(一)公厕(二)含各类公厕、垃圾中转、垃圾处理场等主要工业三废污染情况表(2009)项目单位名称废水总排量COD排放量废气总排量SO2排放量烟尘排放量粉尘排放量废渣排放量吨千克万标立方米千克千克千克总计用电情况统计表年份项目2000200120022003200420052006最高负荷(kW)全县县城第7页共14页第6页共14页编号:时间:2021年x月x日书山有...

1、当您付费下载文档后,您只拥有了使用权限,并不意味着购买了版权,文档只能用于自身使用,不得用于其他商业用途(如 [转卖]进行直接盈利或[编辑后售卖]进行间接盈利)。
2、本站所有内容均由合作方或网友上传,本站不对文档的完整性、权威性及其观点立场正确性做任何保证或承诺!文档内容仅供研究参考,付费前请自行鉴别。
3、如文档内容存在违规,或者侵犯商业秘密、侵犯著作权等,请点击“违规举报”。

碎片内容

某县规划所需调查资料

确认删除?
VIP
微信客服
  • 扫码咨询
会员Q群
  • 会员专属群点击这里加入QQ群
客服邮箱
回到顶部