电脑桌面
添加小米粒文库到电脑桌面
安装后可以在桌面快捷访问

环境因素识别台帐VIP免费

环境因素识别台帐_第1页
1/5
环境因素识别台帐_第2页
2/5
环境因素识别台帐_第3页
3/5
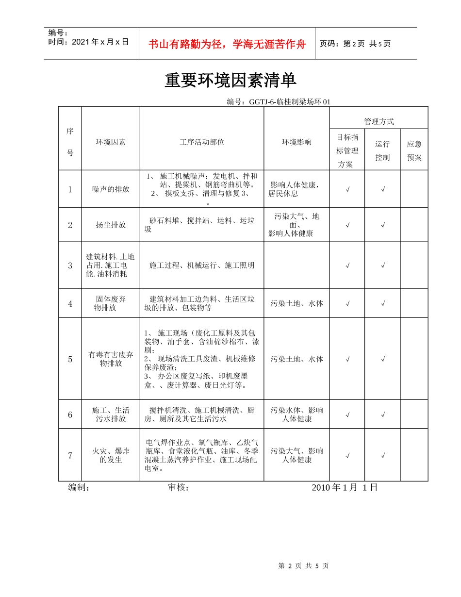
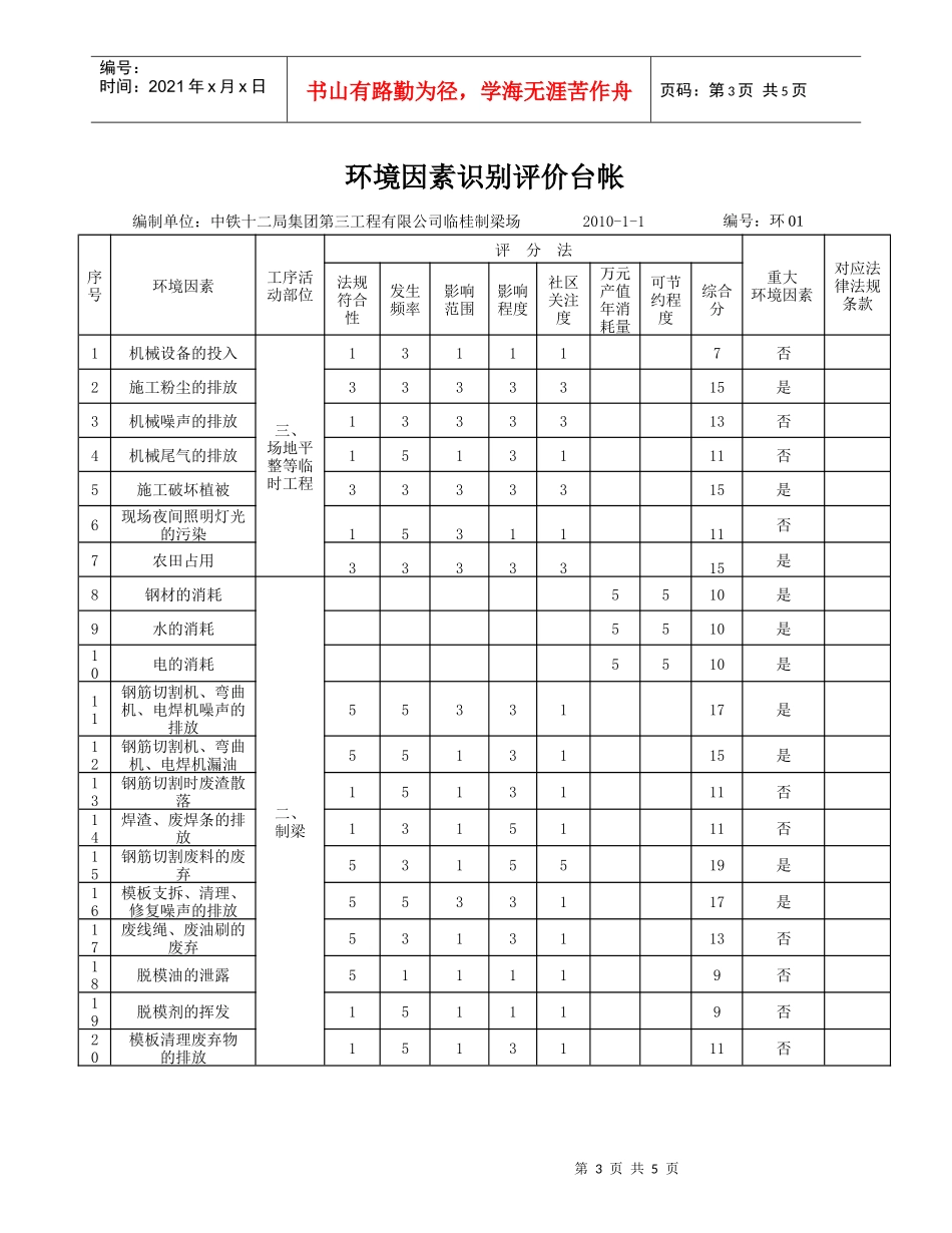
新建贵阳至广州铁路GGTJ-6标段重要环境因素识别评价中铁十二局集团有限公司贵广铁路工程临桂梁场二○一○年一月第2页共5页编号:时间:2021年x月x日书山有路勤为径,学海无涯苦作舟页码:第2页共5页重要环境因素清单编号:GGTJ-6-临桂制梁场环01序号环境因素工序活动部位环境影响管理方式目标指标管理方案运行控制应急预案1噪声的排放1、施工机械噪声:发电机、拌和站、提梁机、钢筋弯曲机等。2、摸板支拆、清理与修复3、。影响人体健康,居民休息√√2扬尘排放砂石料堆、搅拌站、运料、运垃圾污染大气、地面、影响人体健康√√3建筑材料.土地占用.施工电能.油料消耗施工过程、机械运行、施工照明√√4固体废弃物排放建筑材料加工边角料、生活区垃圾的排放、包装物等污染土地、水体√√5有毒有害废弃物排放1、施工现场(废化工原料及其包装物、油手套、含油棉纱棉布、漆刷;2、现场清洗工具废渣、机械维修保养废渣;3、办公区废复写纸、印机废墨盒、、废计算器、废日光灯等。污染土地、水体√√6施工、生活污水排放搅拌机清洗、施工机械清洗、厨房、厕所及其它生活污水污染水体、影响人体健康√√7火灾、爆炸的发生电气焊作业点、氧气瓶库、乙炔气瓶库、食堂液化气瓶、油库、冬季混凝土蒸汽养护作业、施工现场配电室。污染大气、影响人体健康√√编制:审核:2010年1月1日第3页共5页第2页共5页编号:时间:2021年x月x日书山有路勤为径,学海无涯苦作舟页码:第3页共5页环境因素识别评价台帐编制单位:中铁十二局集团第三工程有限公司临桂制梁场2010-1-1编号:环01序号环境因素工序活动部位评分法重大环境因素对应法律法规条款法规符合性发生频率影响范围影响程度社区关注度万元产值年消耗量可节约程度综合分1机械设备的投入三、场地平整等临时工程131117否2施工粉尘的排放3333315是3机械噪声的排放1333313否4机械尾气的排放1513111否5施工破坏植被3333315是6现场夜间照明灯光的污染1531111否7农田占用3333315是8钢材的消耗二、制梁5510是9水的消耗5510是10电的消耗5510是11钢筋切割机、弯曲机、电焊机噪声的排放5533117是12钢筋切割机、弯曲机、电焊机漏油5513115是13钢筋切割时废渣散落1513111否14焊渣、废焊条的排放1315111否15钢筋切割废料的废弃5315519是16模板支拆、清理、修复噪声的排放5533117是17废线绳、废油刷的废弃5313113否18脱模油的泄露511119否19脱模剂的挥发151119否20模板清理废弃物的排放1513111否第4页共5页第3页共5页编号:时间:2021年x月x日书山有路勤为径,学海无涯苦作舟页码:第4页共5页环境因素识别评价台帐编制单位:中铁十二局集团第三工程有限公司临桂制梁场2010-1-1编号:环02序号环境因素工序活动部位评分法重大环境因素对应法律法规条款法规符合性发生频率影响范围影响程度社区关注度万元产值年消耗量可节约程度综合分21水泥、砂子、石子、外加剂等原材料消耗二、制梁538是22抽水泵噪音122218否23水体污染1333313否24油料消耗112否25有毒、有害气体排放1233312否26钢筋焊接时废渣废弃3133111否27钢筋除锈用铁刷的消耗111115否28钢筋弯曲机、切断机、电焊机的投入二、制梁131117否29钢筋焊接时弧光的照射131119否30钢筋的使用1333313否31钢筋除锈用铁刷的废弃1133311否32脱膜剂的遗洒、泄漏1333313否33脱膜剂的挥发131117否34模板清理废弃物的排放1233110否35模板支拆、清理修复、装卸噪音的排放1322311否36焊接时光的排放1533113否37砼运输机械噪声的排放5535119是38砼运输尾气的排放151119否39砼养护剂气体的排放1531111否环境因素识别评价台帐第5页共5页第4页共5页编号:时间:2021年x月x日书山有路勤为径,学海无涯苦作舟页码:第5页共5页编制单位:中铁十二局集团第三工程有限公司临桂制梁场2010-1-1编号:环03序号环境因素工序活动部位评分法重大环境因素对应法律法规条款法规符合性发生频率影响范围影响程度社区关注度万元产值年消耗量可节约程度综合分40防水材料遗洒二、制梁111519否41砼养护剂遗洒5113111否42砼泵送设备噪声的排放5535119是43砼振捣设备噪声的排放5535119是44清洗运输机械、搅拌机污水的排放5535119是45搅拌机噪声的排放5...

1、当您付费下载文档后,您只拥有了使用权限,并不意味着购买了版权,文档只能用于自身使用,不得用于其他商业用途(如 [转卖]进行直接盈利或[编辑后售卖]进行间接盈利)。
2、本站所有内容均由合作方或网友上传,本站不对文档的完整性、权威性及其观点立场正确性做任何保证或承诺!文档内容仅供研究参考,付费前请自行鉴别。
3、如文档内容存在违规,或者侵犯商业秘密、侵犯著作权等,请点击“违规举报”。

碎片内容

环境因素识别台帐

精品中小学文档+ 关注
实名认证
内容提供者

精品资料,值得下载

确认删除?
VIP
微信客服
  • 扫码咨询
会员Q群
  • 会员专属群点击这里加入QQ群
客服邮箱
回到顶部