电脑桌面
添加小米粒文库到电脑桌面
安装后可以在桌面快捷访问

钻孔灌注桩施工资料VIP免费

钻孔灌注桩施工资料_第1页
1/23
钻孔灌注桩施工资料_第2页
2/23
钻孔灌注桩施工资料_第3页
3/23
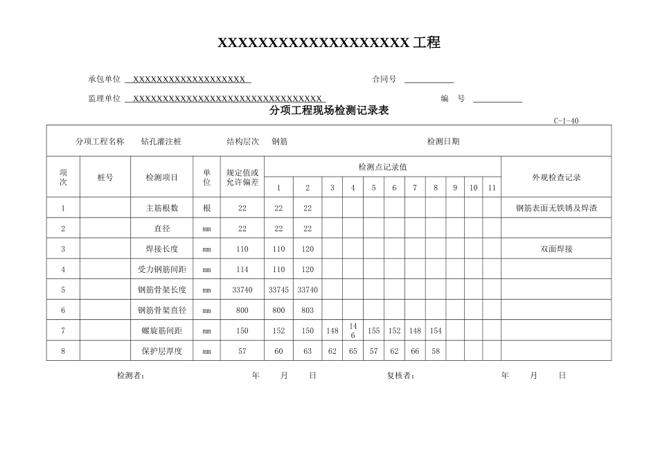
XXXXXXXXXXXXXXXXXXX工程承包单位:XXXXXXXXXXXXXXXXXXX合同号:监理单位:XXXXXXXXXXXXXXXXXXXXXXXXXXXXXXXX编号:中间检验申请单A-10致(总监理工程师)吴建梁先生:下列作业已按合同要求完成,请予检验。工程项目:宝应县疏港路新建工程检验项目地点及桩号检验内容要求到现场检验时间备注0-11#灌注桩XX桥K2+227.8钢筋加工及安装2012.2.10承包人:年月日现场监理意见:道路/结构工程师试验工程师测量工程师签字:年月日签字:年月日签字:年月日以上工作内容按要求检验合格/不合格,可以/不可以继续进行。总监理工程师:年月日XXXXXXXXXXXXXXXXXXX工程承包单位XXXXXXXXXXXXXXXXXXX合同号监理单位XXXXXXXXXXXXXXXXXXXXXXXXXXXXXXXX编号钻(挖)孔桩钢筋现场质量检验报告单C-2-4工程名称XX桥施工单位施工时间2012.2.9检测时间2012.2.9桩号及部位K2+212.80-11#桩监理单位检验时间2012.2.10项次检验项目规定值或允许偏差施工单位检测监理单位检验检测结果频率检验结果频率1主筋根数(根)22每构件检查2个断面30%直径(mm)2230%焊接长度(mm)110(双面焊接)30%受力钢筋间距(mm)±2030%2骨架筋长度(mm)±10按骨架总数30%抽查30%直径(mm)±530%3螺旋筋间距(mm)±10每构件检查5-10个间距30%4保护层厚度(mm)±10每构件沿模板周边检查8处30%结论:监理工程师:年月日承包人:年月日XXXXXXXXXXXXXXXXXXX工程承包单位XXXXXXXXXXXXXXXXXXX合同号监理单位XXXXXXXXXXXXXXXXXXXXXXXXXXXXXXXX编号分项工程现场检测记录表C-1-40分项工程名称钻孔灌注桩结构层次钢筋检测日期项次桩号检测项目单位规定值或允许偏差检测点记录值外观检查记录12345678910111主筋根数根222222钢筋表面无铁锈及焊渣2直径mm2222223焊接长度mm110110120双面焊接4受力钢筋间距mm1141101205钢筋骨架长度mm3374033745337406钢筋骨架直径mm8008008037螺旋筋间距mm1501521501481461551521481548保护层厚度mm576063626557626658检测者:年月日复核者:年月日XXXXXXXXXXXXXXXXXXX工程承包单位XXXXXXXXXXXXXXXXXXX合同号监理单位XXXXXXXXXXXXXXXXXXXXXXXXXXXXXXXX编号分项工程现场检测记录表C-1-40分项工程名称钻孔灌注桩结构层次钢筋检测日期项次桩号检测项目单位规定值或允许偏差检测点记录值外观检查记录12345678910111主筋根数根222222钢筋表面无铁锈及焊渣2直径mm2222223焊接长度mm110115120双面焊接4受力钢筋间距mm1141201105钢筋骨架长度mm3374033748337406钢筋骨架直径mm8008028037螺旋筋间距mm1501531501488保护层厚度mm57606657检测者:年月日复核者:年月日XXXXXXXXXXXXXXXXXXX工程承包单位:XXXXXXXXXXXXXXXXXXX合同号:监理单位:XXXXXXXXXXXXXXXXXXXXXXXXXXXXXXXX编号:中间检验申请单A-10致(总监理工程师)吴建梁先生:下列作业已按合同要求完成,请予检验。工程项目:宝应县疏港路新建工程检验项目地点及桩号检验内容要求到现场检验时间备注0-11#灌注桩XX桥K2+227.8成孔2012.2.11~2012.2.12承包人:年月日现场监理意见:道路/结构工程师试验工程师测量工程师签字:年月日签字:年月日签字:年月日以上工作内容按要求检验合格/不合格,可以/不可以继续进行。总监理工程师:年月日XXXXXXXXXXXXXXXXXXX工程承包单位XXXXXXXXXXXXXXXXXXX合同号监理单位XXXXXXXXXXXXXXXXXXXXXXXXXXXXXXXX编号钻(挖)孔桩桩孔现场质量检验报告单C-2-2工程名称XX桥施工时间2012.2.11-2012.2.12施工单位检测时间2012.2.11-2012.2.12桩号及部位0#台(K2+212.8)监理单位检测时间2012.2.11-2012.2.12项次检验项目规定值或允许偏差施工单位检测监理单位检测检测结果频率检测结果频率1倾斜度(%)1%桩长、且不大于500每桩检测每桩检测2钻孔底标高(mm)不大于设计每桩检测每桩检测3△钻孔深度(mm)不大于设计每桩检测每桩检测4△钻孔直径(mm)不小于设计每桩检测每桩检测5△基准面标高(mm)±10每桩检测每桩检测6△地质情况见钻孔记录表结论:监理工程师:年月日承包人:年月日XXXXXXXXXXXXXXXXXXX工程承包单位XXXXXXXXXXXXXXXXXXX合同号监理单位XXXXXXXXXXXXXXXXXXXXXXXXXXXXXXXX编号分项工程现场检测记录表C-1-40分项工程名称钻孔灌注桩结...

1、当您付费下载文档后,您只拥有了使用权限,并不意味着购买了版权,文档只能用于自身使用,不得用于其他商业用途(如 [转卖]进行直接盈利或[编辑后售卖]进行间接盈利)。
2、本站所有内容均由合作方或网友上传,本站不对文档的完整性、权威性及其观点立场正确性做任何保证或承诺!文档内容仅供研究参考,付费前请自行鉴别。
3、如文档内容存在违规,或者侵犯商业秘密、侵犯著作权等,请点击“违规举报”。

碎片内容

钻孔灌注桩施工资料

您可能关注的文档

确认删除?
VIP
微信客服
  • 扫码咨询
会员Q群
  • 会员专属群点击这里加入QQ群
客服邮箱
回到顶部