电脑桌面
添加小米粒文库到电脑桌面
安装后可以在桌面快捷访问

合成服务器程序框架设计VIP免费

合成服务器程序框架设计_第1页
1/141
合成服务器程序框架设计_第2页
2/141
合成服务器程序框架设计_第3页
3/141
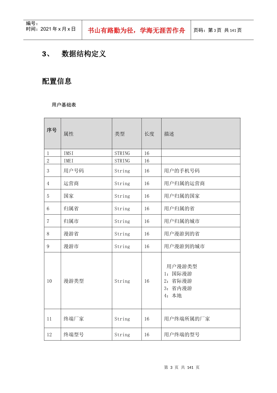
第1页共141页编号:时间:2021年x月x日书山有路勤为径,学海无涯苦作舟页码:第1页共141页PS域合成服务器程序框架设计1、总体框架第2页共141页第1页共141页编号:时间:2021年x月x日书山有路勤为径,学海无涯苦作舟页码:第2页共141页2、模块定义根据总体框架图,合成服务器共分为三个部分,接收部分、处理部分、适配部分。接收部分接收部分主要由IF6Server组成,它的功能主要是负责接收从采集服务器通过IF6或者FTP方式发送过来的xdr数据和原始信令,并将其发送给Handle模块进行处理。处理部分处理部分主要由Handle模块和Output模块组成,Handle将Capture发送过来的xdr信息进行进一步关联,并通过配置信息进行查询,对部分信息补全后发送给Output模块根据配置发送给不同的适配接口模块进行处理。适配部分适配部分主要根据《GbIuPS合成服务器功能需求.docx》文档中定义的需要发送的不同系统进行适配:IF6Client:对补全后的CDR,格式化为CSV,按照SDTP的方式通过IF6接口发送给对应的IF6服务端,CDR数据默认都应该发送给服务端,可以配置是否发送原始信令;FTPOutput:对补全后的CDR,格式化为CSV,按照FTP文件传输协议中定义的文件格式对数据进行存储,可配置文件分割间隔,可以配置FTP登陆的必要信息;经分系统:按照接口规范中6.3节的要求,向经分系统通过FTP上报数据,可配置文件分割间隔,可以配置FTP登陆的必要信息;恶意软件:按照接口规范中6.4节的要求,向手机恶意软件监控系统,可配置文件分割间隔,可以配置FTP登陆的必要信息;告警:按照规范将各种告警事件上报;防火墙:支持采集防火墙NAT数据。合成服务器做客户端、防火墙做服务端;用户在线:支持用户在线查询功能。第3页共141页第2页共141页编号:时间:2021年x月x日书山有路勤为径,学海无涯苦作舟页码:第3页共141页3、数据结构定义配置信息用户基础表序号属性类型长度描述1IMSISTRING162IMEISTRING163用户号码String16用户的手机号码4运营商String16用户归属的运营商5国家String16用户归属的国家6归属省String16用户归属的省7归属市String16用户归属的城市8漫游省String16用户漫游到的省9漫游市String16用户漫游到的城市10漫游类型String16用户漫游类型1:国际漫游2:省际漫游3:省内漫游4:本地11终端厂家String16用户终端所属的厂家12终端型号String16用户终端的型号第4页共141页第3页共141页编号:时间:2021年x月x日书山有路勤为径,学海无涯苦作舟页码:第4页共141页13终端类型String162G手机、3G手机、2G上网卡、3G上网卡、3G上网本……小区基础表序号属性类型长度描述1LACNUMERIC5会话开始时ms所在LAC2RACNUMERIC5会话开始时ms所在RAC3CIDNUMERIC5会话开始时ms所在CI(或者SAC,ECI)4小区类型String16小区类型(网优平台十三场景定义)5覆盖区域String16县城、农村、城市设备基础表序号属性类型长度描述1设备IPString162设备类型NUMERIC10、Unknown1、GGSN2、SGSN3、BSC/RNC第5页共141页第4页共141页编号:时间:2021年x月x日书山有路勤为径,学海无涯苦作舟页码:第5页共141页3设备名称String16FTP生成和IF6上报的CSV事件数据结构附着事件PS_Attach_Event本事件需要从采集层的attach子流程xDR来关联三张数据基础表获取表一:attach子流程xDR表二:用户基础表表三:小区基础表表四:设备基础表序号属性类型长度描述字段来源1InterfaceNUMERIC11:Gn2:reserve3:IuPS4:GbattachxDR->Interface2IMSIString16用户IMSIattachxDR->IMSI3IMEIString16终端IMEIattachxDR->IMEI4P-TMSIString8用户P-TMSIattachxDR->P-TMSI5MCCNUMERIC3MCCattachxDR->MCC6MNCNUMERIC2MNCattachxDR->MNC7LACNUMERIC5LACattachxDR->LAC8RACNUMERIC5RACattachxDR->RAC9CIDNUMERIC5CI(或者SAC,ECI)attachxDR->CID10OLDMCCNUMERIC3OLDMCCattachxDR->OLDMCC11OLDMNCNUMERIC2OLDMNCattachxDR->OLDMNC12OLDLACNUMERIC5OLDLACattachxDR->OLDLAC13OLDRACNUMERIC5OLDRACattachxDR->OLDRAC第6页共141页第5页共141页编号:时间:2021年x月x日书山有路勤为径,学海无涯苦作舟页码:第6页共141页14OLDCI(或者SAC,ECI)NUMERIC5OLDCI(或者S...

1、当您付费下载文档后,您只拥有了使用权限,并不意味着购买了版权,文档只能用于自身使用,不得用于其他商业用途(如 [转卖]进行直接盈利或[编辑后售卖]进行间接盈利)。
2、本站所有内容均由合作方或网友上传,本站不对文档的完整性、权威性及其观点立场正确性做任何保证或承诺!文档内容仅供研究参考,付费前请自行鉴别。
3、如文档内容存在违规,或者侵犯商业秘密、侵犯著作权等,请点击“违规举报”。

碎片内容

合成服务器程序框架设计

您可能关注的文档

确认删除?
VIP
微信客服
  • 扫码咨询
会员Q群
  • 会员专属群点击这里加入QQ群
客服邮箱
回到顶部