电脑桌面
添加小米粒文库到电脑桌面
安装后可以在桌面快捷访问

隧道仰拱底基础自检表VIP专享VIP免费

隧道仰拱底基础自检表_第1页
1/1
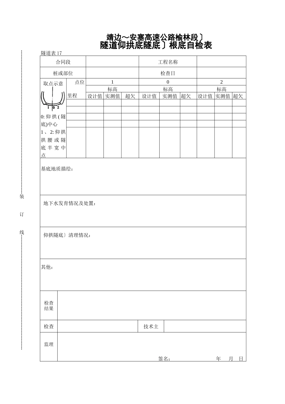
靖边~安塞高速公路榆林段〕隧道仰拱底隧底〕根底自检表隧道表17合同段工程名称桩或部位检查日取点示意0:仰拱(隧底)中心1、2:仰拱拱腰或隧底半宽中点点位里程102标高标高标高设计值实测值超欠设计值实测值超欠设计值实测值超欠基底地质描绘:地下水发育情况及处置:仰拱隧底〕清理情况:其他:检查结果检查技术主监理签名:年月日------------------------------------------------------------------------------------------装订线------------------------------------------------------------------------

1、当您付费下载文档后,您只拥有了使用权限,并不意味着购买了版权,文档只能用于自身使用,不得用于其他商业用途(如 [转卖]进行直接盈利或[编辑后售卖]进行间接盈利)。
2、本站所有内容均由合作方或网友上传,本站不对文档的完整性、权威性及其观点立场正确性做任何保证或承诺!文档内容仅供研究参考,付费前请自行鉴别。
3、如文档内容存在违规,或者侵犯商业秘密、侵犯著作权等,请点击“违规举报”。

碎片内容

隧道仰拱底基础自检表

确认删除?
VIP
微信客服
  • 扫码咨询
会员Q群
  • 会员专属群点击这里加入QQ群
客服邮箱
回到顶部