电脑桌面
添加小米粒文库到电脑桌面
安装后可以在桌面快捷访问

探矿权实地核查记录表VIP免费

探矿权实地核查记录表_第1页
1/6
探矿权实地核查记录表_第2页
2/6
探矿权实地核查记录表_第3页
3/6
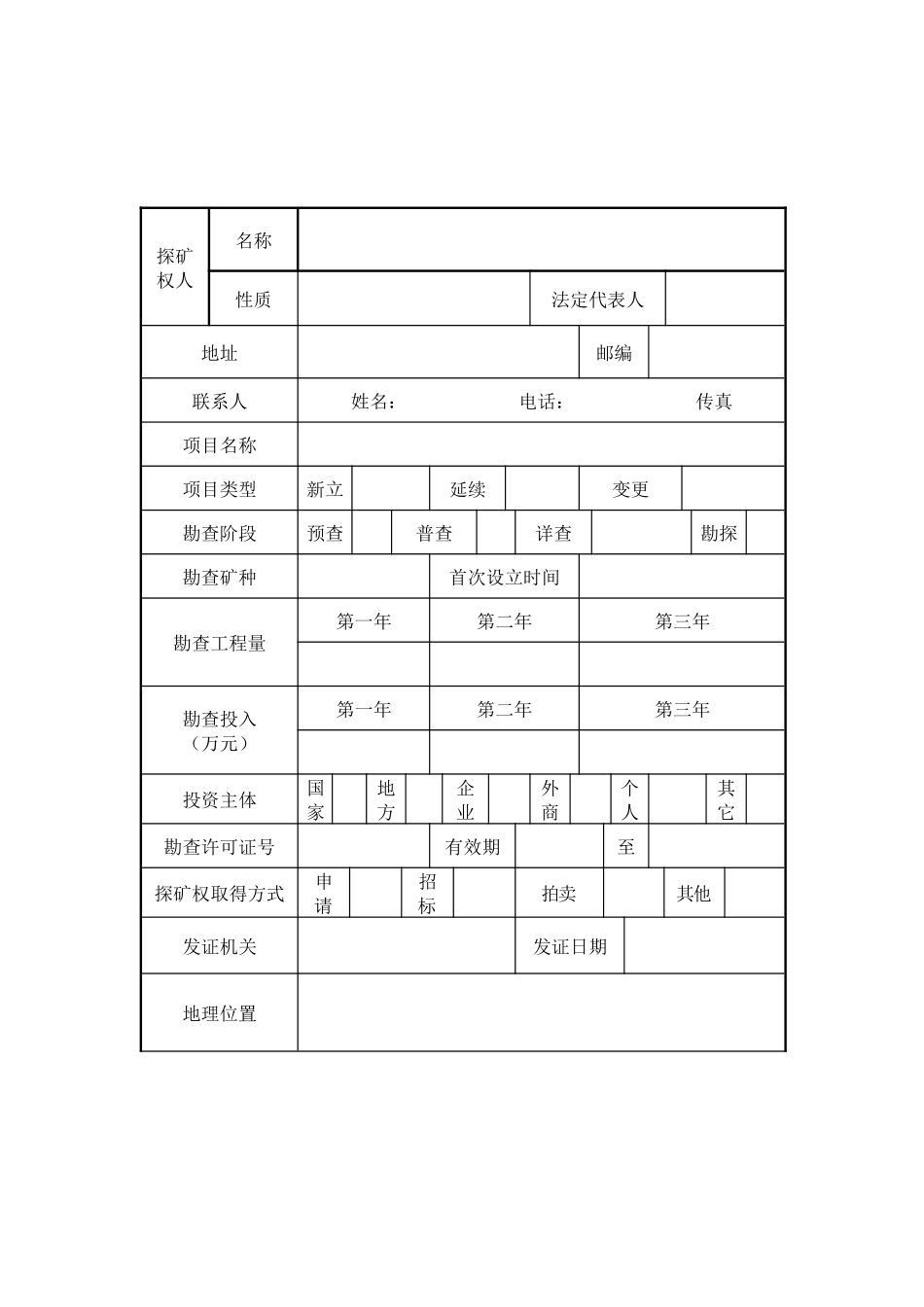
附件1:探矿权实地核查记录表名称:证号:核查单位核查人核查日期年月日探矿权人名称性质法定代表人地址邮编联系人姓名:电话:传真项目名称项目类型新立延续变更勘查阶段预查普查详查勘探勘查矿种首次设立时间勘查工程量第一年第二年第三年勘查投入(万元)第一年第二年第三年投资主体国家地方企业外商个人其它勘查许可证号有效期至探矿权取得方式申请招标拍卖其他发证机关发证日期地理位置拐点及标识情况勘查区块示意图实地核查意见核查人员签名日期审核审核人签名日期审定审定人签名日期填写说明(一)封面1.名称:指勘查项目名称。2.证号:指勘查许可证证号。3.核查单位:填写核查单位的名称。4.核查人:填写核查人员姓名。5.核查日期:现场核查的时间。(二)记录表1.探矿权人(1)名称――单位全称,要和营业执照或事业机构证上名称一致;(2)性质――国有单位、集体单位、股份制企业、外资企业、个体企业或个人等。(3)法人代表――填写法人代表的姓名。2.地址:探矿权人工商营业执照事业机构证注册的地址,办公地址和注册地址不一致者,用括号注明。3.邮编:填写单位地址区域的邮政编码。4.联系人:填写联系人的姓名、电话及传真。5.项目名称:勘查项目名称。6.项目类别:根据核查情况,在相应位置处注“√”符号。7.勘查阶段:根据核查情况,在相应位置处注“√”符号。8.地理位置:指勘查区块地理位置,说明四周界。9.勘查矿种:根据销售资料、勘查报告填写。10.首次设立时间:指项目立项时间。11.勘查许可证号:根据核查情况,在相应位置处注“√”符号。12.投资主体:根据核查情况,在相应位置处注“√”符号。13.勘查许可证号:按出示的“勘查许可证(副本)”填写。14.有效期:按出示的“勘查许可证(副本)”填写。15.探矿权取得方式:根据核查情况,在相应位置处注“√”符号。“其它”栏后注明具体方式。16.发证机关:按出示的“勘查许可证(副本)”填写。17.发证日期:按出示的“勘查许可证(副本)”填写。18.勘查工程量:按年度调查实际勘查投入的工程量,包括不同比例尺的填图面积、物理点数量或物探线长度、化探样品数量、钻(井)探数量、槽(坑)探数量。19.勘查投入:根据每年实际勘查投入的工程量估测。20.拐点及标识情况:记录拐点数量及各拐点标识情况。21.勘查区块示意图:根据勘查报告图件编制。比例尺采用线段比例尺。22.实地核查意见(1)简要说明实地核查时间、地点、方法、访问人员及其它有关情况。(2)记录实地核查过程中存在的主要问题;(3)实地核查初步意见与建议。23.审核意见:审核人一般是实地核查项目组技术负责人。审核人按照有关要求对核查工作进行审核,如无问题,即填写合格;如有问题,应填写不合格,并要求核查人员按期改正处理。24.审定意见:审定人一般是实地核查项目组负责人。审定人对核查结果进行全面审定,确定核查结果真实合格。(三)填表要求1.表中内容原则上不得空项。2.表中填写项目不得涂改,每一处只允许划改一次,并在划改处盖章,以示负责;全表划改超过两处,整个表作废。3.填表时,应使用钢笔或签字笔,蓝黑墨水或碳素墨水,字迹工整、清晰、整洁;若使用铅笔填写的,对重要数据应及时着墨。4.不得使用谐音字、国家未批准的简化字或缩写名称。5.每个矿业权填写一个表格;拐点标识表可以续页,矿区范围示意图可以附贴。续页和附页需加盖调查单位印章。

1、当您付费下载文档后,您只拥有了使用权限,并不意味着购买了版权,文档只能用于自身使用,不得用于其他商业用途(如 [转卖]进行直接盈利或[编辑后售卖]进行间接盈利)。
2、本站所有内容均由合作方或网友上传,本站不对文档的完整性、权威性及其观点立场正确性做任何保证或承诺!文档内容仅供研究参考,付费前请自行鉴别。
3、如文档内容存在违规,或者侵犯商业秘密、侵犯著作权等,请点击“违规举报”。

碎片内容

探矿权实地核查记录表

确认删除?
VIP
微信客服
  • 扫码咨询
会员Q群
  • 会员专属群点击这里加入QQ群
客服邮箱
回到顶部