电脑桌面
添加小米粒文库到电脑桌面
安装后可以在桌面快捷访问

地下车库人防工程施工方案VIP免费

地下车库人防工程施工方案_第1页
1/44
地下车库人防工程施工方案_第2页
2/44
地下车库人防工程施工方案_第3页
3/44
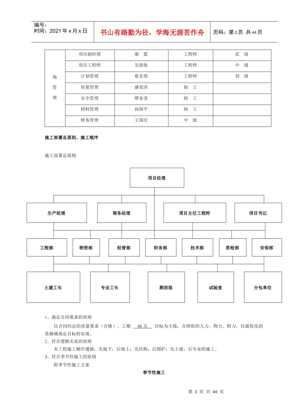
第1页共44页编号:时间:2021年x月x日书山有路勤为径,学海无涯苦作舟页码:第1页共44页一、工程概况太阳城7号地人防地下车库位于天津市河东区东至祁连路,西至祁鲁街,南至鲁山道,北侧博山道,总建筑面积2204.9㎡。现场场地平整,道路畅通,现状场地平均高程为大沽高程2.40米。施工现场已完成围闭,施工主干道、场地平整,临水、临电、临厕工程均已完成,现场满足进场施工条件,本工程基槽挖土可就近堆放用于回填,余土可就近填平至7#或6#临近场地。本人防工程采用平战结合设计,平时作为汽车库,战时转换为人防。人防设防等级:按甲类核五级、二等人员掩蔽所设计。实设人防面积2204.9㎡。人防地下一层层高3.5m。按设计要求,人防地下室防水等级为Ⅰ级,耐火等级为一级,防化等级为甲级,放水耐久年限为25年,抗震设防烈度为7度设防,通风方式:战时清洁式通风、过滤式通风、隔绝式通风。本人防工程结构形式为现浇钢筋混凝土框架剪力墙结构。人防地下室底板为≥400厚的钢筋砼筏板,人防顶板为400厚现浇钢筋砼空心板无梁楼盖。本人防工程建筑耐火等级为一级。本人防工程基础型式为筏板基础。人防地下室底板及地梁底标高均为-4.2m。垫层厚度为100,人防底板厚度分为400,地梁高度为2000、900、600、700。地下人防工程的墙厚主要有300、250。框架柱、框支柱的截面尺寸主要有600*600、700*700。顶板厚度为400厚。本地下人防工程的结构用钢筋均采用Ⅰ、Ⅱ级钢筋。本地下人防工程各部位的砼强度等级见下表:本工程建设单位:天津顺驰新地置业有限公司;监理单位:天津市远方工程建设监理公司;设计单位:天津市建筑设计院;总包单位:金坛市建筑安装工程公司。本工程质量监督单位:天津市建设工程质量监督站;天津市人防工程质量监督站。参照施工图图纸名称图纸编号出图日期8#楼地下车库建施图建施总-12005-6-158#楼地下车库建施图建施目—建施332005-6-158#地下车库建施图建施说1-建施说22005-6-158#地下车库结构图结施说1—结施说22005-6-15部位砼强度等级抗渗等级垫层C15底板、承台、地梁C30S8外墙C30S8内墙C30柱、梁C30顶板C30S8(地下层局部)第2页共44页第1页共44页编号:时间:2021年x月x日书山有路勤为径,学海无涯苦作舟页码:第2页共44页8#地下车库结构图结施1—结施62005-6-158#地下车库电施图电施1—电施52005-6-158#地下车库给排水图水施1—水施32005-6-158#地下车库通风施图通施1—通施42005-6-15主要规范规程、图集类别编号名称规范规程国家GB50300—2001GB50108—2002GB50208—2002GB50203—2002GB50207—2002GB50209—2002GB50208—2001GB50038—2005RFJ01-2002GB50134-2004建筑工程施工质量验收统一标准地下防水工程施工技术规范地下防水工程质量验收规范砌体工程施工质量验收规范屋面工程施工质量验收规范建筑地面施工质量验收规范建筑装饰装修工程施工质量验收规范人民防空地下室设计规范人民防空工程质量检验评定标准人民防空工程施工及验收规范图集国家02G01-1砌体结构构造详图行业98J398J898J9雨水管室外台阶楼梯室外散水标准企业太阳城7#地8#楼地下车库合格标准施工部署施工组织项目经理部组织机构项目管理班子主要管理人员机构项目负责人姓名职称备注现项目经理张洪生工程师贰级第3页共44页第2页共44页编号:时间:2021年x月x日书山有路勤为径,学海无涯苦作舟页码:第3页共44页场管理项目副经理谢震工程师贰级项目工程师吴留俊工程师中级计划管理蔡宏伟工程师初级质量管理盛爱洪助工安全管理缪金龙助工材料管理孙国平助工财务管理王国庆中级施工部署总原则、施工顺序施工部署总原则1、满足合同要求的原则以合同约定的质量要求(合格)、工期66天目标为主线,合理组织人力、物力、财力,以最优化的资源确保总目标的实现。2、符合逻辑关系的原则本工程施工顺序遵循:先地下,后地上;先结构,后围护;先土建,后专业的施工。3、符合季节性施工的原则附季节性施工方案季节性施工项目经理生产经理商务经理项目主任工程师项目书记工程部物资部经营部财务部技术部质检部安保部土建工长专业工长测放组试验室分包单位第4页共44页第3页共44页编号:时间:2021年x月x日...

1、当您付费下载文档后,您只拥有了使用权限,并不意味着购买了版权,文档只能用于自身使用,不得用于其他商业用途(如 [转卖]进行直接盈利或[编辑后售卖]进行间接盈利)。
2、本站所有内容均由合作方或网友上传,本站不对文档的完整性、权威性及其观点立场正确性做任何保证或承诺!文档内容仅供研究参考,付费前请自行鉴别。
3、如文档内容存在违规,或者侵犯商业秘密、侵犯著作权等,请点击“违规举报”。

碎片内容

地下车库人防工程施工方案

确认删除?
VIP
微信客服
  • 扫码咨询
会员Q群
  • 会员专属群点击这里加入QQ群
客服邮箱
回到顶部