电脑桌面
添加小米粒文库到电脑桌面
安装后可以在桌面快捷访问

上蔡县小学基本情况调查表汇总VIP专享VIP免费

上蔡县小学基本情况调查表汇总_第1页
1/44
上蔡县小学基本情况调查表汇总_第2页
2/44
上蔡县小学基本情况调查表汇总_第3页
3/44
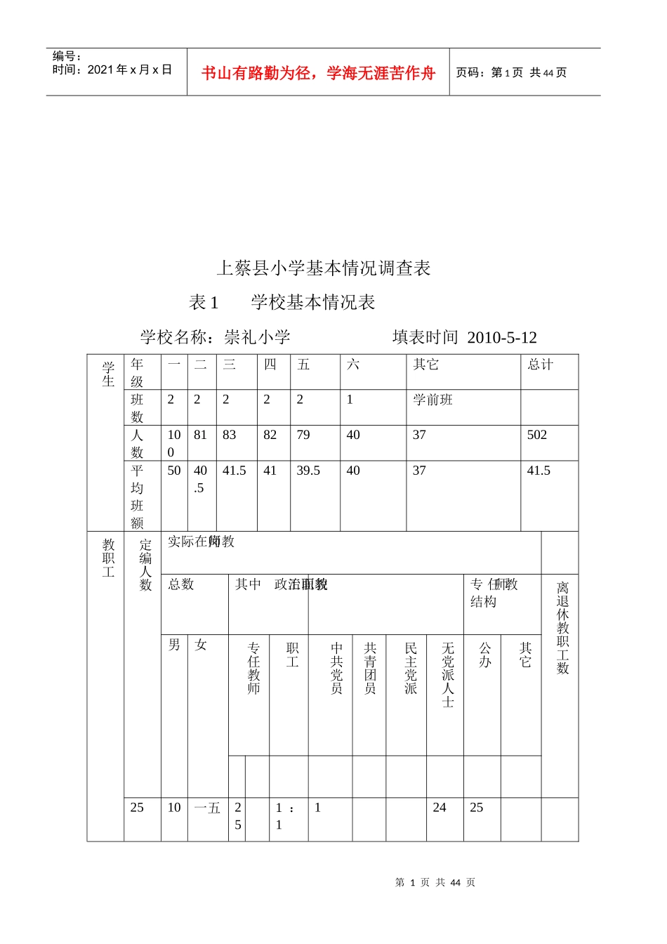
第1页共44页编号:时间:2021年x月x日书山有路勤为径,学海无涯苦作舟页码:第1页共44页上蔡县小学基本情况调查表表1学校基本情况表学校名称:崇礼小学填表时间2010-5-12学生年级一二三四五六其它总计班数222221学前班人数100818382794037502平均班额5040.541.54139.5403741.5教职工定编人数实际在岗教师总数其中教职工政治面貌专任教师结构离退休教职工数男女专任教师职工中共党员共青团员民主党派无党派人士公办其它2510一五251:112425第2页共44页第1页共44页编号:时间:2021年x月x日书山有路勤为径,学海无涯苦作舟页码:第2页共44页校园总占地面积总建筑面积(平方米)绿化面积(平方米)其它(平方米)生均占地面积(平方米)生均建筑面积(平方米)绿化面积覆盖率%58001775一八011.63.563.1%建校时间1956校址上蔡县崇礼乡崇礼村校长范运星联系方式一三9396574516508639表2学校领导班子情况调查表学校:崇礼小学姓名职务性别年龄学历职称政治面貌分工任职时间担课科目周课时范运星校长男53中师小学高级学校全面工作2005.5范洋河报账员男55中师小学高级后勤管理2009.9语文17朱永国教务主任男30大专小一2005.9数学17张长征少先队辅导员男31大专小一2005.9数学17袁高尚数学教研组长男34大专小一2009.9数学17朱素娟语文教研组长女28大专小一2009.9语文一八说明:本表填中层以上学校领导第3页共44页第2页共44页编号:时间:2021年x月x日书山有路勤为径,学海无涯苦作舟页码:第3页共44页表3专任教师情况调查表学校:崇礼小学人数年龄职称学历任课教师30岁以下31至49岁50岁以上特级高级一级二级三级大学本科专科中师高中专业合格合格率语文数学英语品德与社会科学体育音乐美术劳动安全j教育其它3175110122一三121212表4学校生活用房情况调查表学校:崇礼小学编号名称个数间数建筑面积编号名称个数间数建筑面积1普通教室123563022卫生室2物理实验室23科技活动室3物理仪器室24校史阅览室4化学实验室25会议室11一八5化学仪器室26党政办公室6生物实验室27教师办公室24727生物仪器室28财务室11一八8美术室29政教室9地理室30总务室11一八10生物室31档案室11一八11微机室32文印室12语音室33团队室一音乐室34广播室第4页共44页第3页共44页编号:时间:2021年x月x日书山有路勤为径,学海无涯苦作舟页码:第4页共44页三14舞蹈室35学生宿舍一五乐器室36学生食堂16电教室135437教职工宿舍17图书室11一八38教职工食堂一八教室阅览室39礼堂19学生阅览室11一八4020体育活动室12364121体育器材室11一八42合计房间总数16总建筑面积(平方米)288表5学校藏书情况调查表学校:崇礼小学图示总册数生均图书(册)教学参考书工具书报纸(种)刊物(种)班均报刊书刊柜架专职管理人员备注2一八64.3102330.2741表6学校体、音、美设施情况调查表学校:崇礼小学第5页共44页第4页共44页年级周课时科目编号:时间:2021年x月x日书山有路勤为径,学海无涯苦作舟页码:第5页共44页音乐设施美术设施体育设施脚踏琴电子琴手风琴钢琴其它画板画架模具其它田径场弯跑道米田径场直跑道米标准篮球场个标准篮球场个标准羽毛篮球场个乒乓球按副单杠副双杠副高低杠副吊环架副垫子只跳箱个山羊只铅球个篮球个其它1200801241表7课程开设情况调查表一二三四五六周课时备注语文1414一三一三一三12数学121211111110英语品德与社会222224科学2222第6页共44页第5页共44页编号:时间:2021年x月x日书山有路勤为径,学海无涯苦作舟页码:第6页共44页体育222222音乐111111美术11111微机文体活动科技活动团队活动综合实践活动地方安排课时其它333333周课时总量353535353535上蔡县小学学籍花名册崇礼乡崇礼小学一、(1)班填表时间2010-5-12序号学籍号姓名性别出生年月监护人姓名家庭住址备注00109一八01030杜港枫男04-01杜国强崇礼村00209一八01085杜林凯男03-10杨银志崇礼村00309一八01084朱凯龙男03-09朱国振崇礼村00409一八01027范家豪男03-01康凤云崇礼村00509一八马丽莎女02-10马庆国岳徐村第7页共44页第6页共44页编号:时间:2021年x月x日书山有路勤为径,学海无涯苦作舟页码:第7页共44页0101900609一八01086康圆圆女03-01康...

1、当您付费下载文档后,您只拥有了使用权限,并不意味着购买了版权,文档只能用于自身使用,不得用于其他商业用途(如 [转卖]进行直接盈利或[编辑后售卖]进行间接盈利)。
2、本站所有内容均由合作方或网友上传,本站不对文档的完整性、权威性及其观点立场正确性做任何保证或承诺!文档内容仅供研究参考,付费前请自行鉴别。
3、如文档内容存在违规,或者侵犯商业秘密、侵犯著作权等,请点击“违规举报”。

碎片内容

上蔡县小学基本情况调查表汇总

确认删除?
VIP
微信客服
  • 扫码咨询
会员Q群
  • 会员专属群点击这里加入QQ群
客服邮箱
回到顶部